KitchenAid
Built-In Microwave

Model #KMBP100EBS01 Official KitchenAid microwave

Here are the diagrams and repair parts for KitchenAid KMBP100EBS01 microwave, as well as links to manuals and error code tables, if available.

There are a couple of ways to find the part or diagram you need:

  • Click a diagram to see the parts shown on that diagram.
  • In the search box below, enter all or part of the part number or the part’s name.

Not all parts are shown on the diagrams—those parts are labeled NI, for “not illustrated”.

We encourage you to save the model to your profile, so it’s easy to access parts and manuals for your appliance whenever you log in.

For DIY troubleshooting advice and repair guides, visit our repair help section.

Installation guideOwner’s manual

Showing 10 of 102 parts

Microwave Element Clip (replaces 252262898008, 461967721441, W10288008, WPW10204461)#14

Internal microwave parts Diagram

Lock spring

Part #252262898008
Replaced by #W10909479
?
Manufacturer substitution
This part replaces 252262898008. Substitute parts can look different from the original.
BEST SELLER
This item is not returnable
In Stock
$23.79 | 
17% OFF 
Phone Price: $28.79
Microwave Element Clip (replaces 252262898008, 461967721441, W10288008, WPW10204461)#5

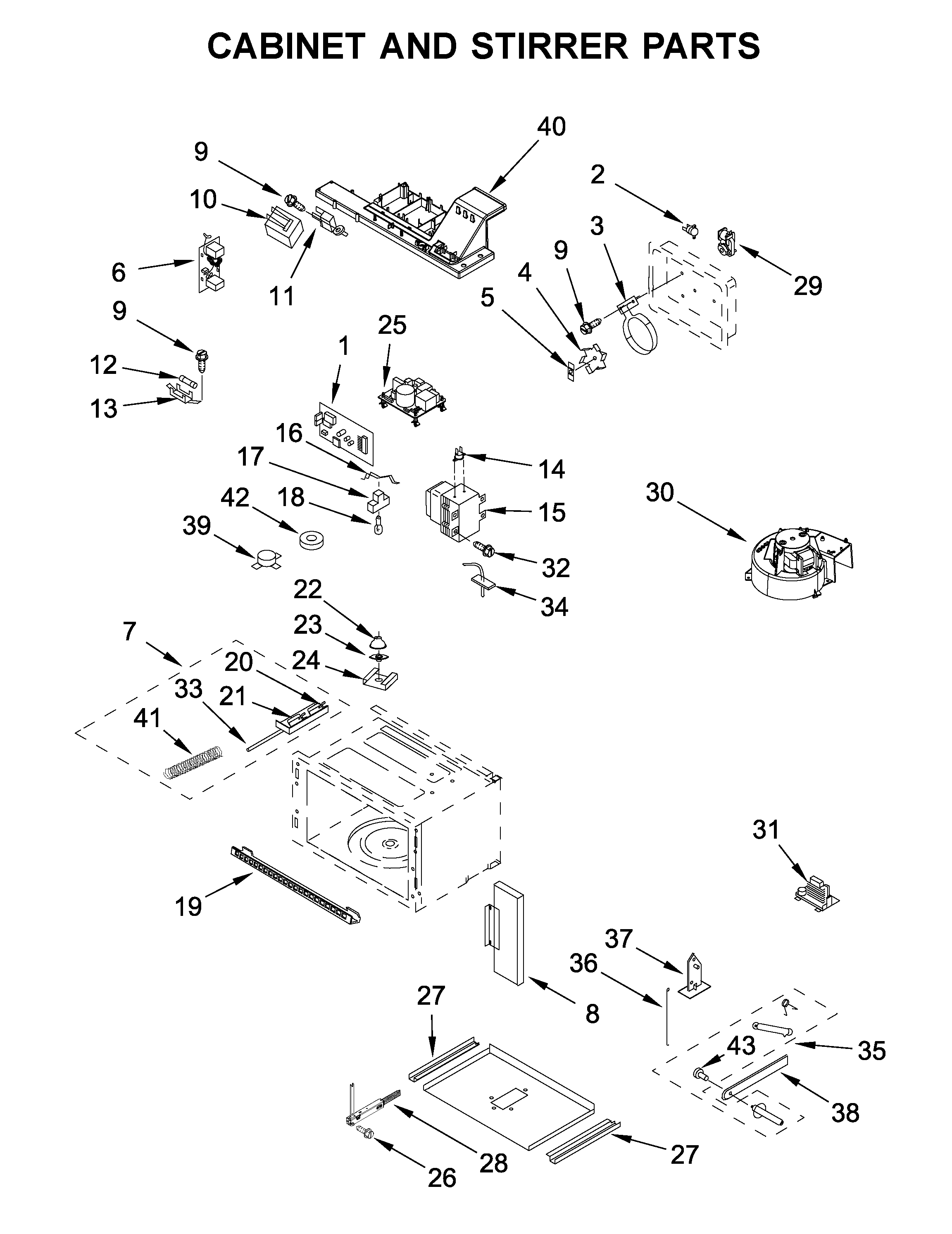
Cabinet and stirrer parts Diagram

Nut

Part #W10120233
Replaced by #W10909479
?
Manufacturer substitution
This part replaces W10120233. Substitute parts can look different from the original.
BEST SELLER
This item is not returnable
In Stock
$23.79 | 
17% OFF 
Phone Price: $28.79
Appliance Touch-Up Paint, 0.6-oz (White) (replaces 21020, 72017R, 8006, W10813125, Y058028)#NI

Optional parts (not included) Diagram

Appliance touch-up paint

Part #72017
Replaced by #72017
?
Manufacturer substitution
This part replaces 72017. Substitute parts can look different from the original.
BEST SELLER
In Stock
$8.29 | 
11% OFF 
Phone Price: $9.29
Appliance Touch-Up Paint, 0.6-oz (Black) (replaces 20001009, 72032P, 72032R, W10831982)#NI

Optional parts (not included) Diagram

Touch-up paint (black)

Part #72032
Replaced by #72032
?
Manufacturer substitution
This part replaces 72032. Substitute parts can look different from the original.
BEST SELLER
This item is not returnable
In Stock
$4.89 | 
38% OFF 
MSRP: $7.90
Microwave Inverter Board (replaces 8206087, W10468206, W10510105)#31

Cabinet and stirrer parts Diagram

Inverter

Part #W10468206
Replaced by #W10217711
?
Manufacturer substitution
This part replaces W10468206. Substitute parts can look different from the original.
In Stock
$209.70 | 
25% OFF 
MSRP: $280.00
Range Oven Light Bulb (replaces W10827800, W11025415, WPW10287972)#18

Cabinet and stirrer parts Diagram

Lamp g4 halo

Part #W10795595
Replaced by #W10886919
?
Manufacturer substitution
This part replaces W10795595. Substitute parts can look different from the original.
This item is not returnable
In Stock
$22.89 | 
18% OFF 
Phone Price: $27.89
Microwave Turntable Motor Coupler#8

Internal microwave parts Diagram

Tt drive ht

Part #W10545578
Replaced by #W11179756
?
Manufacturer substitution
This part replaces W10545578. Substitute parts can look different from the original.
This item is not returnable
In Stock
$23.29 | 
18% OFF 
Phone Price: $28.29
Wall Oven Screw#7

Oven parts Diagram

Screw

Part #3400832
Replaced by #WP3400832
?
Manufacturer substitution
This part replaces 3400832. Substitute parts can look different from the original.
This item is not returnable
In Stock
$4.39 | 
19% OFF 
Phone Price: $5.39
Microwave Crisping Tray#1

Internal microwave parts Diagram

Large crisper

Part #461968977491
Replaced by #WPW10120480
?
Manufacturer substitution
This part replaces 461968977491. Substitute parts can look different from the original.
In Stock
$59.19 | 
8% OFF 
Phone Price: $64.19
Wall Oven Microwave Element Clip#12

Internal microwave parts Diagram

In Stock
$11.64

Articles and videos common to all microwaves

November 12, 2022

5 Holiday Cleaning Tasks Essential to Boosting Your Home’s Image

Lyle Weischwill

Get tips on completing essential holiday cleaning tasks to brighten your home.

August 19, 2022

Are DIY appliance repairs safe?

Lyle Weischwill

Find out how to stay safe when repairing your appliances.

August 5, 2022

Introducing new technical repair content that we’re developing for the Sears Technical Institute

Lyle Weischwill

Learn about Sears Technical Institute and the advanced technical content being developed for aspiring appliance techs.