Skil
Hammer Drill

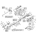
Model #6850 TYPE 1 Official Skil hammer drill

Here are the diagrams and repair parts for Skil 6850-TYPE-1 hammer drill, as well as links to manuals and error code tables, if available.

There are a couple of ways to find the part or diagram you need:

  • Click a diagram to see the parts shown on that diagram.
  • In the search box below, enter all or part of the part number or the part’s name.

Not all parts are shown on the diagrams—those parts are labeled NI, for “not illustrated”.

We encourage you to save the model to your profile, so it’s easy to access parts and manuals for your appliance whenever you log in.

For DIY troubleshooting advice and repair guides, visit our repair help section.

    Showing 10 of 38 parts

    Buffer#29

    Unit parts Diagram

    Buffer

    Part #376196

    The manufacturer no longer makes this part, and there's no substitute part

    Lead Wire#12

    Unit parts Diagram

    Lead wire

    Part #376941

    The manufacturer no longer makes this part, and there's no substitute part

    Armature#14

    Unit parts Diagram

    Armature

    Part #376785

    The manufacturer no longer makes this part, and there's no substitute part

    Yoke Assembly#25

    Unit parts Diagram

    Yoke assembly

    Part #376204

    The manufacturer no longer makes this part, and there's no substitute part

    Roof Section#26

    Unit parts Diagram

    Roof section

    Part #376216

    The manufacturer no longer makes this part, and there's no substitute part

    Blade Spring#28

    Unit parts Diagram

    Blade spring

    Part #376229

    The manufacturer no longer makes this part, and there's no substitute part

    Lead Wire#11

    Unit parts Diagram

    Lead wire

    Part #376942

    The manufacturer no longer makes this part, and there's no substitute part

    Wedge Kit

    #NI

    All parts Diagram

    Wedge kit

    Part #376690

    The manufacturer no longer makes this part, and there's no substitute part

    Bearing Plate#16

    Unit parts Diagram

    Bearing plate

    Part #376236

    The manufacturer no longer makes this part, and there's no substitute part

    Drill Knob#30

    Unit parts Diagram

    Drill knob

    Part #376231

    The manufacturer no longer makes this part, and there's no substitute part