GE
Central Air Conditioner

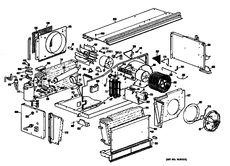
Model #A3B588DAELQ1 Official GE air conditioner

Here are the diagrams and repair parts for GE A3B588DAELQ1 air conditioner, as well as links to manuals and error code tables, if available.

There are a couple of ways to find the part or diagram you need:

  • Click a diagram to see the parts shown on that diagram.
  • In the search box below, enter all or part of the part number or the part’s name.

Not all parts are shown on the diagrams—those parts are labeled NI, for “not illustrated”.

We encourage you to save the model to your profile, so it’s easy to access parts and manuals for your appliance whenever you log in.

For DIY troubleshooting advice and repair guides, visit our repair help section.

Showing 10 of 172 parts

Screw

See All Related Diagrams

Screw

Part #WZ4X288
This item is not returnable
In Stock
$3.49
Screw

#NI

All parts Diagram

Screw

Part #WZ4X362
This item is not returnable
In Stock
$4.99
Clip

#NI

All parts Diagram

Clip

Part #WJ3X87
This item is not returnable
In Stock
$2.16
Screw#983

Cabinet Diagram

Screw

Part #WZ5X153
This item is not returnable
In Stock
$2.49
Nut

#NI

All parts Diagram

Nut

Part #WZ8X11
This item is not returnable
In Stock
$4.49
Screw

#NI

All parts Diagram

Screw

Part #WZ4X120
This item is not returnable
In Stock
$5.99
Zoneline  H&

#NI

All parts Diagram

Zoneline h&

Part #49-7066
Replaced by #49-7140-1
?
Manufacturer substitution
This part replaces 49-7066. Substitute parts can look different from the original.
In Stock
$8.49
SUPPORT CONDENSER     R S

#NI

All parts Diagram

Support condenser r s

Part #WP66X06

The manufacturer no longer makes this part, and there's no substitute part

DAMPER DOOR SCREEN#362

Chassis Diagram

Damper door screen

Part #WP85X01

The manufacturer no longer makes this part, and there's no substitute part

BUMPER CONTROL DOOR#220

Cabinet Diagram

Bumper control door

Part #WP1X04

The manufacturer no longer makes this part, and there's no substitute part

Articles and videos common to all central air conditioners

October 24, 2022

Easy DIY appliance repairs that anyone can do

Lyle Weischwill

Get advice on simple DIY fixes for appliances that you can safely do on your own.

August 5, 2022

Introducing new technical repair content that we’re developing for the Sears Technical Institute

Lyle Weischwill

Learn about Sears Technical Institute and the advanced technical content being developed for aspiring appliance techs.

June 29, 2022

Top questions about Sears and Sears PartsDirect

Lyle Weischwill

Get answers to frequently asked questions about Sears and Sears PartsDirect.