LG
Countertop Microwave

Model #LTRM1240SB01 Official LG microwave

Here are the diagrams and repair parts for LG LTRM1240SB01 microwave, as well as links to manuals and error code tables, if available.

There are a couple of ways to find the part or diagram you need:

  • Click a diagram to see the parts shown on that diagram.
  • In the search box below, enter all or part of the part number or the part’s name.

Not all parts are shown on the diagrams—those parts are labeled NI, for “not illustrated”.

We encourage you to save the model to your profile, so it’s easy to access parts and manuals for your appliance whenever you log in.

For DIY troubleshooting advice and repair guides, visit our repair help section.

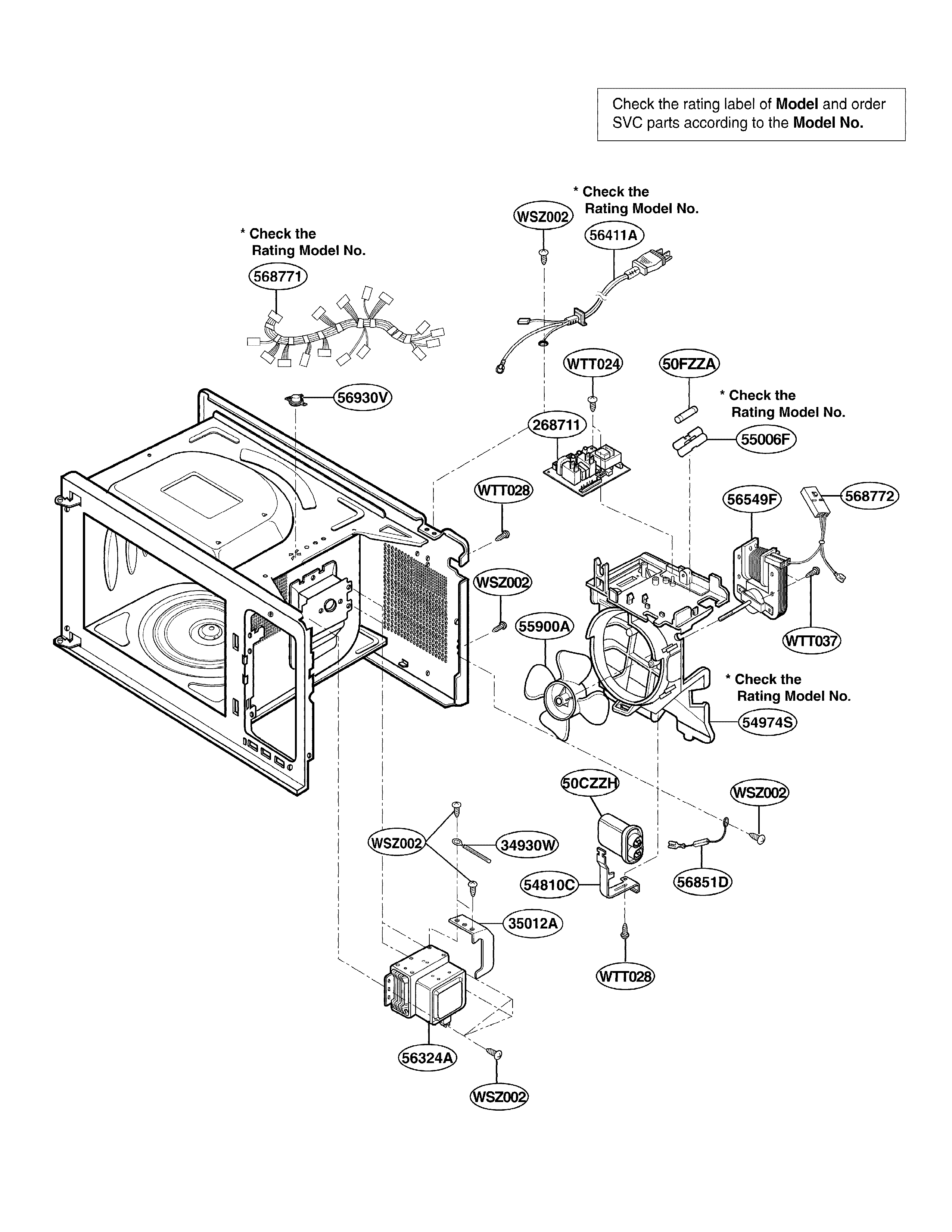
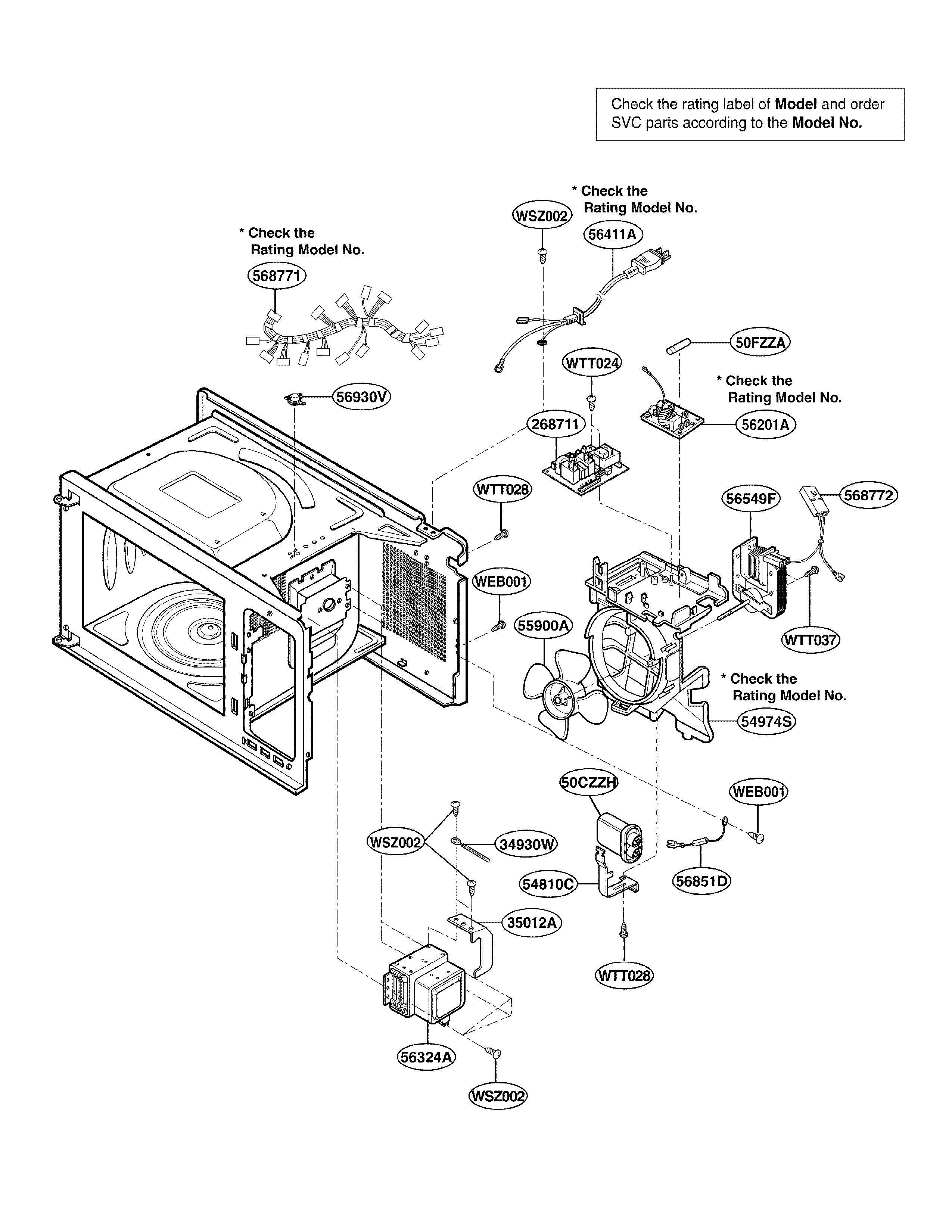
Showing 10 of 75 parts

Microwave Door Interlock Switch (replaces 6600W1K003D)#4660

Latch board parts Diagram

In Stock
$6.82 | 
13% OFF 
Phone Price: $7.82
Microwave Magnetron (replaces 6324W1A001H)

See All Related Diagrams

Microwave magnetron (replaces 6324w1a001h)

Part #6324W1A001L
BEST SELLER
In Stock
$57.75 | 
8% OFF 
Phone Price: $62.75
Microwave Fuse

See All Related Diagrams

Microwave fuse

Part #3B74133Q
BEST SELLER
This item is not returnable
In Stock
$4.69 | 
18% OFF 
Phone Price: $5.69
Microwave High-Voltage Diode (replaces 6021W3B001N, 6021W3B001Q, 6021W3B001R, 6851W1A002B)

See All Related Diagrams

Microwave high-voltage diode

Part #6021W3B001R
Replaced by #6021W3B001V
?
Manufacturer substitution
This part replaces 6021W3B001R. Substitute parts can look different from the original.
BEST SELLER
This item is not returnable
In Stock
$6.31 | 
14% OFF 
Phone Price: $7.31
Microwave High-Voltage Capacitor (replaces 0CZZW1H001Q, 0CZZW1H002H, 0CZZW1H003H, 0CZZW1H003J, 6120W3H003J, 6120WRH001H)

See All Related Diagrams

Microwave Door Latch Spring#1497

Door parts Diagram

Microwave door latch spring

Part #4970WRA001E
This item is not returnable
In Stock
$4.87 | 
17% OFF 
Phone Price: $5.87
Microwave Thermostat (replaces 6930WRT002F)

See All Related Diagrams

Microwave thermostat (replaces 6930wrt002f)

Part #6930W1A003A
This item is not returnable
In Stock
$8.96 | 
10% OFF 
Phone Price: $9.96
Microwave Latch Body (replaces 3500W1A005A)#4350

Latch board parts Diagram

Microwave latch body (replaces 3500w1a005a)

Part #3500W1A028B
This item is not returnable
In Stock
$13.37 | 
13% OFF 
Phone Price: $15.37
Microwave Screw#WSZ0

Latch board parts Diagram

Microwave screw

Part #4B70188C
This item is not returnable
In Stock
$5.41 | 
16% OFF 
Phone Price: $6.41
Range Wire Harness Retainer

See All Related Diagrams

Range wire harness retainer

Part #4B72510F
This item is not returnable
In Stock
$5.41 | 
16% OFF 
Phone Price: $6.41

Articles and videos common to all microwaves

November 12, 2022

5 Holiday Cleaning Tasks Essential to Boosting Your Home’s Image

Lyle Weischwill

Get tips on completing essential holiday cleaning tasks to brighten your home.

August 19, 2022

Are DIY appliance repairs safe?

Lyle Weischwill

Find out how to stay safe when repairing your appliances.

August 5, 2022

Introducing new technical repair content that we’re developing for the Sears Technical Institute

Lyle Weischwill

Learn about Sears Technical Institute and the advanced technical content being developed for aspiring appliance techs.