Makita
Circular Saw

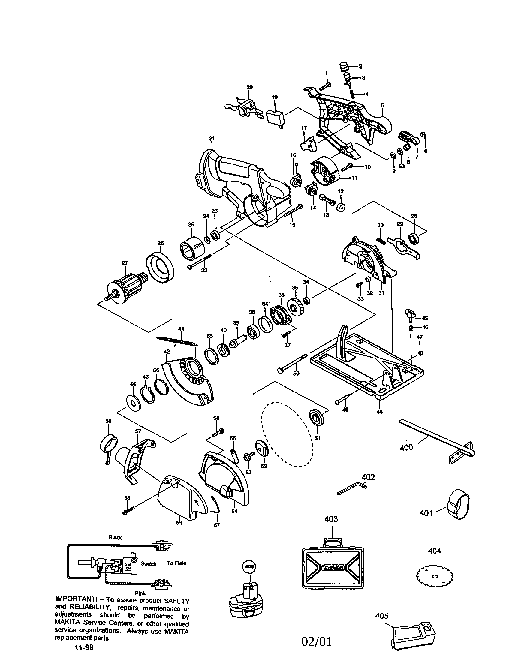
Model #5036DWB Official Makita dustless circular saw

Here are the diagrams and repair parts for Makita 5036DWB dustless circular saw, as well as links to manuals and error code tables, if available.

There are a couple of ways to find the part or diagram you need:

  • Click a diagram to see the parts shown on that diagram.
  • In the search box below, enter all or part of the part number or the part’s name.

Not all parts are shown on the diagrams—those parts are labeled NI, for “not illustrated”.

We encourage you to save the model to your profile, so it’s easy to access parts and manuals for your appliance whenever you log in.

For DIY troubleshooting advice and repair guides, visit our repair help section.

Showing 10 of 68 parts

Spring#41

6" dustless circular saw Diagram

Spring

Part #231821-1

The manufacturer no longer makes this part, and there's no substitute part

Circular Saw Edge Guide#400

6" dustless circular saw Diagram

Circular saw edge guide

Part #164095-8

The manufacturer no longer makes this part, and there's no substitute part

Ball Bearing#34

6" dustless circular saw Diagram

Ball bearing

Part #211014-6

The manufacturer no longer makes this part, and there's no substitute part

Hsh Bolt#53

6" dustless circular saw Diagram

Hsh bolt

Part #266024-8

The manufacturer no longer makes this part, and there's no substitute part

Switch#19

6" dustless circular saw Diagram

Switch

Part #651956-6

The manufacturer no longer makes this part, and there's no substitute part

Screw#45

6" dustless circular saw Diagram

Screw

Part #265701-9

The manufacturer no longer makes this part, and there's no substitute part

Holder#20

6" dustless circular saw Diagram

Holder

Part #643942-1

The manufacturer no longer makes this part, and there's no substitute part

Flange#52

6" dustless circular saw Diagram

Flange

Part #224275-9

The manufacturer no longer makes this part, and there's no substitute part

Bearing#23

6" dustless circular saw Diagram

Bearing

Part #210023-2

The manufacturer no longer makes this part, and there's no substitute part

Flange#51

6" dustless circular saw Diagram

Flange

Part #224151-7

The manufacturer no longer makes this part, and there's no substitute part

Articles and videos for circular saws

June 29, 2022

Top questions about Sears and Sears PartsDirect

By Lyle Weischwill

Get answers to frequently asked questions about Sears and Sears PartsDirect.