LXI
Audio Equipment

Model #56497980150 Official LXI record player

Here are the diagrams and repair parts for LXI 56497980150 record player, as well as links to manuals and error code tables, if available.

There are a couple of ways to find the part or diagram you need:

  • Click a diagram to see the parts shown on that diagram.
  • In the search box below, enter all or part of the part number or the part’s name.

Not all parts are shown on the diagrams—those parts are labeled NI, for “not illustrated”.

We encourage you to save the model to your profile, so it’s easy to access parts and manuals for your appliance whenever you log in.

For DIY troubleshooting advice and repair guides, visit our repair help section.

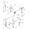
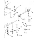
    Showing 10 of 62 parts

    Terminal Str

    #NI

    All parts Diagram

    Terminal str

    Part #76-147-0

    The manufacturer no longer makes this part, and there's no substitute part

    Base Elev

    #25

    All parts Diagram

    Base elev

    Part #46-11451-3

    The manufacturer no longer makes this part, and there's no substitute part

    Fuse Holder

    #NI

    All parts Diagram

    Fuse holder

    Part #22-462-1

    The manufacturer no longer makes this part, and there's no substitute part

    Fuse 1.25a

    #NI

    All parts Diagram

    Fuse 1.25a

    Part #46-4393-3

    The manufacturer no longer makes this part, and there's no substitute part

    Adapter

    #22

    All parts Diagram

    Adapter

    Part #46-39638-3

    The manufacturer no longer makes this part, and there's no substitute part

    Selector Switch

    #NI

    All parts Diagram

    Selector switch

    Part #46-69406-3

    The manufacturer no longer makes this part, and there's no substitute part

    Steel Ball

    #34

    All parts Diagram

    Steel ball

    Part #46-2681-3

    The manufacturer no longer makes this part, and there's no substitute part

    Cord Assembly

    #NI

    All parts Diagram

    Cord assembly

    Part #46-23258-3

    The manufacturer no longer makes this part, and there's no substitute part

    Lifter Plate

    #8

    All parts Diagram

    Lifter plate

    Part #46-22772-3

    The manufacturer no longer makes this part, and there's no substitute part

    Switch Bracket

    #46

    All parts Diagram

    Switch bracket

    Part #46-11387-3

    The manufacturer no longer makes this part, and there's no substitute part