Craftsman
Snowblower

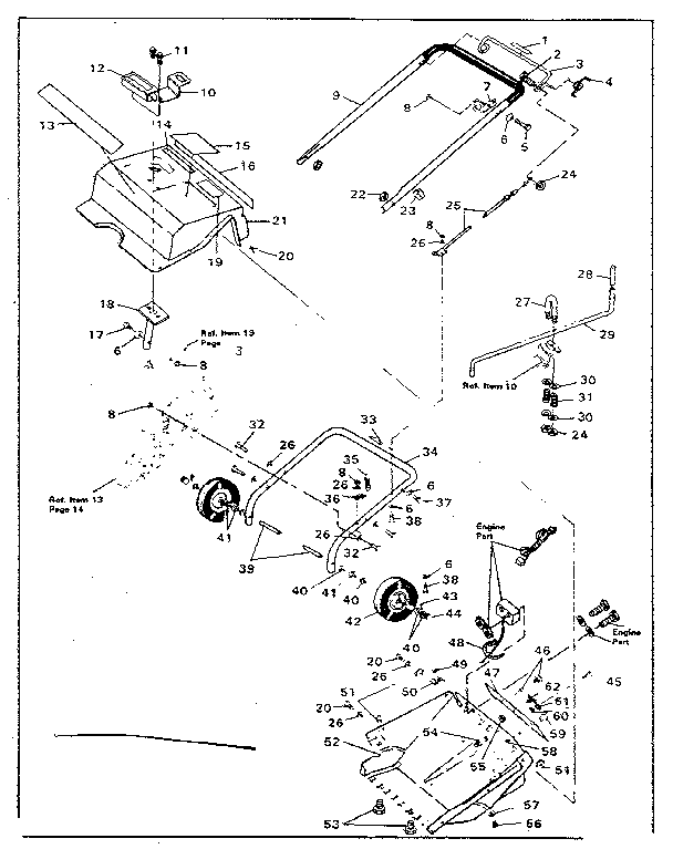
Model #536883401 Official Craftsman 20" snow blower

Here are the diagrams and repair parts for Craftsman 536883401 20" snow blower, as well as links to manuals and error code tables, if available.

There are a couple of ways to find the part or diagram you need:

  • Click a diagram to see the parts shown on that diagram.
  • In the search box below, enter all or part of the part number or the part’s name.

Not all parts are shown on the diagrams—those parts are labeled NI, for “not illustrated”.

We encourage you to save the model to your profile, so it’s easy to access parts and manuals for your appliance whenever you log in.

For DIY troubleshooting advice and repair guides, visit our repair help section.

Showing 10 of 123 parts

Snowblower Nut

See All Related Diagrams

Lock nut

Part #9424215
Replaced by #703251
?
Manufacturer substitution
This part replaces 9424215. Substitute parts can look different from the original.
BEST SELLER
In Stock
$8.07 | 
11% OFF 
Phone Price: $9.07
Snowblower Auger Drive Belt, 9/16 x 35-7/8-in#40

Auger housing assembly Diagram

V-belt

Part #48922
Replaced by #319596MA
?
Manufacturer substitution
This part replaces 48922. Substitute parts can look different from the original.

Get free shipping with Automatic Reorder

In Stock
$31.01 | 
14% OFF 
Phone Price: $36.01
Snowblower Scraper Blade#55

Auger housing assembly Diagram

Scraper

Part #55323
Replaced by #55323MA
?
Manufacturer substitution
This part replaces 55323. Substitute parts can look different from the original.

Get free shipping with Automatic Reorder

In Stock
$47.89 | 
9% OFF 
Phone Price: $52.89
Snowblower Flange Bearing#12

Auger housing assembly Diagram

Bearing assembly

Part #54837
Replaced by #577023MA
?
Manufacturer substitution
This part replaces 54837. Substitute parts can look different from the original.
In Stock
$9.59 | 
9% OFF 
Phone Price: $10.59
Lawn & Garden Equipment Lock Nut#36

Auger housing assembly Diagram

Lock nut

Part #41529
Replaced by #41529MA
?
Manufacturer substitution
This part replaces 41529. Substitute parts can look different from the original.
This item is not returnable
In Stock
$6.69 | 
13% OFF 
Phone Price: $7.69
Lock Nut

See All Related Diagrams

Lock nut

Part #9413447

The manufacturer no longer makes this part, and there's no substitute part

Snowblower Chute Ring Keeper#7

Auger housing assembly Diagram

Guide

Part #51276
Replaced by #577021MA
?
Manufacturer substitution
This part replaces 51276. Substitute parts can look different from the original.
This item is not returnable
In Stock
$7.61 | 
12% OFF 
Phone Price: $8.61
Snowblower Ground Drive Belt#73

Auger housing assembly Diagram

Information

Part #53790
Replaced by #313918MA
?
Manufacturer substitution
This part replaces 53790. Substitute parts can look different from the original.

Get free shipping with Automatic Reorder

In Stock
$28.59 | 
15% OFF 
Phone Price: $33.59
Snowblower Auger Bearing and Plate Assembly#45

Auger housing assembly Diagram

Bearing

Part #54573
Replaced by #583459MA
?
Manufacturer substitution
This part replaces 54573. Substitute parts can look different from the original.
This item is not returnable
In Stock
$36.49 | 
12% OFF 
Phone Price: $41.49
Lawn & Garden Equipment Flat Washer

See All Related Diagrams

Washer

Part #120392
Replaced by #120392MA
?
Manufacturer substitution
This part replaces 120392. Substitute parts can look different from the original.
This item is not returnable
In Stock
$4.46

Articles and videos common to all snowblowers

December 12, 2022

How to adjust the snowblower auger control

By Lyle Weischwill

This video shows how to adjust a snowblower's auger control.

December 8, 2022

How to lubricate a snowblower drive hex shaft video

By Lyle Weischwill

This short video shows how to lubricate a snowblower drive hex shaft.

November 17, 2022

What are the major parts of a snowblower?

By Lyle Weischwill

Learn about major functional parts of your snowblower and when to replace them.