GE
Central Air Conditioner

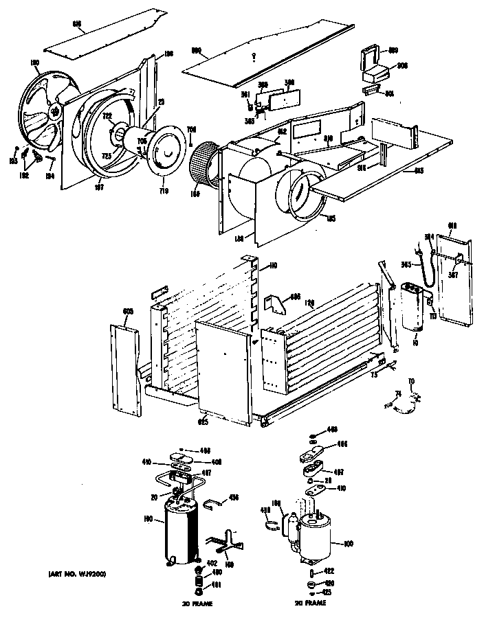
Model #AD910FMQ3 Official GE air conditioner

Here are the diagrams and repair parts for GE AD910FMQ3 air conditioner, as well as links to manuals and error code tables, if available.

There are a couple of ways to find the part or diagram you need:

  • Click a diagram to see the parts shown on that diagram.
  • In the search box below, enter all or part of the part number or the part’s name.

Not all parts are shown on the diagrams—those parts are labeled NI, for “not illustrated”.

We encourage you to save the model to your profile, so it’s easy to access parts and manuals for your appliance whenever you log in.

For DIY troubleshooting advice and repair guides, visit our repair help section.

Showing 10 of 169 parts

Screw#975

Cabinet/grille Diagram

Screw

Part #WZ4X375
This item is not returnable
In Stock
$4.49
Nut#919

Cabinet/grille Diagram

Nut

Part #WZ7X49
This item is not returnable
In Stock
$6.49
Clamp

#NI

All parts Diagram

Clamp

Part #WJ3X284
This item is not returnable
In Stock
$3.99
Retaining Ring

#NI

All parts Diagram

Retaining ring

Part #WJ2X281
This item is not returnable
In Stock
$2.29
Screw

#NI

All parts Diagram

Screw

Part #WZ4X362
This item is not returnable
In Stock
$4.99
Screw

#NI

All parts Diagram

Screw

Part #WZ4X283
This item is not returnable
In Stock
$6.49
Screw

#NI

All parts Diagram

Screw

Part #WZ4X345
This item is not returnable
In Stock
$3.99
Level Bolt#969

Cabinet/grille Diagram

Level bolt

Part #WZ2X29
This item is not returnable
In Stock
$2.29
Screw

#NI

All parts Diagram

Screw

Part #WZ4X386
This item is not returnable
In Stock
$3.49
NAMEPLATE (DIRT ALERT)#218

Cabinet/grille Diagram

Nameplate (dirt alert)

Part #WJ7X620

The manufacturer no longer makes this part, and there's no substitute part

Articles and videos common to all central air conditioners

October 24, 2022

Easy DIY appliance repairs that anyone can do

Lyle Weischwill

Get advice on simple DIY fixes for appliances that you can safely do on your own.

August 5, 2022

Introducing new technical repair content that we’re developing for the Sears Technical Institute

Lyle Weischwill

Learn about Sears Technical Institute and the advanced technical content being developed for aspiring appliance techs.

June 29, 2022

Top questions about Sears and Sears PartsDirect

Lyle Weischwill

Get answers to frequently asked questions about Sears and Sears PartsDirect.