Schwank
Wall Heater

Model #WASV730SEL Official Schwank direct vent wall furnace

Here are the diagrams and repair parts for Schwank WASV730SEL direct vent wall furnace, as well as links to manuals and error code tables, if available.

There are a couple of ways to find the part or diagram you need:

  • Click a diagram to see the parts shown on that diagram.
  • In the search box below, enter all or part of the part number or the part’s name.

Not all parts are shown on the diagrams—those parts are labeled NI, for “not illustrated”.

We encourage you to save the model to your profile, so it’s easy to access parts and manuals for your appliance whenever you log in.

For DIY troubleshooting advice and repair guides, visit our repair help section.

Showing 10 of 52 parts

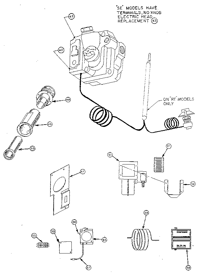
Gas Valve Thermocouple#36

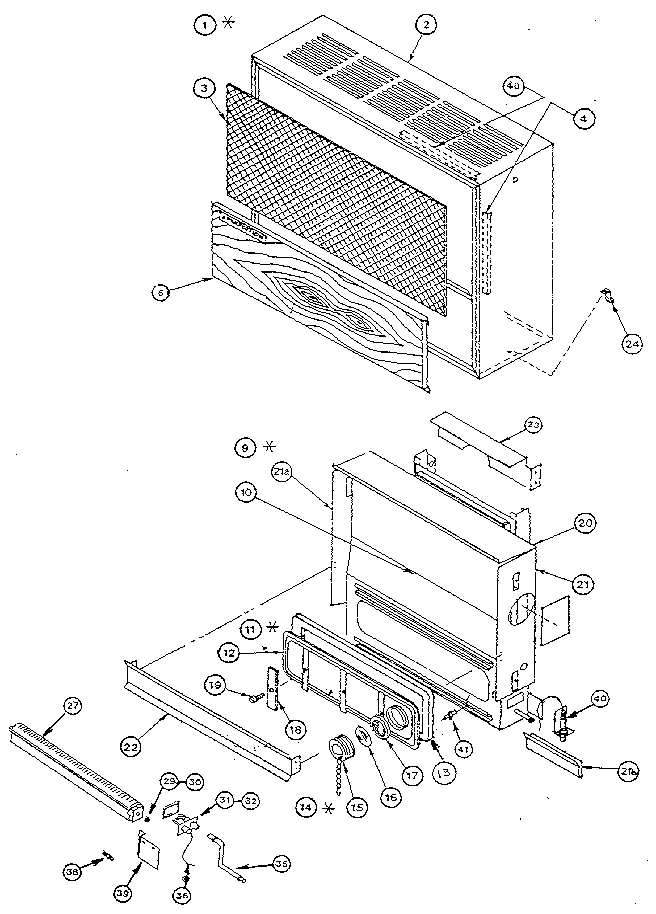
Cabinet and control Diagram

Generator

Part #B110403-G1
Replaced by #GO1A-332
?
Manufacturer substitution
This part replaces B110403-G1. Substitute parts can look different from the original.
In Stock
$66.49
White-Rodgers Furnace Wall-Mounted Thermostat#58

Functional replacement parts Diagram

Thermostat

Part #A110621-G1
Replaced by #1E30N-910
?
Manufacturer substitution
This part replaces A110621-G1. Substitute parts can look different from the original.
In Stock
$81.43 | 
6% OFF 
Phone Price: $86.43
Cap Assembly#15

Cabinet and control Diagram

Cap assembly

Part #A106582-G4

The manufacturer no longer makes this part, and there's no substitute part

Burner#27

Cabinet and control Diagram

Burner

Part #D110614-G1

The manufacturer no longer makes this part, and there's no substitute part

Mnt Plate Ay#47

Functional replacement parts Diagram

Mnt plate ay

Part #D110391-G1-1

The manufacturer no longer makes this part, and there's no substitute part

Gasket#13

Cabinet and control Diagram

Gasket

Part #B110633-G1

The manufacturer no longer makes this part, and there's no substitute part

Orifice#30

Cabinet and control Diagram

Orifice

Part #CW1387-G24

The manufacturer no longer makes this part, and there's no substitute part

Comb Chamber#9

Cabinet and control Diagram

Comb chamber

Part #D110627-G2

The manufacturer no longer makes this part, and there's no substitute part

Regulator#42

Functional replacement parts Diagram

Regulator

Part #B110405-G7

The manufacturer no longer makes this part, and there's no substitute part

Clamp#18

Cabinet and control Diagram

Clamp

Part #B110025-G1

The manufacturer no longer makes this part, and there's no substitute part