Generac
Generator

Model #XG7000-5797-0 Official Generac generator

Here are the diagrams and repair parts for Generac XG7000-5797-0 generator, as well as links to manuals and error code tables, if available.

There are a couple of ways to find the part or diagram you need:

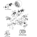
  • Click a diagram to see the parts shown on that diagram.
  • In the search box below, enter all or part of the part number or the part’s name.

Not all parts are shown on the diagrams—those parts are labeled NI, for “not illustrated”.

We encourage you to save the model to your profile, so it’s easy to access parts and manuals for your appliance whenever you log in.

For DIY troubleshooting advice and repair guides, visit our repair help section.

Owner’s manual

    Showing 10 of 211 parts

    Generator Air Filter#48

    Engine 2 Diagram

    Generator air filter

    Part #073111

    The manufacturer no longer makes this part, and there's no substitute part

    Generator Air Filter Base Gasket#42

    Engine 2 Diagram

    Generator air filter base gasket

    Part #090970

    The manufacturer no longer makes this part, and there's no substitute part

    Generator Fuel Gauge#48

    Frame assy Diagram

    In Stock
    $17.71
    Generator Recoil Starter Assembly#4

    Engine 2 Diagram

    In Stock
    $102.32
    Lawn & Garden Equipment Engine Cylinder Head Gasket#17

    Engine 1 Diagram

    Lawn & garden equipment engine cylinder head gasket

    Part #021713B
    This item is not returnable
    In Stock
    $4.69 | 
    18% OFF 
    Phone Price: $5.69
    Generator Motor Brush Assembly#59

    Frame assy Diagram

    Generator motor brush assembly

    Part #0H0919
    This item is not returnable
    In Stock
    $5.82
    Pressure Washer Engine Push Rod#30

    Engine 1 Diagram

    In Stock
    $12.97
    Generator Breather Hose#13

    Engine 2 Diagram

    In Stock
    $26.44
    Generator Handle Stop Retainer#29

    Frame assy Diagram

    Generator handle stop retainer

    Part #0G5442
    This item is not returnable
    In Stock
    $2.16
    Generator Fuel Filter#44

    Frame assy Diagram

    Generator fuel filter

    Part #0H1326
    This item is not returnable
    In Stock
    $6.02