Kenmore
Blender

Model #400829104 Official Kenmore blender

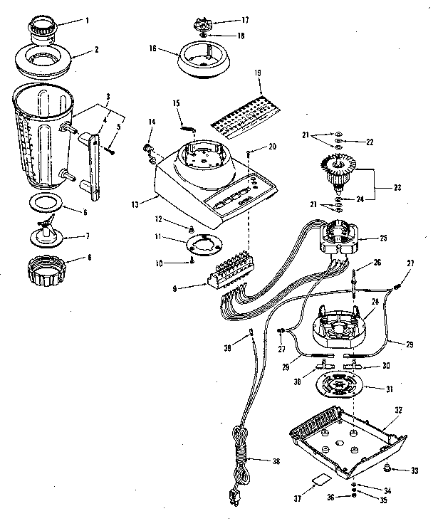
Here are the diagrams and repair parts for Kenmore 400829104 blender, as well as links to manuals and error code tables, if available.

There are a couple of ways to find the part or diagram you need:

  • Click a diagram to see the parts shown on that diagram.
  • In the search box below, enter all or part of the part number or the part’s name.

Not all parts are shown on the diagrams—those parts are labeled NI, for “not illustrated”.

We encourage you to save the model to your profile, so it’s easy to access parts and manuals for your appliance whenever you log in.

For DIY troubleshooting advice and repair guides, visit our repair help section.

Showing 10 of 40 parts

Terminal#39

Replacement parts Diagram

Terminal

Part #4601-187-0000

The manufacturer no longer makes this part, and there's no substitute part

Cutting Unit#7

Replacement parts Diagram

Cutting unit

Part #6119-654-0000

The manufacturer no longer makes this part, and there's no substitute part

Screw#20

Replacement parts Diagram

Screw

Part #4101-006-2024

The manufacturer no longer makes this part, and there's no substitute part

Screw#5

Replacement parts Diagram

Screw

Part #4106-008-1803

The manufacturer no longer makes this part, and there's no substitute part

Screw#10

Replacement parts Diagram

Screw

Part #4106-006-2001

The manufacturer no longer makes this part, and there's no substitute part

Nut#27

Replacement parts Diagram

Nut

Part #3125-210-0000

The manufacturer no longer makes this part, and there's no substitute part

Field#25

Replacement parts Diagram

Field

Part #6048-650-0011

The manufacturer no longer makes this part, and there's no substitute part

Lockwashr#35

Replacement parts Diagram

Lockwashr

Part #4401-168-2000

The manufacturer no longer makes this part, and there's no substitute part

Fill Cap#1

Replacement parts Diagram

Fill cap

Part #3108-263-0000

The manufacturer no longer makes this part, and there's no substitute part

Clutch#17

Replacement parts Diagram

Clutch

Part #3224-654-0500

The manufacturer no longer makes this part, and there's no substitute part