Technics
Audio Equipment

Model #SL-1210M5GPP Official Technics turntable

Here are the diagrams and repair parts for Technics SL-1210M5GPP turntable, as well as links to manuals and error code tables, if available.

There are a couple of ways to find the part or diagram you need:

  • Click a diagram to see the parts shown on that diagram.
  • In the search box below, enter all or part of the part number or the part’s name.

Not all parts are shown on the diagrams—those parts are labeled NI, for “not illustrated”.

We encourage you to save the model to your profile, so it’s easy to access parts and manuals for your appliance whenever you log in.

For DIY troubleshooting advice and repair guides, visit our repair help section.

Showing 10 of 90 parts

Nameplate#18

Cabinet parts Diagram

Nameplate

Part #RGN2484-K

The manufacturer no longer makes this part, and there's no substitute part

Screw#91

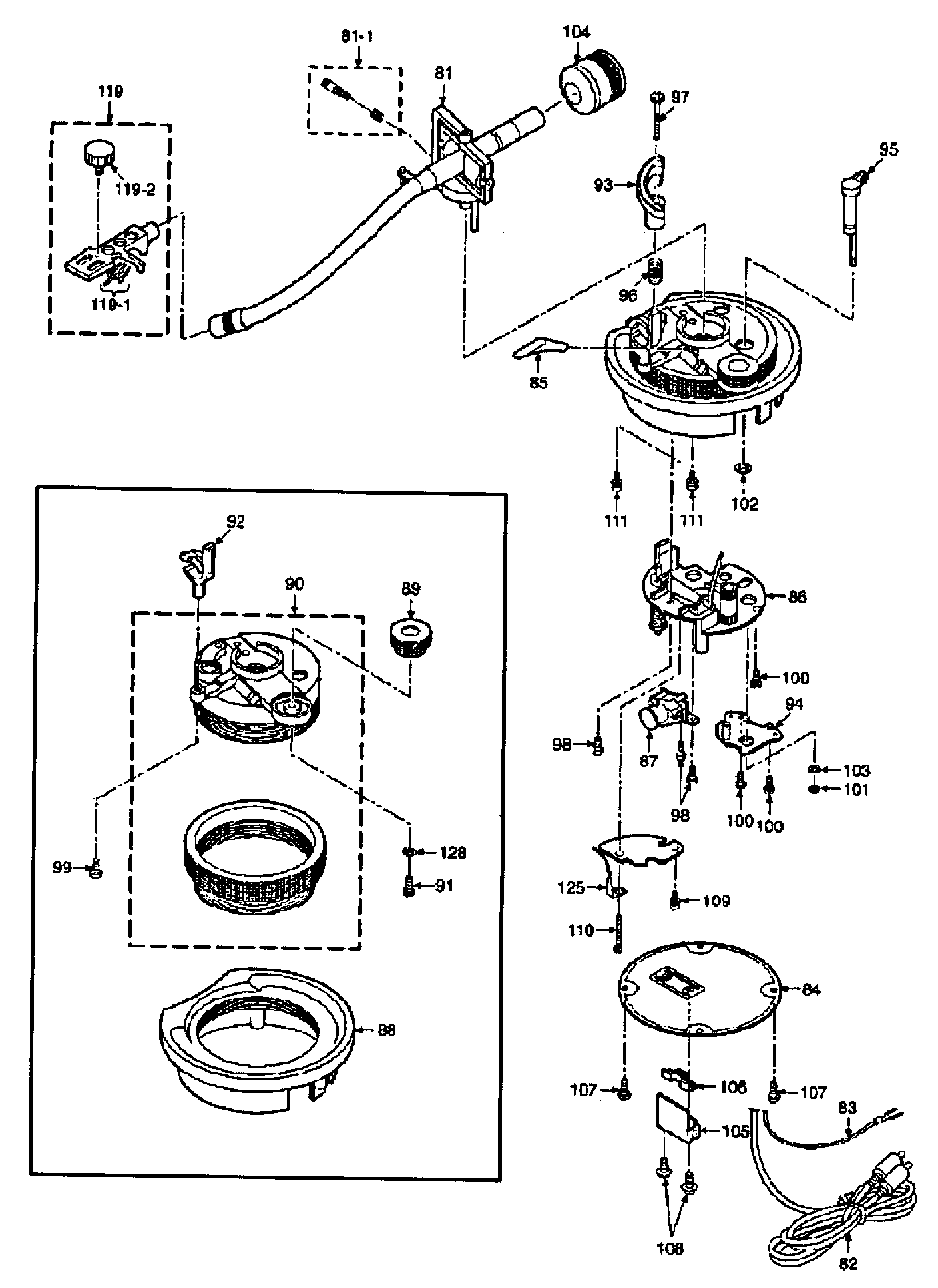
Arm assy Diagram

Screw

Part #XTW266S

The manufacturer no longer makes this part, and there's no substitute part

Button#28

Cabinet parts Diagram

Button

Part #SFKT015-063A

The manufacturer no longer makes this part, and there's no substitute part

Spring#45

Cabinet parts Diagram

Spring

Part #SFQA122-02

The manufacturer no longer makes this part, and there's no substitute part

Rubber#44

Cabinet parts Diagram

Rubber

Part #SFGZ122-021

The manufacturer no longer makes this part, and there's no substitute part

Cover#118

Top assy Diagram

Cover

Part #SFUM172-054

The manufacturer no longer makes this part, and there's no substitute part

Cover#1131

Top assy Diagram

Cover

Part #RMG0483-K

The manufacturer no longer makes this part, and there's no substitute part

AC Cord#65

Top assy Diagram

Ac cord

Part #SFUP122M12E2

The manufacturer no longer makes this part, and there's no substitute part

Plate#84

Arm assy Diagram

Plate

Part #SFPZB12203-1

The manufacturer no longer makes this part, and there's no substitute part

Kit Wire#7

Top assy Diagram

Kit wire

Part #REZ1547

The manufacturer no longer makes this part, and there's no substitute part