Skil
Angle Grinder

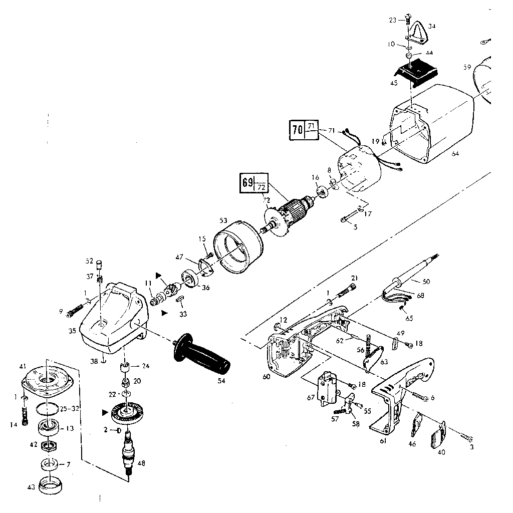
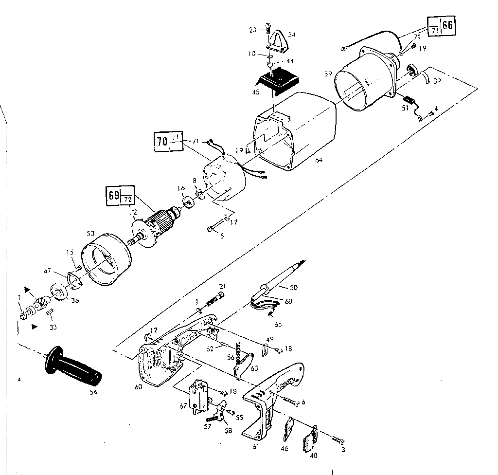
Model #987 TYPE 1 Official Skil disc sander/grinder - 985 & 987

Here are the diagrams and repair parts for Skil 987-TYPE-1 disc sander/grinder - 985 & 987, as well as links to manuals and error code tables, if available.

There are a couple of ways to find the part or diagram you need:

  • Click a diagram to see the parts shown on that diagram.
  • In the search box below, enter all or part of the part number or the part’s name.

Not all parts are shown on the diagrams—those parts are labeled NI, for “not illustrated”.

We encourage you to save the model to your profile, so it’s easy to access parts and manuals for your appliance whenever you log in.

For DIY troubleshooting advice and repair guides, visit our repair help section.

Showing 10 of 69 parts

Needle#24

Armature assembly Diagram

Needle

Part #312648

The manufacturer no longer makes this part, and there's no substitute part

Field Assembly

See All Related Diagrams

Field assembly

Part #314443

The manufacturer no longer makes this part, and there's no substitute part

Screw

See All Related Diagrams

Screw

Part #1137

The manufacturer no longer makes this part, and there's no substitute part

Cover

See All Related Diagrams

Cover

Part #315311

The manufacturer no longer makes this part, and there's no substitute part

Insert#44

Armature assembly Diagram

Insert

Part #315321

The manufacturer no longer makes this part, and there's no substitute part

Bracket

See All Related Diagrams

Bracket

Part #315346

The manufacturer no longer makes this part, and there's no substitute part

Nut

See All Related Diagrams

Nut

Part #26327

The manufacturer no longer makes this part, and there's no substitute part

Terminal

See All Related Diagrams

Terminal

Part #316596

The manufacturer no longer makes this part, and there's no substitute part

Screw

See All Related Diagrams

Screw

Part #27900

The manufacturer no longer makes this part, and there's no substitute part

Screw

See All Related Diagrams

Screw

Part #67123

The manufacturer no longer makes this part, and there's no substitute part