Kenmore
Countertop Microwave

Model #7218901391 Official Kenmore microwave

Here are the diagrams and repair parts for Kenmore 7218901391 microwave, as well as links to manuals and error code tables, if available.

There are a couple of ways to find the part or diagram you need:

  • Click a diagram to see the parts shown on that diagram.
  • In the search box below, enter all or part of the part number or the part’s name.

Not all parts are shown on the diagrams—those parts are labeled NI, for “not illustrated”.

We encourage you to save the model to your profile, so it’s easy to access parts and manuals for your appliance whenever you log in.

For DIY troubleshooting advice and repair guides, visit our repair help section.

Showing 10 of 64 parts

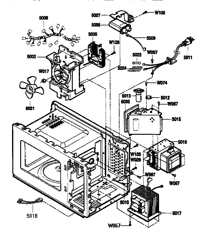
Microwave Light Bulb#5013

Oven interior Diagram

Lamp

Part #505975
Replaced by #6912W3B002L
?
Manufacturer substitution
This part replaces 505975. Substitute parts can look different from the original.
BEST SELLER
This item is not returnable
In Stock
$9.57 | 
9% OFF 
Phone Price: $10.57
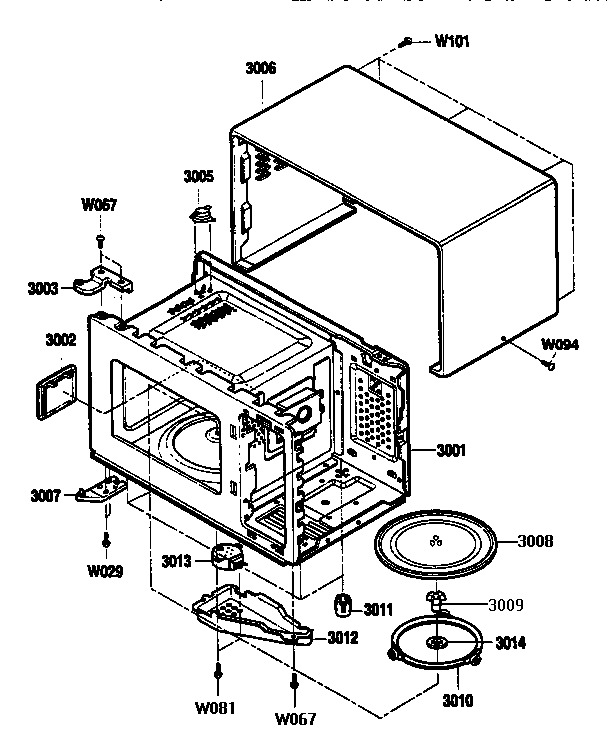
Microwave Switch#4002

Latch board Diagram

Microwave switch

Part #505163

The manufacturer no longer makes this part, and there's no substitute part

Fuse 15a#5022

Oven interior Diagram

Fuse 15a

Part #500081

The manufacturer no longer makes this part, and there's no substitute part

Microwave Cooling Fan Blade#5001

Oven interior Diagram

Propeller

Part #502418
Replaced by #5900W1A004C
?
Manufacturer substitution
This part replaces 502418. Substitute parts can look different from the original.
This item is not returnable
In Stock
$5.41 | 
16% OFF 
Phone Price: $6.41
Microwave Screw#W081

Oven cavity Diagram

Pan head t

Part #502612
Replaced by #1TPL0402418
?
Manufacturer substitution
This part replaces 502612. Substitute parts can look different from the original.
This item is not returnable
In Stock
$14.26
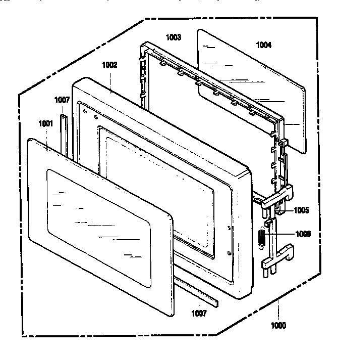
Microwave Door Release Button Spring#2002

Control panel Diagram

Spring

Part #500359
Replaced by #4B72023A
?
Manufacturer substitution
This part replaces 500359. Substitute parts can look different from the original.
This item is not returnable
In Stock
$5.41 | 
16% OFF 
Phone Price: $6.41
Hex Nut#W017

Oven interior Diagram

Hex nut

Part #500087

The manufacturer no longer makes this part, and there's no substitute part

High Voltage#5017

Oven interior Diagram

Transformer

Part #507016
Replaced by #6010WRH005A
?
Manufacturer substitution
This part replaces 507016. Substitute parts can look different from the original.
In Stock
$37.49
Microwave Screw#W094

Oven cavity Diagram

Truss head

Part #504672
Replaced by #1TTG0402422
?
Manufacturer substitution
This part replaces 504672. Substitute parts can look different from the original.
This item is not returnable
In Stock
$5.41 | 
16% OFF 
Phone Price: $6.41
Microwave Screw

See All Related Diagrams

Screw

Part #501098
Replaced by #1SBF0402418
?
Manufacturer substitution
This part replaces 501098. Substitute parts can look different from the original.
This item is not returnable
In Stock
$5.41 | 
16% OFF 
Phone Price: $6.41

Articles and videos common to all microwaves

November 12, 2022

5 Holiday Cleaning Tasks Essential to Boosting Your Home’s Image

By Lyle Weischwill

Get tips on completing essential holiday cleaning tasks to brighten your home.

August 19, 2022

Are DIY appliance repairs safe?

By Lyle Weischwill

Find out how to stay safe when repairing your appliances.

August 5, 2022

Introducing new technical repair content that we’re developing for the Sears Technical Institute

By Lyle Weischwill

Learn about Sears Technical Institute and the advanced technical content being developed for aspiring appliance techs.