Ryobi
Drill/Driver

Model #PD-1921V Official Ryobi impact drill

Here are the diagrams and repair parts for Ryobi PD-1921V impact drill, as well as links to manuals and error code tables, if available.

There are a couple of ways to find the part or diagram you need:

  • Click a diagram to see the parts shown on that diagram.
  • In the search box below, enter all or part of the part number or the part’s name.

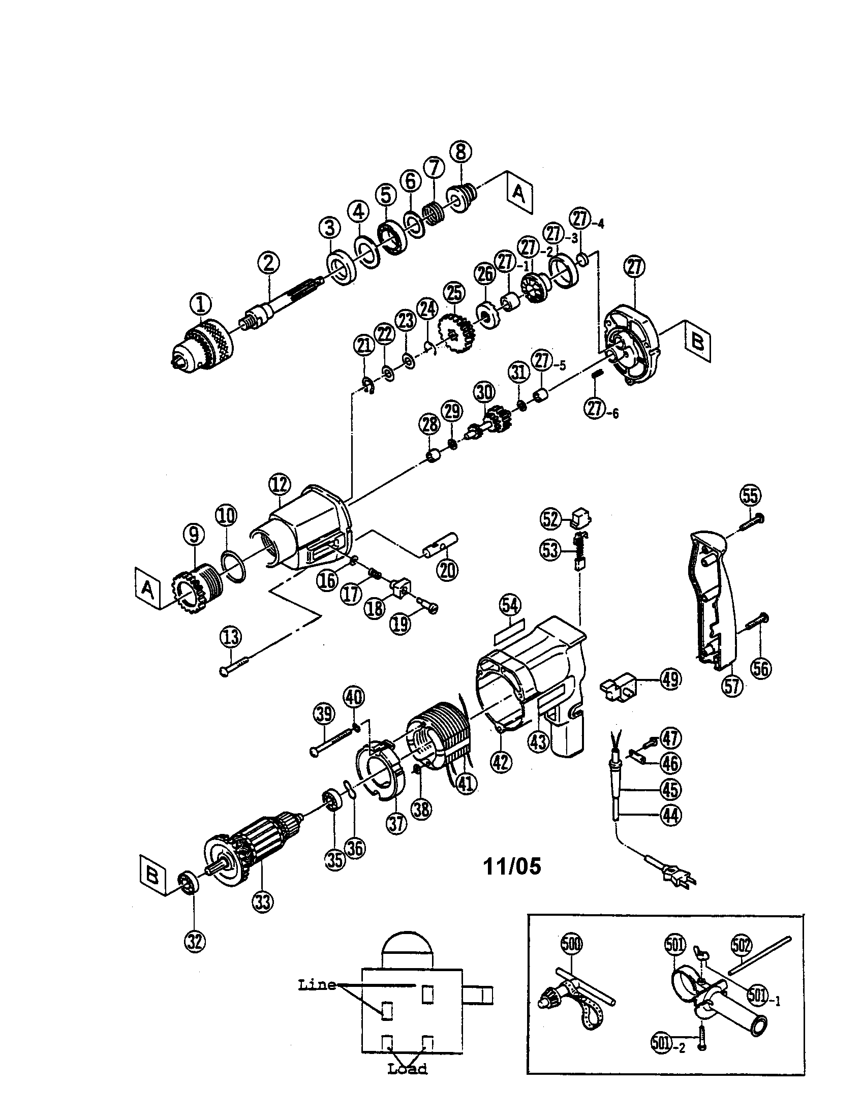
Not all parts are shown on the diagrams—those parts are labeled NI, for “not illustrated”.

We encourage you to save the model to your profile, so it’s easy to access parts and manuals for your appliance whenever you log in.

For DIY troubleshooting advice and repair guides, visit our repair help section.

Showing 10 of 61 parts

Brand Seal#54

Impact drill Diagram

Brand seal

Part #6920003
This item is not returnable
In Stock
$2.16
Ball Bearing#35

Impact drill Diagram

Ball bearing

Part #9840627

The manufacturer no longer makes this part, and there's no substitute part

Bearing#5

Impact drill Diagram

Bearing

Part #969235004

The manufacturer no longer makes this part, and there's no substitute part

Compression Spring#17

Impact drill Diagram

Compression spring

Part #6180202

The manufacturer no longer makes this part, and there's no substitute part

HANDLE COVER (11)#57

Impact drill Diagram

Handle cover (11)

Part #6830936

The manufacturer no longer makes this part, and there's no substitute part

Thrust Washer#6

Impact drill Diagram

Thrust washer

Part #69000396

The manufacturer no longer makes this part, and there's no substitute part

Washer

See All Related Diagrams

Washer

Part #6900103

The manufacturer no longer makes this part, and there's no substitute part

Oil Seal#3

Impact drill Diagram

Oil seal

Part #6930065

The manufacturer no longer makes this part, and there's no substitute part

TAPPING SCREW (B) M4 X 55#39

Impact drill Diagram

Tapping screw (b) m4 x 55

Part #9060455

The manufacturer no longer makes this part, and there's no substitute part

FIXED CLUTCH#27-2

Impact drill Diagram

Fixed clutch

Part #6190131

The manufacturer no longer makes this part, and there's no substitute part