Jenn-Air
Electric Cooktop

Model #JED8130ADB Official Jenn-Air electric counter unit

Here are the diagrams and repair parts for Jenn-Air JED8130ADB electric counter unit, as well as links to manuals and error code tables, if available.

There are a couple of ways to find the part or diagram you need:

  • Click a diagram to see the parts shown on that diagram.
  • In the search box below, enter all or part of the part number or the part’s name.

Not all parts are shown on the diagrams—those parts are labeled NI, for “not illustrated”.

We encourage you to save the model to your profile, so it’s easy to access parts and manuals for your appliance whenever you log in.

For DIY troubleshooting advice and repair guides, visit our repair help section.

Owner’s manualError Codes

Showing 10 of 85 parts

Range Downdraft Vent Grease Filter#11

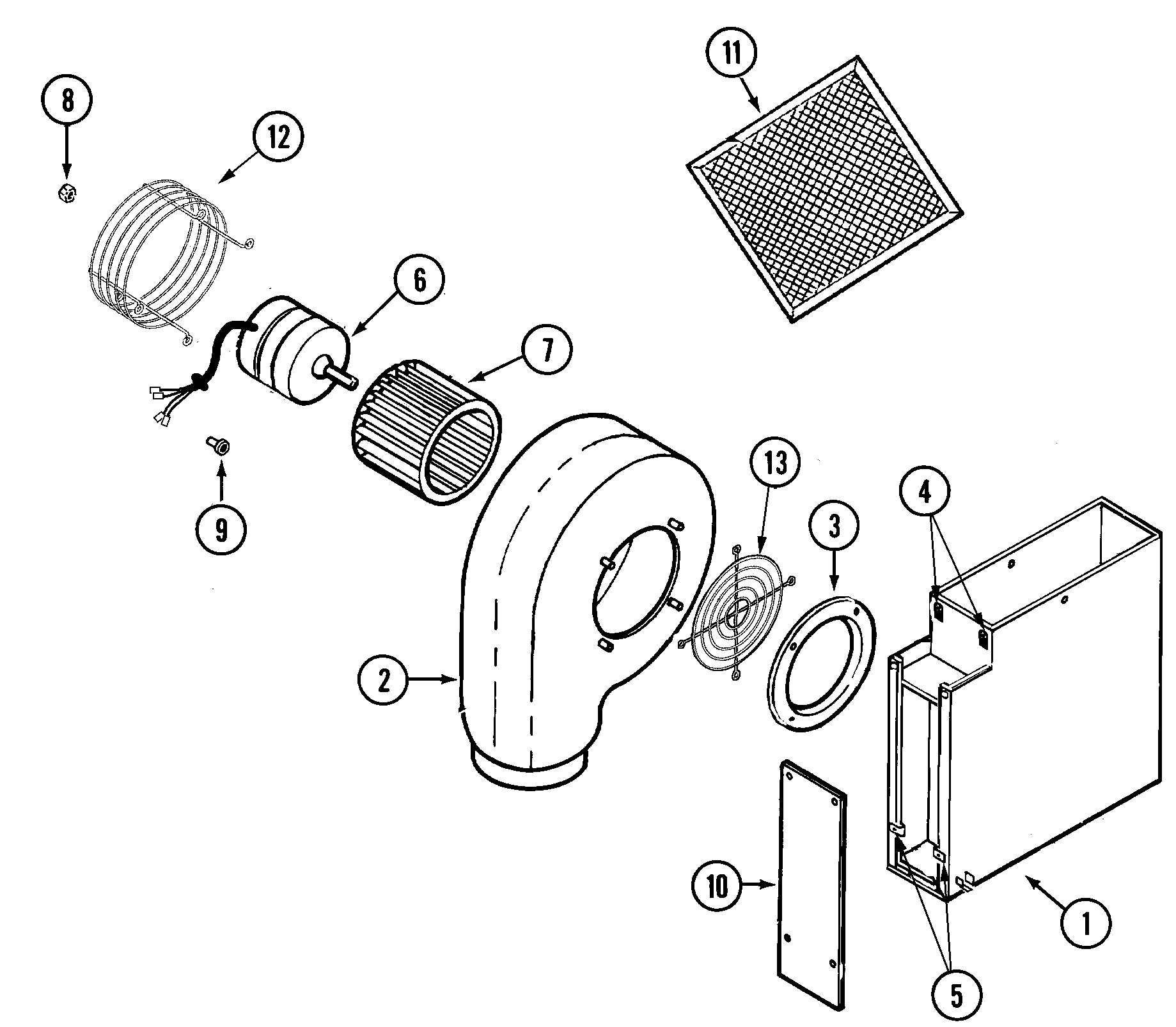
Blower plenum Diagram

Range downdraft vent grease filter

Part #707929
Replaced by #WP707929
?
Manufacturer substitution
This part replaces 707929. Substitute parts can look different from the original.
BEST SELLER
In Stock
$25.09 | 
17% OFF 
Phone Price: $30.09
Range Coil Surface Element, 6-in#24A

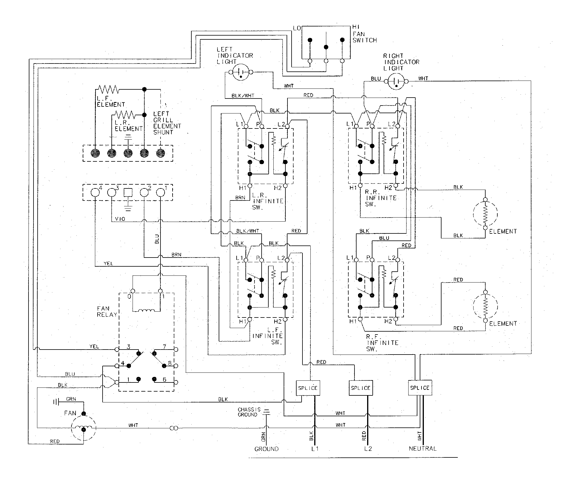
Top assembly Diagram

Surface element

Part #74007161
Replaced by #WP660532
?
Manufacturer substitution
This part replaces 74007161. Substitute parts can look different from the original.
In Stock
$29.78 | 
31% OFF 
MSRP: $43.00
Refrigerator Screw

See All Related Diagrams

Screw (#8ab)

Part #71001183
Replaced by #W11233072
?
Manufacturer substitution
This part replaces 71001183. Substitute parts can look different from the original.
In Stock
$16.79 | 
11% OFF 
Phone Price: $18.79
Range Coil Surface Element, 8-in#25

Top assembly Diagram

Element (8")

Part #74005447
Replaced by #WPY04100166
?
Manufacturer substitution
This part replaces 74005447. Substitute parts can look different from the original.
In Stock
$33.39 | 
13% OFF 
Phone Price: $38.39
Cooktop Indicator Light#4

Top assembly Diagram

Cooktop indicator light

Part #74005790
This item is not returnable
In Stock
$6.49 | 
13% OFF 
Phone Price: $7.49
Range Surface Burner Knob#6

Top assembly Diagram

Surface knob

Part #74005801
Replaced by #WP7737P193-60
?
Manufacturer substitution
This part replaces 74005801. Substitute parts can look different from the original.
This item is not returnable
In Stock
$16.99 | 
11% OFF 
Phone Price: $18.99
Cooktop Fan Switch#22

Top assembly Diagram

Fan control

Part #74005805
Replaced by #W10341820
?
Manufacturer substitution
This part replaces 74005805. Substitute parts can look different from the original.
In Stock
$135.23 | 
36% OFF 
MSRP: $210.00
Range Terminal Block#14

Top assembly Diagram

Terminal block

Part #708730
Replaced by #WPY708730
?
Manufacturer substitution
This part replaces 708730. Substitute parts can look different from the original.
In Stock
$41.19 | 
11% OFF 
Phone Price: $46.19
Cooktop Fan Switch#22A

Top assembly Diagram

Fan control

Part #74005806
Replaced by #W10341820
?
Manufacturer substitution
This part replaces 74005806. Substitute parts can look different from the original.
In Stock
$135.23 | 
36% OFF 
MSRP: $210.00
Range Surface Element Receptacle Kit#15

Top assembly Diagram

Range element receptacle kit

Part #74007474
Replaced by #WP74007474
?
Manufacturer substitution
This part replaces 74007474. Substitute parts can look different from the original.
In Stock
$51.99 | 
9% OFF 
Phone Price: $56.99

Symptoms common to all cooktops

Choose a symptom to see related cooktop repairs.

Main causes: lack of electrical power, gas supply failure, bad pressure regulator, control system failure

Repair guides for electric cooktops

How to replace a coil surface element on an electric cooktop

Easily replace a coil surface element in 15 minutes or less by following these step-by-step instructions.

Repair difficulty
Time required
 15 minutes or less
November 20, 2014
By Lyle Weischwill
How to replace the glass top on an electric cooktop

Don't use a cracked or damage glass cooktop—replace it, using these instructions to guide you.

Repair difficulty
Time required
 30 minutes or less
How to replace a radiant element on an electric cooktop

Follow these step-by-step instructions to replace a damaged radiant element on your electric cooktop when the element won’t heat when it receives voltage from the control.

Repair difficulty
Time required
 45 minutes or less

Articles and videos common to all cooktops

Use the advice and tips in these articles and videos to get the most out of your cooktop.

November 12, 2022

5 Holiday Cleaning Tasks Essential to Boosting Your Home’s Image

By Lyle Weischwill

Get tips on completing essential holiday cleaning tasks to brighten your home.

August 19, 2022

Are DIY appliance repairs safe?

By Lyle Weischwill

Find out how to stay safe when repairing your appliances.

July 9, 2021

How to clean stainless steel appliances video

By Lyle Weischwill

Learn how to keep the stainless-steel appliances in your home clean and shining bright.