WW Grinder
Chipper/Shredder

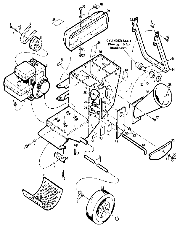
Model #79786 Official WW Grinder chipper/shredder

Here are the diagrams and repair parts for WW Grinder 79786 chipper/shredder, as well as links to manuals and error code tables, if available.

There are a couple of ways to find the part or diagram you need:

  • Click a diagram to see the parts shown on that diagram.
  • In the search box below, enter all or part of the part number or the part’s name.

Not all parts are shown on the diagrams—those parts are labeled NI, for “not illustrated”.

We encourage you to save the model to your profile, so it’s easy to access parts and manuals for your appliance whenever you log in.

For DIY troubleshooting advice and repair guides, visit our repair help section.

Showing 10 of 106 parts

Lawn Tractor Flat Washer#8

Main frame assembly Diagram

Washer

Part #1100255
Replaced by #736-0262
?
Manufacturer substitution
This part replaces 1100255. Substitute parts can look different from the original.
BEST SELLER
This item is not returnable
In Stock
$4.99 | 
17% OFF 
Phone Price: $5.99
Lawn & Garden Equipment Hex Bolt

See All Related Diagrams

Screw

Part #1100779
Replaced by #710-3180
?
Manufacturer substitution
This part replaces 1100779. Substitute parts can look different from the original.
This item is not returnable
In Stock
$6.74 | 
13% OFF 
Phone Price: $7.74
Lawn & Garden Equipment Hex Flange Nut

See All Related Diagrams

Nut

Part #1186391
Replaced by #712-04054
?
Manufacturer substitution
This part replaces 1186391. Substitute parts can look different from the original.
This item is not returnable
In Stock
$4.40
Hex Screw

See All Related Diagrams

Screw

Part #1100913
Replaced by #710-3001
?
Manufacturer substitution
This part replaces 1100913. Substitute parts can look different from the original.
This item is not returnable
In Stock
$6.87
Screw#25

Main frame assembly Diagram

Screw

Part #1100043

The manufacturer no longer makes this part, and there's no substitute part

Lock Nut#6

Hopper assembly Diagram

Lock nut

Part #1734398

The manufacturer no longer makes this part, and there's no substitute part

Lawn & Garden Equipment Hex Screw#32

Main frame assembly Diagram

Screw

Part #1186329
Replaced by #710-04043
?
Manufacturer substitution
This part replaces 1186329. Substitute parts can look different from the original.
This item is not returnable
In Stock
$3.53
Tiller Hex Bolt

See All Related Diagrams

Flange

Part #1186328
Replaced by #710-04049
?
Manufacturer substitution
This part replaces 1186328. Substitute parts can look different from the original.
This item is not returnable
In Stock
$4.57
Lawn & Garden Equipment Flange Lock Nut

See All Related Diagrams

Nut

Part #1186393
Replaced by #1186393
?
Manufacturer substitution
This part replaces 1186393. Substitute parts can look different from the original.
This item is not returnable
In Stock
$2.92
Lawn & Garden Equipment Flange Nut#10

Hopper assembly Diagram

Nut

Part #1186389
Replaced by #1186389
?
Manufacturer substitution
This part replaces 1186389. Substitute parts can look different from the original.
This item is not returnable
In Stock
$2.72