Synco & Proton
Wall Heater

Model #DV-106-2 Official Synco & Proton quaker direct vent gas-fired wall furnace

Here are the diagrams and repair parts for Synco & Proton DV-106-2 quaker direct vent gas-fired wall furnace, as well as links to manuals and error code tables, if available.

There are a couple of ways to find the part or diagram you need:

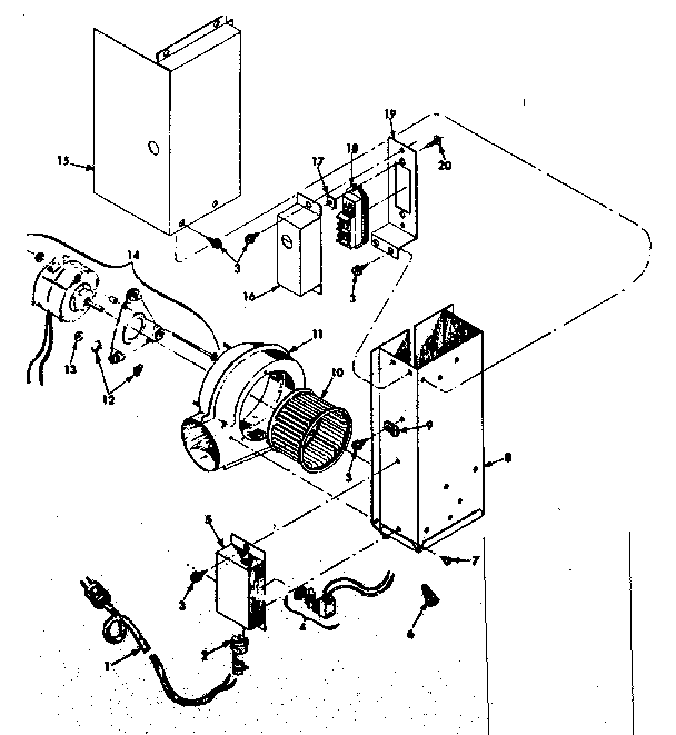
  • Click a diagram to see the parts shown on that diagram.
  • In the search box below, enter all or part of the part number or the part’s name.

Not all parts are shown on the diagrams—those parts are labeled NI, for “not illustrated”.

We encourage you to save the model to your profile, so it’s easy to access parts and manuals for your appliance whenever you log in.

For DIY troubleshooting advice and repair guides, visit our repair help section.

Showing 10 of 156 parts

Water Heater Pilot Tube Assembly#19

Burner & controls Diagram

Tubing pilot

Part #39726
Replaced by #9000278
?
Manufacturer substitution
This part replaces 39726. Substitute parts can look different from the original.
This item is not returnable
In Stock
$17.69 | 
10% OFF 
Phone Price: $19.69
Water Heater Pilot Tube Assembly#9

Burner & controls Diagram

Sleeve

Part #36714
Replaced by #9000278
?
Manufacturer substitution
This part replaces 36714. Substitute parts can look different from the original.
This item is not returnable
In Stock
$17.69 | 
10% OFF 
Phone Price: $19.69
Nut#13

Cabinet Diagram

Nut

Part #48381

The manufacturer no longer makes this part, and there's no substitute part

Furnace Blower Fan Wheel#10

Accessory blower assembly Diagram

Blower wheel

Part #24574
Replaced by #24574
?
Manufacturer substitution
This part replaces 24574. Substitute parts can look different from the original.
This item is not returnable
In Stock
$5.49
Screw#19

Cabinet Diagram

Screw

Part #274738

The manufacturer no longer makes this part, and there's no substitute part

Nut#8

Cabinet Diagram

Nut

Part #47193

The manufacturer no longer makes this part, and there's no substitute part

White-Rodgers Furnace Wall-Mounted Thermostat

See All Related Diagrams

Thermostat

Part #48667
Replaced by #1E30N-910
?
Manufacturer substitution
This part replaces 48667. Substitute parts can look different from the original.
In Stock
$81.43 | 
6% OFF 
Phone Price: $86.43
Screw

See All Related Diagrams

Screw

Part #22712

The manufacturer no longer makes this part, and there's no substitute part

Plate Switch#19

Accessory blower assembly Diagram

Plate switch

Part #48692
Replaced by #48692
?
Manufacturer substitution
This part replaces 48692. Substitute parts can look different from the original.
This item is not returnable
In Stock
$5.49
Nut#13

Accessory blower assembly Diagram

Nut

Part #24593

The manufacturer no longer makes this part, and there's no substitute part