Kenmore Pro
Electric Cooktop

Model #79040403410 Official Kenmore Pro electric cooktop

Here are the diagrams and repair parts for Kenmore Pro 79040403410 electric cooktop, as well as links to manuals and error code tables, if available.

There are a couple of ways to find the part or diagram you need:

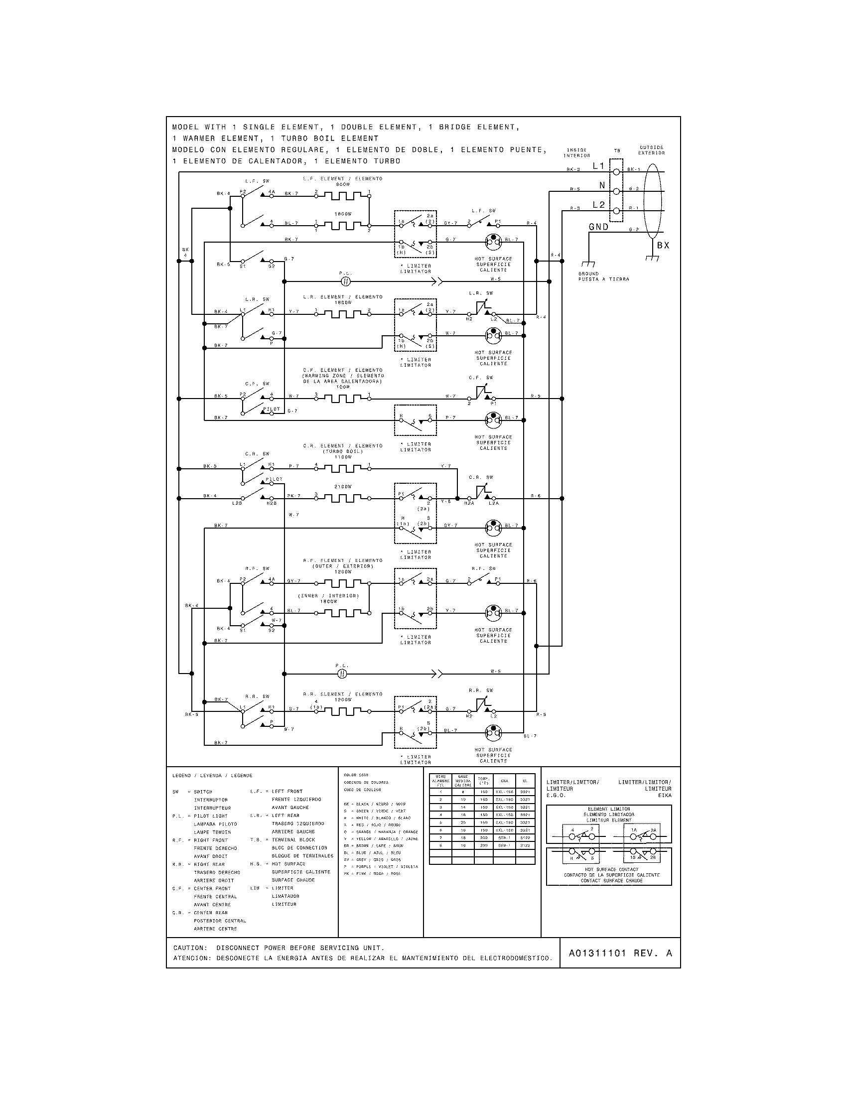
  • Click a diagram to see the parts shown on that diagram.
  • In the search box below, enter all or part of the part number or the part’s name.

Not all parts are shown on the diagrams—those parts are labeled NI, for “not illustrated”.

We encourage you to save the model to your profile, so it’s easy to access parts and manuals for your appliance whenever you log in.

For DIY troubleshooting advice and repair guides, visit our repair help section.

Showing 10 of 58 parts

Range Radiant Surface Element, 6-in (replaces 316010205, 318198846, 31878110, 7318178110)#15

Main top/surface units Diagram

In Stock
$132.60 | 
7% OFF 
Phone Price: $142.60
Range Radiant Surface Element, 9-in#15C

Main top/surface units Diagram

Range radiant surface element

Part #316530000
Replaced by #316530001
?
Manufacturer substitution
This part replaces 316530000. Substitute parts can look different from the original.
BEST SELLER
In Stock
$165.33 | 
6% OFF 
Phone Price: $175.33
Range Dual Radiant Surface Element#15A

Main top/surface units Diagram

Range dual radiant surface element

Part #318198935
Replaced by #316282101
?
Manufacturer substitution
This part replaces 318198935. Substitute parts can look different from the original.
BEST SELLER
In Stock
$193.98 | 
5% OFF 
Phone Price: $203.98
Cooktop Burner Indicator Light#51

Main top/surface units Diagram

In Stock
$48.99 | 
9% OFF 
Phone Price: $53.99
Appliance Cleaning Pad#NI

Main top/surface units Diagram

Appliance cleaning pad

Part #316459400
This item is not returnable
In Stock
$2.16
Cooktop Turbo Element Control Switch#54C

Control panel Diagram

In Stock
$126.69 | 
7% OFF 
Phone Price: $136.69
Cooktop Element Control Switch#54D

Control panel Diagram

Cooktop element control switch

Part #305458905
Replaced by #5304526190
?
Manufacturer substitution
This part replaces 305458905. Substitute parts can look different from the original.
In Stock
$66.29 | 
7% OFF 
Phone Price: $71.29
Range Surface Element Control Switch#54A

Control panel Diagram

*infinite

Part #318191001
Replaced by #903097-9040
?
Manufacturer substitution
This part replaces 318191001. Substitute parts can look different from the original.
In Stock
$111.69 | 
8% OFF 
Phone Price: $121.69
Bracket#53

Main top/surface units Diagram

Bracket

Part #318125960
In Stock
$37.86
Control Panel#19

Control panel Diagram

Control panel

Part #5304500684
In Stock
$331.32

Symptoms common to all cooktops

Choose a symptom to see related cooktop repairs.

Main causes: lack of electrical power, gas supply failure, bad pressure regulator, control system failure

Repair guides for electric cooktops

How to replace a coil surface element on an electric cooktop

Easily replace a coil surface element in 15 minutes or less by following these step-by-step instructions.

Repair difficulty
Time required
 15 minutes or less
November 20, 2014
By Lyle Weischwill
How to replace the glass top on an electric cooktop

Don't use a cracked or damage glass cooktop—replace it, using these instructions to guide you.

Repair difficulty
Time required
 30 minutes or less
How to replace a radiant element on an electric cooktop

Follow these step-by-step instructions to replace a damaged radiant element on your electric cooktop when the element won’t heat when it receives voltage from the control.

Repair difficulty
Time required
 45 minutes or less

Articles and videos common to all cooktops

Use the advice and tips in these articles and videos to get the most out of your cooktop.

November 12, 2022

5 Holiday Cleaning Tasks Essential to Boosting Your Home’s Image

By Lyle Weischwill

Get tips on completing essential holiday cleaning tasks to brighten your home.

August 19, 2022

Are DIY appliance repairs safe?

By Lyle Weischwill

Find out how to stay safe when repairing your appliances.

July 9, 2021

How to clean stainless steel appliances video

By Lyle Weischwill

Learn how to keep the stainless-steel appliances in your home clean and shining bright.