Electrolux
Washer

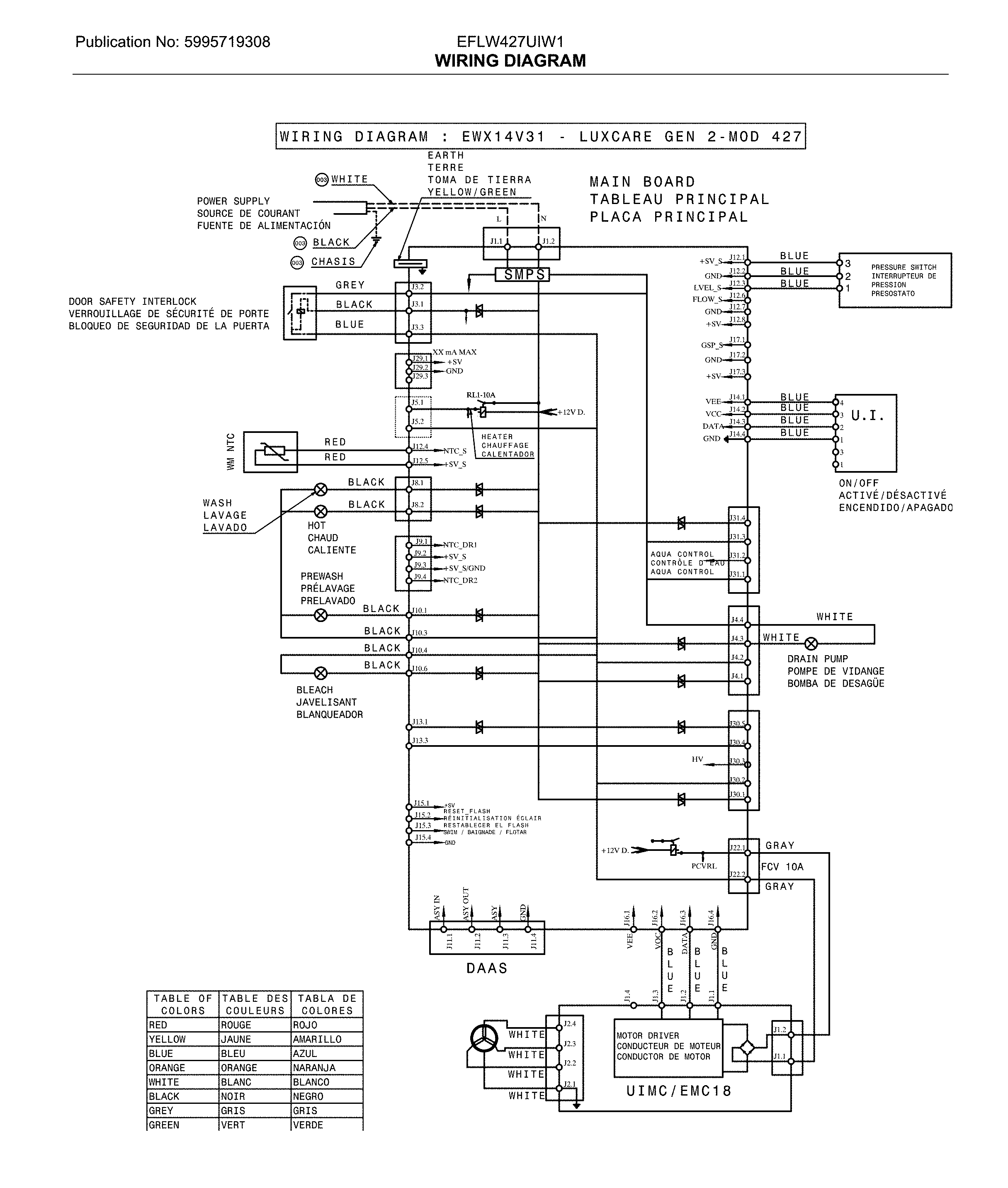
Model #EFLW427UIW1 Official Electrolux washer

Here are the diagrams and repair parts for Electrolux EFLW427UIW1 washer, as well as links to manuals and error code tables, if available.

There are a couple of ways to find the part or diagram you need:

  • Click a diagram to see the parts shown on that diagram.
  • In the search box below, enter all or part of the part number or the part’s name.

Not all parts are shown on the diagrams—those parts are labeled NI, for “not illustrated”.

We encourage you to save the model to your profile, so it’s easy to access parts and manuals for your appliance whenever you log in.

For DIY troubleshooting advice and repair guides, visit our repair help section.

Installation guideOwner’s manual

Showing 10 of 118 parts

Washer Door Boot Spring Clamp#49

Tubb Diagram

Washer door boot spring clamp

Part #134616300
BEST SELLER
In Stock
$28.89 | 
15% OFF 
Phone Price: $33.89
Washer Door Lock Assembly#8

Cabinet Diagram

Washer door lock assembly

Part #5304514774
BEST SELLER
In Stock
$72.09 | 
6% OFF 
Phone Price: $77.09
Washer Door Boot#8

Tubb Diagram

Washer door boot

Part #5304505240
BEST SELLER
In Stock
$147.00 | 
6% OFF 
Phone Price: $157.00
Washer Baffle Screw#18

Control Diagram

Washer baffle screw

Part #131302800
In Stock
$14.09 | 
12% OFF 
Phone Price: $16.09
Washer Dispenser Inlet Gasket#35

Control Diagram

Washer dispenser inlet gasket

Part #134371300
This item is not returnable
In Stock
$43.89 | 
10% OFF 
Phone Price: $48.89
Washer Dispenser Conveyor#39

Control Diagram

In Stock
$61.19 | 
8% OFF 
Phone Price: $66.19
Washer Shock Absorber Mounting Pin#31

Tubb Diagram

In Stock
$17.99 | 
10% OFF 
Phone Price: $19.99
Washer Baffle#17

Tubb Diagram

Washer baffle

Part #137263600
In Stock
$44.99 | 
10% OFF 
Phone Price: $49.99
Washer Dual Stage Shock Absorber#30

Tubb Diagram

In Stock
$57.69 | 
8% OFF 
Phone Price: $62.69
Washer Dispenser Hose#37

Control Diagram

Washer dispenser hose

Part #134625700
In Stock
$58.89 | 
8% OFF 
Phone Price: $63.89

Symptoms common to all washers

Choose a symptom to see related washer repairs.

Main causes: leaky water inlet valve, faulty water-level pressure switch, bad electronic control board
Main causes: lack of electrical power, wiring failure, bad power cord, electronic control board failure, bad user interface board
Main causes: water heater failure, bad water temperature switch, faulty control board, bad water valve, faulty water temperature sensor
Main causes: unbalanced load, loose spanner nut, worn drive block, broken shock absorber or suspension spring, debris in drain pump
Main causes: broken lid switch or lid lock, bad pressure switch, broken shifter assembly, faulty control system
Main causes: clogged drain hose, house drain clogged, bad drain pump, water-level pressure switch failure, bad control board or timer
Main causes: worn agitator dogs, bad clutch, broken motor coupler, shifter assembly failure, broken door lock, suspension component failure
Main causes: no water supply, bad water valves, water-level pressure switch failure, control system failure, bad door lock or lid switch
Main causes: bad lid switch or door lock, bad timer or electronic control board, wiring failure, bad water inlet valve assembly

Articles and videos common to all washers

Use the advice and tips in these articles and videos to get the most out of your washer.

January 3, 2022

Why is my washing machine leaking when not in use?

By Lyle Weischwill

Learn how to fix a washing machine leak

December 30, 2021

How to fix a washing machine

By Lyle Weischwill

Learn how to fix your broken washing machine

April 10, 2020

Cleaning your appliances after a drinking water advisory

By Julie Riebe

Find out how to clean and flush household appliances once a boil water advisory is lifted.