Kenmore
Upright Vacuum

Model #1006238282 Official Kenmore vacuum cleaner

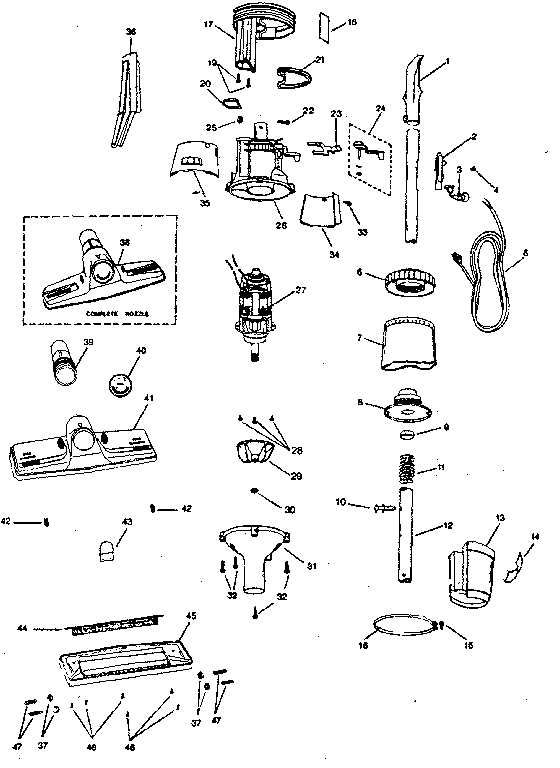
Here are the diagrams and repair parts for Kenmore 1006238282 vacuum cleaner, as well as links to manuals and error code tables, if available.

There are a couple of ways to find the part or diagram you need:

  • Click a diagram to see the parts shown on that diagram.
  • In the search box below, enter all or part of the part number or the part’s name.

Not all parts are shown on the diagrams—those parts are labeled NI, for “not illustrated”.

We encourage you to save the model to your profile, so it’s easy to access parts and manuals for your appliance whenever you log in.

For DIY troubleshooting advice and repair guides, visit our repair help section.

Showing 10 of 48 parts

Warming Label#14

Unit parts Diagram

Warming label

Part #25149P1

The manufacturer no longer makes this part, and there's no substitute part

Switch Assembly#2

Unit parts Diagram

Switch assembly

Part #90039G1

The manufacturer no longer makes this part, and there's no substitute part

Cover Label#36

Unit parts Diagram

Cover label

Part #924694G2

The manufacturer no longer makes this part, and there's no substitute part

Floor Plate#45

Unit parts Diagram

Floor plate

Part #25165P1AC

The manufacturer no longer makes this part, and there's no substitute part

Screw Fan Housing#32

Unit parts Diagram

Screw fan housing

Part #03494

The manufacturer no longer makes this part, and there's no substitute part

Mtr Hs Cv Ex#35

Unit parts Diagram

Mtr hs cv ex

Part #24695P1BR

The manufacturer no longer makes this part, and there's no substitute part

Filter#6

Unit parts Diagram

Filter

Part #924217G1

The manufacturer no longer makes this part, and there's no substitute part

Tube Assembly#17

Unit parts Diagram

Tube assembly

Part #92440G2AC

The manufacturer no longer makes this part, and there's no substitute part

Filter Clamp#15

Unit parts Diagram

Filter clamp

Part #03572

The manufacturer no longer makes this part, and there's no substitute part

Nozzle Housing#41

Unit parts Diagram

Nozzle housing

Part #925164G2

The manufacturer no longer makes this part, and there's no substitute part

Symptoms common to all vacuum cleaners

Choose a symptom to see related vacuum cleaner repairs.

Main causes: damaged vacuum hose, clogged motor air filter, bad suction motor
Main causes: broken drive belt, damaged brush roll, tripped brush roll motor overload, bad brush roll motor, wiring failure
Main causes: lack of power, bad power cord, drive motor failure, wiring failure
Main causes: weak suction motor, vacuum bag is full, clog in suction air path, dirty exhaust filter, leaky vacuum hose

Articles and videos common to all vacuum cleaners

Use the advice and tips in these articles and videos to get the most out of your vacuum.

January 5, 2015

10 must-have tools for appliance repair

By Lyle Weischwill

Come see which tools made our top 10 must-haves for DIY appliance repair.

December 18, 2014

Deciding between a canister or upright vacuum

By Lyle Weischwill

Undecided about canister or upright? We compare them.

July 1, 2013

Vacuum common questions

By Lyle Weischwill

Find the answers to frequently asked questions about vacuum cleaners.