Carrier
Air Handler

Model #FC4DNF036000 Official Carrier air handler

Here are the diagrams and repair parts for Carrier FC4DNF036000 air handler, as well as links to manuals and error code tables, if available.

There are a couple of ways to find the part or diagram you need:

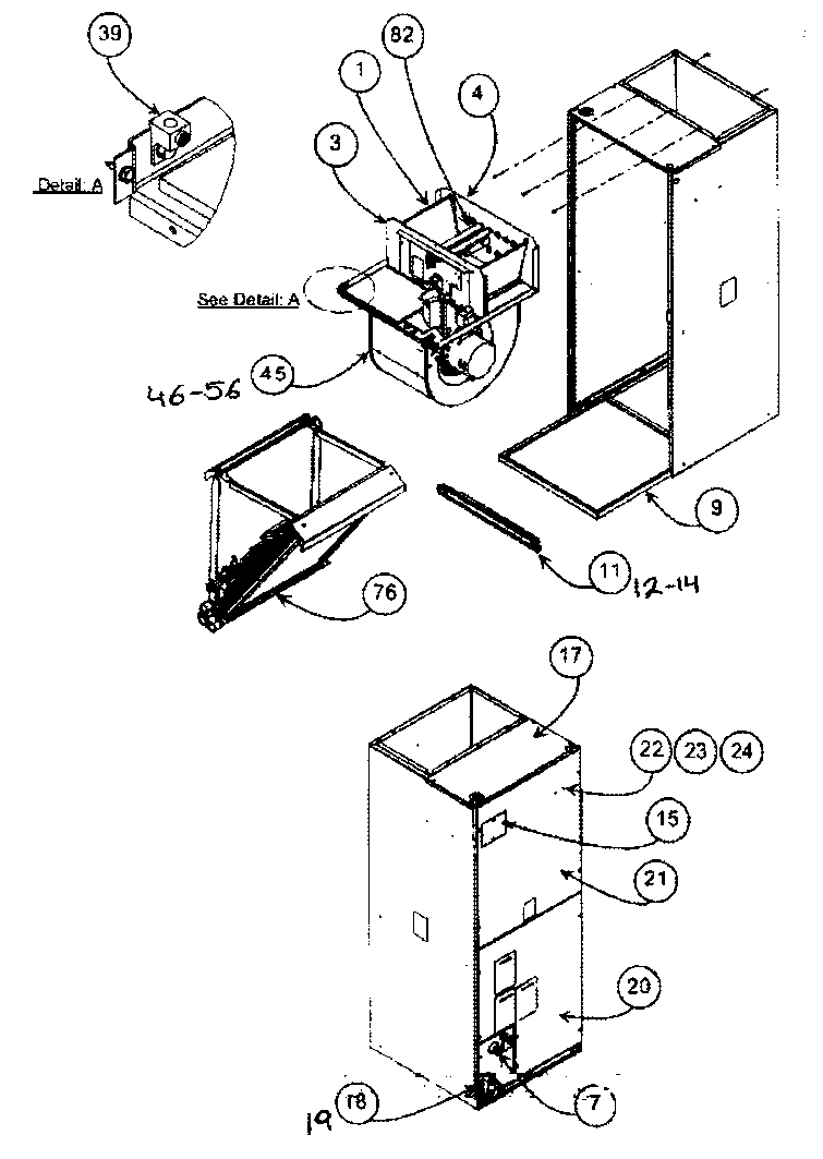
  • Click a diagram to see the parts shown on that diagram.
  • In the search box below, enter all or part of the part number or the part’s name.

Not all parts are shown on the diagrams—those parts are labeled NI, for “not illustrated”.

We encourage you to save the model to your profile, so it’s easy to access parts and manuals for your appliance whenever you log in.

For DIY troubleshooting advice and repair guides, visit our repair help section.

Showing 10 of 141 parts

PCB Assembly#37

Blower assy Diagram

Pcb assembly

Part #HK61EA010
In Stock
$82.80 | 
6% OFF 
Phone Price: $87.80
Door Assembly#11

Cabinet parts Diagram

Door assembly

Part #328090-703
In Stock
$45.54
Element#NI

Cabinet parts Diagram

Element

Part #320074-701
In Stock
$123.99 | 
7% OFF 
Phone Price: $133.99
Latch#12

Cabinet parts Diagram

Latch

Part #314875-201
This item is not returnable
In Stock
$2.16
Channel#NI

Cabinet parts Diagram

Channel

Part #316808-301
This item is not returnable
In Stock
$2.16
Heater Assembly#NI

Cabinet parts Diagram

Heater assembly

Part #324639-701
In Stock
$641.49
Sw Temp Act#NI

Cabinet parts Diagram

Sw temp act

Part #HH19ZA940
In Stock
$34.72
Cover C.b.#NI

Cabinet parts Diagram

Cover c.b.

Part #323437-404
In Stock
$60.86
Cut-Off#52

Cabinet parts Diagram

Cut-off

Part #314853-402
In Stock
$407.99
Fuse Box#NI

Cabinet parts Diagram

Fuse box

Part #322034-701
In Stock
$52.48

Articles and videos common to all air handlers

August 5, 2022

Introducing new technical repair content that we’re developing for the Sears Technical Institute

By Lyle Weischwill

Learn about Sears Technical Institute and the advanced technical content being developed for aspiring appliance techs.