Thermador
Gas Grill

Model #CGB48RU Official Thermador barbecue grill

Here are the diagrams and repair parts for Thermador CGB48RU barbecue grill, as well as links to manuals and error code tables, if available.

There are a couple of ways to find the part or diagram you need:

  • Click a diagram to see the parts shown on that diagram.
  • In the search box below, enter all or part of the part number or the part’s name.

Not all parts are shown on the diagrams—those parts are labeled NI, for “not illustrated”.

We encourage you to save the model to your profile, so it’s easy to access parts and manuals for your appliance whenever you log in.

For DIY troubleshooting advice and repair guides, visit our repair help section.

    Showing 10 of 147 parts

    HANDLE, SMOKER DRAWER#13

    Drawers and trays Diagram

    Handle, smoker drawer

    Part #08-04-085

    The manufacturer no longer makes this part, and there's no substitute part

    BUMPER, RUBBER, DRAWER

    See All Related Diagrams

    Bumper, rubber, drawer

    Part #08-04-075

    The manufacturer no longer makes this part, and there's no substitute part

    ELECTRODE SPARK (STARTING WITH SERIAL NUMBER 9910)#35

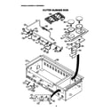
    Inner burner box Diagram

    Electrode spark (starting with serial number 9910)

    Part #08-04-587

    The manufacturer no longer makes this part, and there's no substitute part

    KIT, IGNITOR (PRIOR TO SERIAL NUMBER 9910)#23

    Inner burner box Diagram

    Kit, ignitor (prior to serial number 9910)

    Part #35-00-759

    The manufacturer no longer makes this part, and there's no substitute part

    BUMPER, HOOD, REAR

    #NI

    All parts Diagram

    Bumper, hood, rear

    Part #08-04-744

    The manufacturer no longer makes this part, and there's no substitute part

    HANDLE, SKEWER#13

    Hood and rotisserie Diagram

    Handle, skewer

    Part #08-04-056

    The manufacturer no longer makes this part, and there's no substitute part

    Cart Assembly

    See All Related Diagrams

    Cart assembly

    Part #08-04-073

    The manufacturer no longer makes this part, and there's no substitute part

    CONTROL PANEL (MODEL CGB48RU)#32

    Inner burner box Diagram

    Control panel (model cgb48ru)

    Part #08-04-579

    The manufacturer no longer makes this part, and there's no substitute part

    BURNER BASE (MODEL CGB48RSBU)#28

    Outer burner box Diagram

    Burner base (model cgb48rsbu)

    Part #15-10-155

    The manufacturer no longer makes this part, and there's no substitute part

    REAR, LP BOTTLE DRAWER#3

    Drawers and trays Diagram

    Rear, lp bottle drawer

    Part #08-04-481

    The manufacturer no longer makes this part, and there's no substitute part

    Symptoms for gas grills

    Choose a symptom to see related gas grill repairs.

    Main causes: damaged or dirty flame tamers, corroded firebox, accumulated grease and debris in the grease pan
    Main causes: empty fuel tank, tripped flow-limiting device on the pressure regulator, faulty manifold valves, burner tubes not aligned
    Main causes: clogged burner tubes, cracked insulators on igniter electrodes, wiring failures, bad ignition module, manifold failure
    Main causes: nearly empty fuel tank, faulty pressure regulator, burner tube clogs, bad burner tube alignment to gas valves, manifold failure

    Repair guides for gas grills

    These step-by-step repair guides will help you safely fix what’s broken on your gas grill.

    November 1, 2016
    By Lyle Weischwill
    How to replace a gas grill wheel

    Replace a broken or damaged wheel in less than 15 minutes.

    Repair difficulty
    Time required
     15 minutes or less
    November 1, 2016
    By Lyle Weischwill
    How to replace a gas grill igniter electrode

    Replace the igniter electrode on your gas grill if it won’t light the burner.

    Repair difficulty
    Time required
     15 minutes or less
    November 1, 2016
    By Lyle Weischwill
    How to replace a gas grill ignition module

    Follow these steps to replace the ignition module if it doesn't produce a spark.

    Repair difficulty
    Time required
     15 minutes or less

    Articles and videos common to all outdoor grills

    Use the advice and tips in these articles and videos to get the most out of your gas grill.

    July 7, 2022

    What are the main parts of a gas BBQ grill?

    By Lyle Weischwill

    Learn about the main parts of gas grills and get DIY tips for replacing gas grill parts.