Companion
Angle Grinder

Model #32011510 Official Companion angle grinder

Here are the diagrams and repair parts for Companion 32011510 angle grinder, as well as links to manuals and error code tables, if available.

There are a couple of ways to find the part or diagram you need:

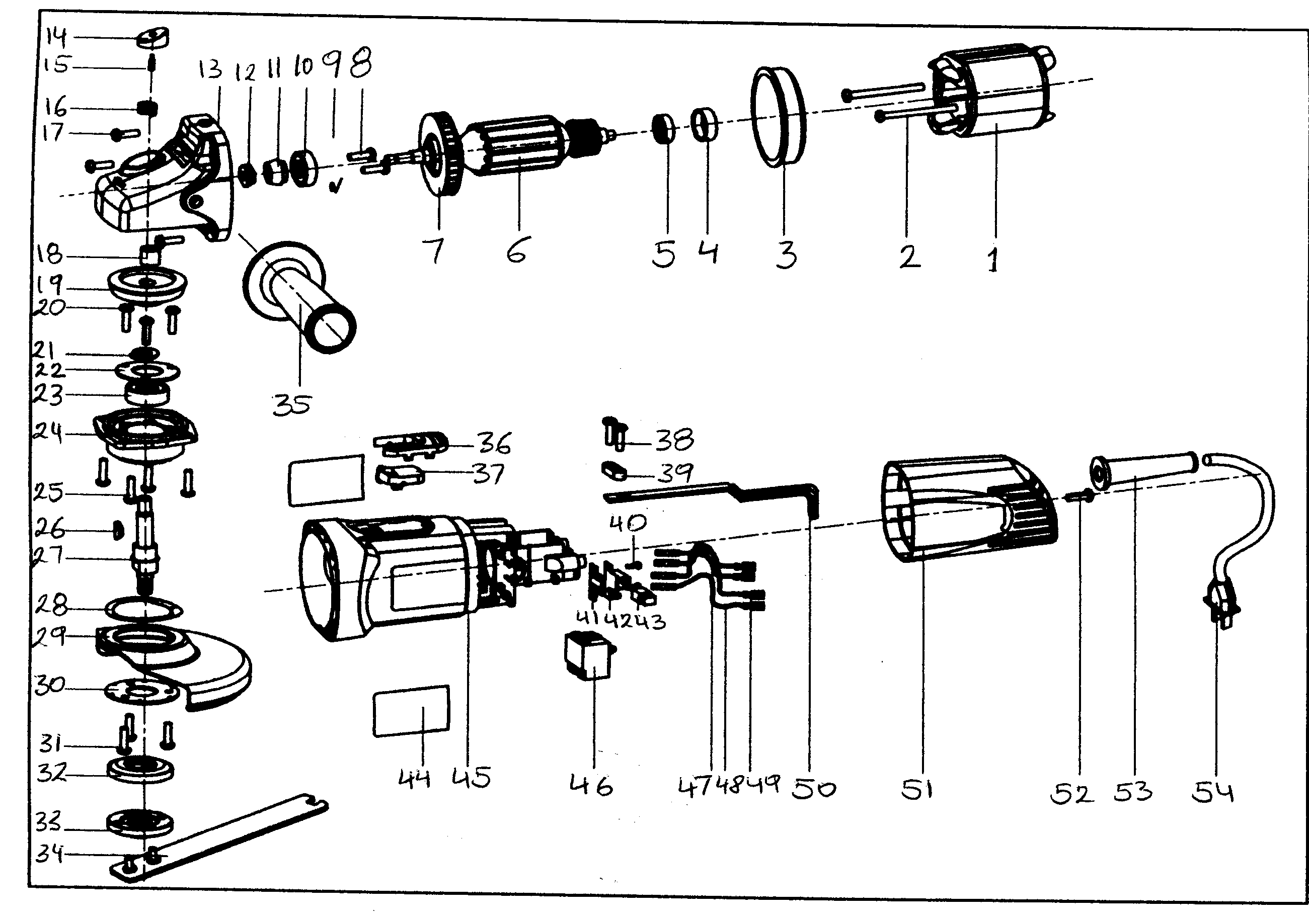
  • Click a diagram to see the parts shown on that diagram.
  • In the search box below, enter all or part of the part number or the part’s name.

Not all parts are shown on the diagrams—those parts are labeled NI, for “not illustrated”.

We encourage you to save the model to your profile, so it’s easy to access parts and manuals for your appliance whenever you log in.

For DIY troubleshooting advice and repair guides, visit our repair help section.

Owner’s manual

Showing 10 of 50 parts

Brg Holder#4

Grinder assy Diagram

Brg holder

Part #L.02.2402.03A1

The manufacturer no longer makes this part, and there's no substitute part

Fan Casing#3

Grinder assy Diagram

Fan casing

Part #L.01.2405.06A1

The manufacturer no longer makes this part, and there's no substitute part

Spring#16

Grinder assy Diagram

Spring

Part #L.09.2402.01A1

The manufacturer no longer makes this part, and there's no substitute part

Covercase#24

Grinder assy Diagram

Covercase

Part #L.03.2405.02A

The manufacturer no longer makes this part, and there's no substitute part

Big Button#36

Grinder assy Diagram

Big button

Part #L.01.2405.05A1

The manufacturer no longer makes this part, and there's no substitute part

Brush#43

Grinder assy Diagram

Brush

Part #L.07.2402.03B1

The manufacturer no longer makes this part, and there's no substitute part

Label#44

Grinder assy Diagram

Label

Part #B.4.2405.CP1B

The manufacturer no longer makes this part, and there's no substitute part

Lock Button#14

Grinder assy Diagram

Lock button

Part #L.01.2405.07A1

The manufacturer no longer makes this part, and there's no substitute part

Bearing Clamp#22

Grinder assy Diagram

Bearing clamp

Part #L.04.2405.04A1

The manufacturer no longer makes this part, and there's no substitute part

Key#26

Grinder assy Diagram

Key

Part #L.06.2401.06A1

The manufacturer no longer makes this part, and there's no substitute part