McCulloch
Chainsaw

Model #TITAN 7 MODEL 12-600171-02 Official McCulloch chainsaw

Here are the diagrams and repair parts for McCulloch TITAN-7-MODEL-12-600171-02 chainsaw, as well as links to manuals and error code tables, if available.

There are a couple of ways to find the part or diagram you need:

  • Click a diagram to see the parts shown on that diagram.
  • In the search box below, enter all or part of the part number or the part’s name.

Not all parts are shown on the diagrams—those parts are labeled NI, for “not illustrated”.

We encourage you to save the model to your profile, so it’s easy to access parts and manuals for your appliance whenever you log in.

For DIY troubleshooting advice and repair guides, visit our repair help section.

Showing 10 of 173 parts

Drive Sprocket#61A

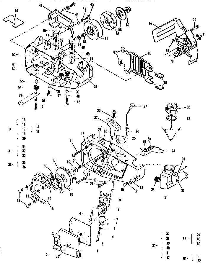
General assembly Diagram

Drive sprocket

Part #95646

The manufacturer no longer makes this part, and there's no substitute part

Ring-"o"#44

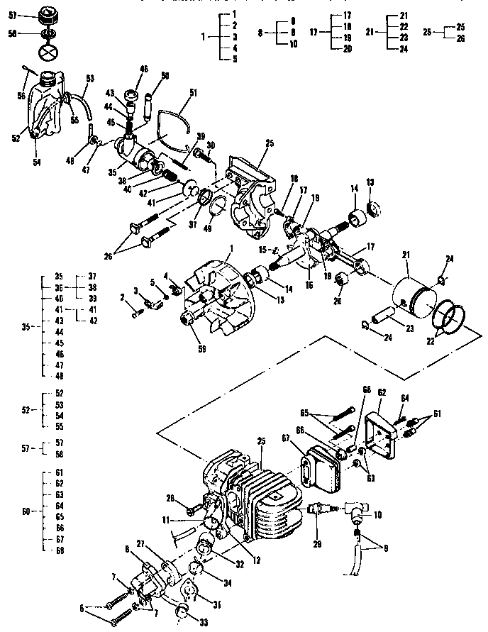
Powerheas assembly Diagram

Ring-"o"

Part #105614

The manufacturer no longer makes this part, and there's no substitute part

Trigger, Saf#2

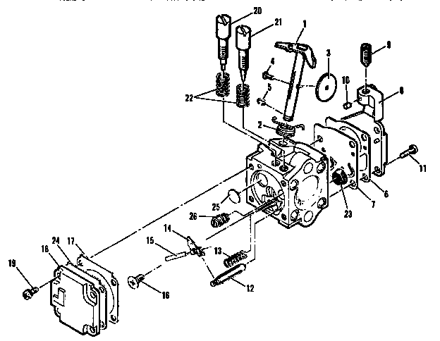
Handle assembly Diagram

Trigger, saf

Part #229317

The manufacturer no longer makes this part, and there's no substitute part

Muffler Assembly#60

Powerheas assembly Diagram

Muffler assembly

Part #223600

The manufacturer no longer makes this part, and there's no substitute part

Screw#48

General assembly Diagram

Screw

Part #229369

The manufacturer no longer makes this part, and there's no substitute part

"C" RING

See All Related Diagrams

"c" ring

Part #N/P

The manufacturer no longer makes this part, and there's no substitute part

Adjustment Nut Bar#10

Chain brake assembly Diagram

Adjustment nut bar

Part #229690

The manufacturer no longer makes this part, and there's no substitute part

Spacer Drum#63

General assembly Diagram

Spacer drum

Part #215259

The manufacturer no longer makes this part, and there's no substitute part

Mount#10

Handle assembly Diagram

Mount

Part #92704

The manufacturer no longer makes this part, and there's no substitute part

Car Manifold#11

Powerheas assembly Diagram

Car manifold

Part #215601

The manufacturer no longer makes this part, and there's no substitute part

Articles and videos common to all chainsaws

July 12, 2022

What are the most common replacement parts for chainsaws?

By Lyle Weischwill

Learn about the most common replacement parts for chainsaws and how they can help you fix chainsaw problems.

June 29, 2022

Top questions about Sears and Sears PartsDirect

By Lyle Weischwill

Get answers to frequently asked questions about Sears and Sears PartsDirect.