Weatherking
Central Air Conditioner

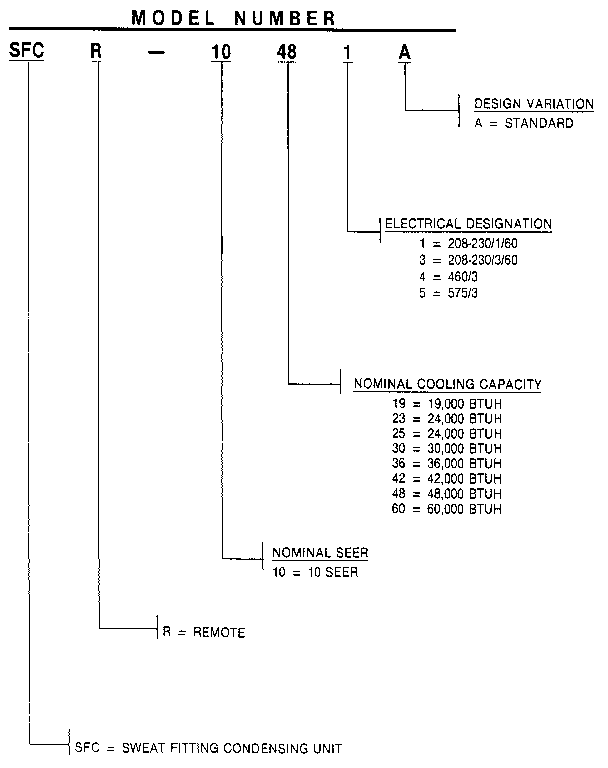
Model #SFCR-10-364A Official Weatherking condensing unit

Here are the diagrams and repair parts for Weatherking SFCR-10-364A condensing unit, as well as links to manuals and error code tables, if available.

There are a couple of ways to find the part or diagram you need:

  • Click a diagram to see the parts shown on that diagram.
  • In the search box below, enter all or part of the part number or the part’s name.

Not all parts are shown on the diagrams—those parts are labeled NI, for “not illustrated”.

We encourage you to save the model to your profile, so it’s easy to access parts and manuals for your appliance whenever you log in.

For DIY troubleshooting advice and repair guides, visit our repair help section.

Showing 10 of 32 parts

Motor Run Capacitor#18B

Replacement parts Diagram

Capacitor

Part #43-20847-04
Replaced by #12005
?
Manufacturer substitution
This part replaces 43-20847-04. Substitute parts can look different from the original.
In Stock
$16.12 | 
11% OFF 
Phone Price: $18.12
Pan Base#1A

Replacement parts Diagram

Pan base

Part #AE-57742-02
In Stock
$49.99
Service Valve#14

Replacement parts Diagram

Service valve

Part #61-21368-08
In Stock
$110.94
Motor Bracket#7A

Replacement parts Diagram

Motor bracket

Part #AE-58109-01
This item is not returnable
In Stock
$2.99
Coil Condens#12A

Replacement parts Diagram

Coil condens

Part #AS-57760-03
In Stock
$298.49
Cabinet#2

Replacement parts Diagram

Cabinet

Part #AE-57744-02
In Stock
$549.49
Side Panel#3

Replacement parts Diagram

Side panel

Part #AE-57748-02
In Stock
$46.91
Nameplate#4A

Replacement parts Diagram

Nameplate

Part #91-22760-22
This item is not returnable
In Stock
$5.49
Witre Grille#6

Replacement parts Diagram

Witre grille

Part #95-22758-02
In Stock
$24.99
Compressor

See All Related Diagrams

Compressor

Part #55-20892-58
In Stock
$439.49

Articles and videos common to all central air conditioners

November 30, 2022

2023 HVAC regulation changes and how they may affect you

By Lyle Weischwill

Find out how new DOE standards going into effect in 2023 can affect you and what you need to do.

October 24, 2022

Easy DIY appliance repairs that anyone can do

By Lyle Weischwill

Get advice on simple DIY fixes for appliances that you can safely do on your own.

August 5, 2022

Introducing new technical repair content that we’re developing for the Sears Technical Institute

By Lyle Weischwill

Learn about Sears Technical Institute and the advanced technical content being developed for aspiring appliance techs.