Ryobi
Drill/Driver

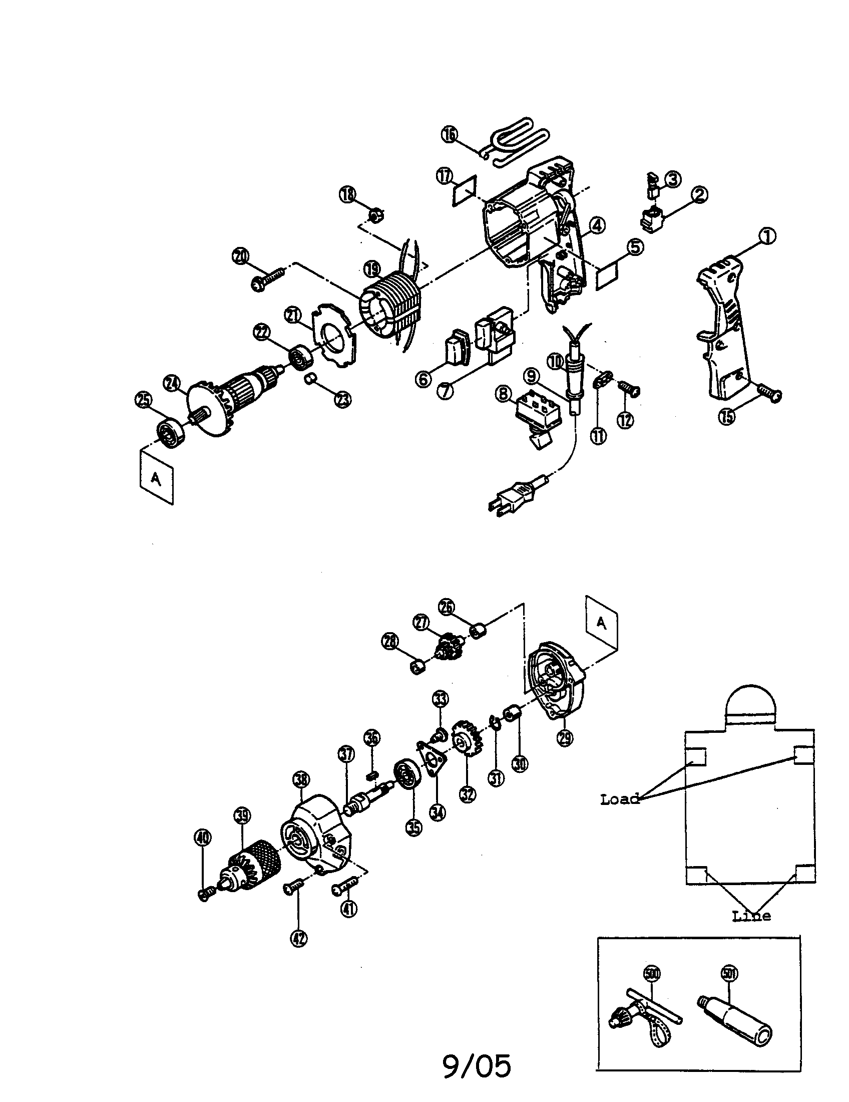
Model #D-1010 Official Ryobi electric drill

Here are the diagrams and repair parts for Ryobi D-1010 electric drill, as well as links to manuals and error code tables, if available.

There are a couple of ways to find the part or diagram you need:

  • Click a diagram to see the parts shown on that diagram.
  • In the search box below, enter all or part of the part number or the part’s name.

Not all parts are shown on the diagrams—those parts are labeled NI, for “not illustrated”.

We encourage you to save the model to your profile, so it’s easy to access parts and manuals for your appliance whenever you log in.

For DIY troubleshooting advice and repair guides, visit our repair help section.

Showing 10 of 42 parts

Ball Bearing#25

Electric drill Diagram

Ball bearing

Part #9840627

The manufacturer no longer makes this part, and there's no substitute part

Bearing#35

Electric drill Diagram

Bearing

Part #969235005

The manufacturer no longer makes this part, and there's no substitute part

Rubber Knock#23

Electric drill Diagram

Rubber knock

Part #6120126

The manufacturer no longer makes this part, and there's no substitute part

Carry Hook#16

Electric drill Diagram

Carry hook

Part #6180141

The manufacturer no longer makes this part, and there's no substitute part

Cord Assembly#9

Electric drill Diagram

Cord assembly

Part #6520331

The manufacturer no longer makes this part, and there's no substitute part

Auxiliary Handle#501

Electric drill Diagram

Auxiliary handle

Part #6830752

The manufacturer no longer makes this part, and there's no substitute part

Cover#6

Electric drill Diagram

Cover

Part #6370140

The manufacturer no longer makes this part, and there's no substitute part

OILLESS METAL

See All Related Diagrams

Oilless metal

Part #6760046

The manufacturer no longer makes this part, and there's no substitute part

Gear Shaft#37

Electric drill Diagram

Gear shaft

Part #6110102

The manufacturer no longer makes this part, and there's no substitute part

Bearing Clamp#34

Electric drill Diagram

Bearing clamp

Part #6151136

The manufacturer no longer makes this part, and there's no substitute part