Kenmore
Boiler

Model #229964251 Official Kenmore gas-fired forced hot water boiler

Here are the diagrams and repair parts for Kenmore 229964251 gas-fired forced hot water boiler, as well as links to manuals and error code tables, if available.

There are a couple of ways to find the part or diagram you need:

  • Click a diagram to see the parts shown on that diagram.
  • In the search box below, enter all or part of the part number or the part’s name.

Not all parts are shown on the diagrams—those parts are labeled NI, for “not illustrated”.

We encourage you to save the model to your profile, so it’s easy to access parts and manuals for your appliance whenever you log in.

For DIY troubleshooting advice and repair guides, visit our repair help section.

Showing 10 of 153 parts

Water Heater Temperature and Pressure Relief Valve#1

Boiler controls Diagram

Asme valve

Part #146-22-011-60
Replaced by #10-408-05
?
Manufacturer substitution
This part replaces 146-22-011-60. Substitute parts can look different from the original.
In Stock
$45.29 | 
10% OFF 
Phone Price: $50.29
Jckt Dr Knob#11

Jacket - sections & base Diagram

Door knob

Part #137-02-103
Replaced by #137-02-153
?
Manufacturer substitution
This part replaces 137-02-103. Substitute parts can look different from the original.
This item is not returnable
In Stock
$6.99
Boiler Block Section Push Nipple#8

Jacket - sections & base Diagram

Nipple

Part #433-60-976
Replaced by #433-00-976
?
Manufacturer substitution
This part replaces 433-60-976. Substitute parts can look different from the original.
In Stock
$17.52
Boiler Base#6B

Jacket - sections & base Diagram

Boiler base

Part #425-60-758
In Stock
$72.49
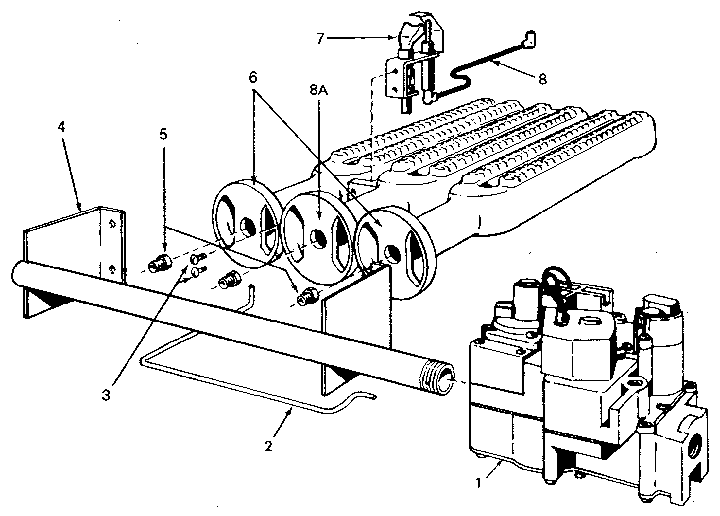
Ignit Cable#8C

Gas burners and manifold Diagram

Ignit cable

Part #146-62-076-60
In Stock
$27.49
Gas Manifold#4A

Gas burners and manifold Diagram

Gas manifold

Part #146-16-033-60
In Stock
$39.99
Gas Manifold#4G

Gas burners and manifold Diagram

Gas manifold

Part #146-16-016-60
In Stock
$79.50
Gas Manifold#4F

Gas burners and manifold Diagram

Gas manifold

Part #146-16-015-60
In Stock
$62.49
Main Brn Orf#5B

Gas burners and manifold Diagram

Orifice nat

Part #146-15-035-60
Replaced by #146-15-035
?
Manufacturer substitution
This part replaces 146-15-035-60. Substitute parts can look different from the original.
This item is not returnable
In Stock
$6.99
Air Shutters

#NI

All parts Diagram

Air shutters

Part #425-60-418
Replaced by #425-00-418
?
Manufacturer substitution
This part replaces 425-60-418. Substitute parts can look different from the original.
This item is not returnable
In Stock
$3.99