Snapper
Gas Snowblower

Model #11306 Official Snapper snow thrower

Here are the diagrams and repair parts for Snapper 11306 snow thrower, as well as links to manuals and error code tables, if available.

There are a couple of ways to find the part or diagram you need:

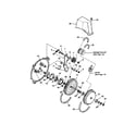
  • Click a diagram to see the parts shown on that diagram.
  • In the search box below, enter all or part of the part number or the part’s name.

Not all parts are shown on the diagrams—those parts are labeled NI, for “not illustrated”.

We encourage you to save the model to your profile, so it’s easy to access parts and manuals for your appliance whenever you log in.

For DIY troubleshooting advice and repair guides, visit our repair help section.

Owner’s manual

    Showing 10 of 280 parts

    Lawn Tractor Blade Drive Belt#18A

    Belts/idler/drive plate/sheave Diagram

    Belt

    Part #1-3939
    Replaced by #7013939YP
    ?
    Manufacturer substitution
    This part replaces 1-3939. Substitute parts can look different from the original.

    Get free shipping with Automatic Reorder

    In Stock
    $26.83
    Snowblower Auger Clutch Cable Spring#7

    Engines/pulley/idler Diagram

    Extension spring

    Part #2-8212
    Replaced by #7028212YP
    ?
    Manufacturer substitution
    This part replaces 2-8212. Substitute parts can look different from the original.
    In Stock
    $17.09 | 
    10% OFF 
    Phone Price: $19.09
    Remte Chute#1

    Discharge chute Diagram

    Remte chute

    Part #2-8208

    The manufacturer no longer makes this part, and there's no substitute part

    Fitting#2

    Augers/impeller Diagram

    Lube fitting

    Part #1-3864
    Replaced by #7013864SM
    ?
    Manufacturer substitution
    This part replaces 1-3864. Substitute parts can look different from the original.
    This item is not returnable
    In Stock
    $3.78
    Lawn & Garden Equipment Belt#23A

    Belts/idler/drive plate/sheave Diagram

    Belt

    Part #2-9101
    Replaced by #7029101YP
    ?
    Manufacturer substitution
    This part replaces 2-9101. Substitute parts can look different from the original.
    This item is not returnable
    In Stock
    $29.49 | 
    14% OFF 
    Phone Price: $34.49
    WASHER, 1/4 INTERNAL TOOTH LOCK#18

    Discharge chute Diagram

    Washer, 1/4 internal tooth lock

    Part #9-1023

    The manufacturer no longer makes this part, and there's no substitute part

    NUT, 5/16-18 HEX CENTER LOCK

    See All Related Diagrams

    Nut, 5/16-18 hex center lock

    Part #9-1067

    The manufacturer no longer makes this part, and there's no substitute part

    Chute Crank Knob

    See All Related Diagrams

    Chute crank knob

    Part #1-3901

    The manufacturer no longer makes this part, and there's no substitute part

    SCREW, 3/8-16 X 1" HEX HEAD, SELF-TAPPING (3)#20

    Collector housing Diagram

    Screw, 3/8-16 x 1" hex head, self-tapping (3)

    Part #9-0324

    The manufacturer no longer makes this part, and there's no substitute part

    Control Panel#14

    Handles/controls (model 8246) Diagram

    Control panel

    Part #7-4488

    The manufacturer no longer makes this part, and there's no substitute part

    Symptoms for gas snowblowers

    Choose a symptom to see related snowblower repairs.

    Main causes: clogged chute, damaged auger blades, broken shear pins, worn auger belt, damaged gear case, engine problems
    Things to do: replace the spark plug, change the oil, rebuild the carburetor, adjust valve lash, adjust or replace the belts
    Main causes: punctured tire, damaged rim
    Main causes: dirty carburetor, clogged fuel filter, dirty spark plug, incorrect valve lash, leaky engine gaskets
    Main causes: stale gas, clogged carburetor, clogged or broken fuel line, dirty spark plug, bad rewind starter, incorrect valve lash
    Main causes: clogged chute, snow build-up in auger housing, broken auger shear pins, auger drive belt needs adjustment, auger cable problems
    Main causes: loose drive clutch cable, damaged drive clutch cable, worn friction disc, scraper blade scraping the ground, engine problems
    Main causes: snow build-up in chute, chute drive mechanism failure, bad chute control assembly

    Repair guides for gas snowblowers

    These step-by-step repair guides will help you safely fix what’s broken on your snowblower.

    November 20, 2022
    By Lyle Weischwill
    How to replace a snowblower fuel filter

    Replace the fuel filter on your snowblower if it's clogged or damaged.

    Repair difficulty
    Time required
     15 minutes or less
    December 1, 2015
    By Lyle Weischwill
    How to rebuild a snowblower carburetor

    Rebuild the carburetor on your snowblower if the engine isn't getting fuel.

    Repair difficulty
    Time required
     45 minutes or less
    How to replace a snowblower 4-way chute control assembly

    Replace the 4-way chute control assembly on your snowblower if it’s damaged.

    Repair difficulty
    Time required
     30 minutes or less

    Articles and videos common to all snowblowers

    Use the advice and tips in these articles and videos to get the most out of your snowblower.

    December 12, 2022

    How to adjust the snowblower auger control

    By Lyle Weischwill

    This video shows how to adjust a snowblower's auger control.

    December 8, 2022

    How to lubricate a snowblower drive hex shaft video

    By Lyle Weischwill

    This short video shows how to lubricate a snowblower drive hex shaft.

    November 17, 2022

    What are the major parts of a snowblower?

    By Lyle Weischwill

    Learn about major functional parts of your snowblower and when to replace them.