Hoover
Canister Vacuum

Model #S3273 Official Hoover canister vacuum

Here are the diagrams and repair parts for Hoover S3273 canister vacuum, as well as links to manuals and error code tables, if available.

There are a couple of ways to find the part or diagram you need:

  • Click a diagram to see the parts shown on that diagram.
  • In the search box below, enter all or part of the part number or the part’s name.

Not all parts are shown on the diagrams—those parts are labeled NI, for “not illustrated”.

We encourage you to save the model to your profile, so it’s easy to access parts and manuals for your appliance whenever you log in.

For DIY troubleshooting advice and repair guides, visit our repair help section.

    Showing 10 of 82 parts

    Armatr & Brg#13

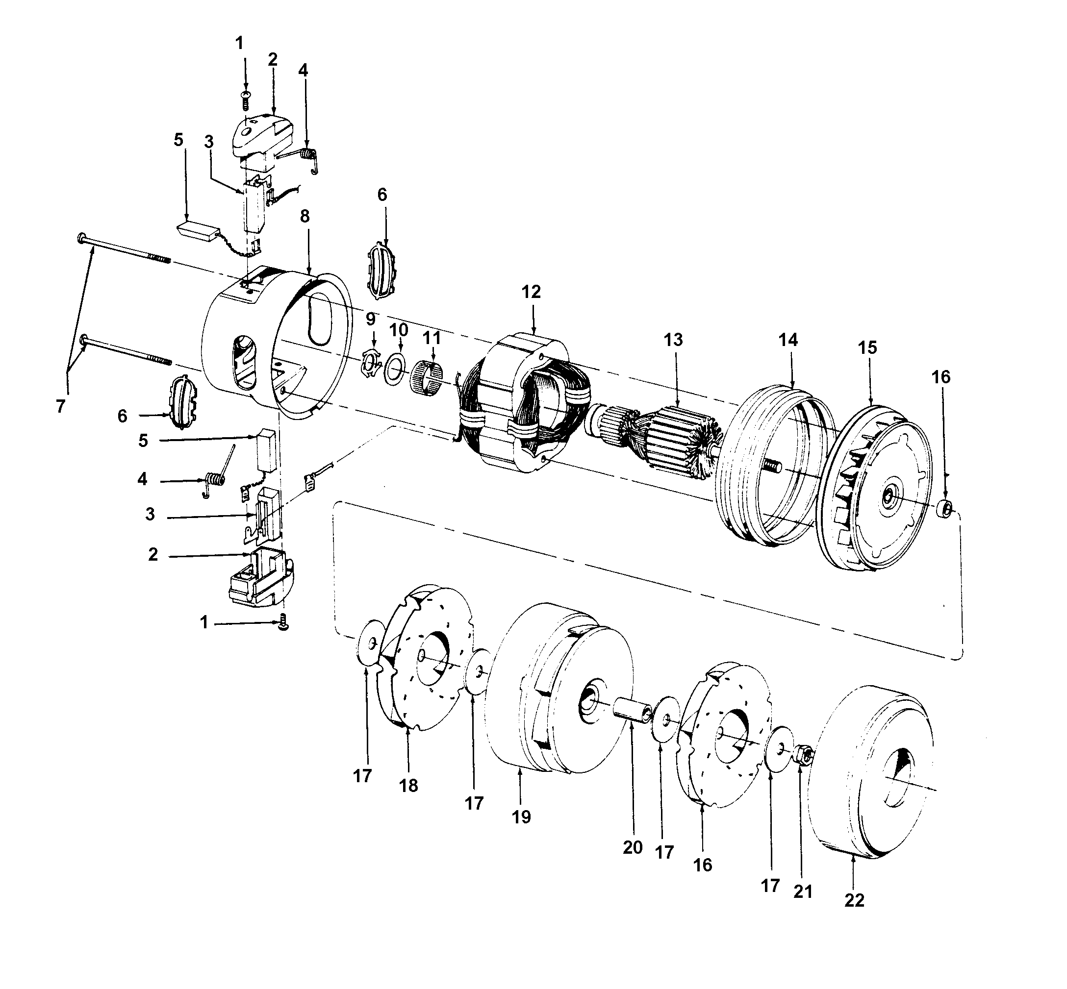
    Motor assembly Diagram

    Armatr & brg

    Part #44765185

    The manufacturer no longer makes this part, and there's no substitute part

    Vacuum Upholstery Nozzle

    See All Related Diagrams

    Vacuum upholstery nozzle

    Part #43414057

    The manufacturer no longer makes this part, and there's no substitute part

    Spring#18

    Powerednozzle, agitator Diagram

    Spring

    Part #35276001

    The manufacturer no longer makes this part, and there's no substitute part

    Grip-lh#8A

    Hose Diagram

    Grip-lh

    Part #39461008

    The manufacturer no longer makes this part, and there's no substitute part

    Latch Ring#10

    Hose Diagram

    Latch ring

    Part #36153029

    The manufacturer no longer makes this part, and there's no substitute part

    Vacuum Screw#10

    Powerednozzle, agitator Diagram

    Vacuum screw

    Part #21447041

    The manufacturer no longer makes this part, and there's no substitute part

    Twist-On Wire Connector#7

    Powerednozzle, agitator Diagram

    Twist-on wire connector

    Part #048969--

    The manufacturer no longer makes this part, and there's no substitute part

    Wire Splice#17

    Hose Diagram

    Wire splice

    Part #27613003

    The manufacturer no longer makes this part, and there's no substitute part

    Screw#1

    Motor assembly Diagram

    Screw

    Part #21429406

    The manufacturer no longer makes this part, and there's no substitute part

    Vacuum Beater Bar Bearing#23

    Powerednozzle, agitator Diagram

    Vacuum beater bar bearing

    Part #43267002

    The manufacturer no longer makes this part, and there's no substitute part

    Symptoms common to all vacuum cleaners

    Choose a symptom to see related vacuum cleaner repairs.

    Main causes: damaged vacuum hose, clogged motor air filter, bad suction motor
    Main causes: broken drive belt, damaged brush roll, tripped brush roll motor overload, bad brush roll motor, wiring failure
    Main causes: lack of power, bad power cord, drive motor failure, wiring failure
    Main causes: weak suction motor, vacuum bag is full, clog in suction air path, dirty exhaust filter, leaky vacuum hose

    Repair guides for canister vacuums

    How to replace a vacuum power head ribbed drive belt

    Some canister vacuums have a ribbed drive belt that spins the brush roll on a power brush attachment. If the brush roll slips, you can replace it using these instructions.

    Repair difficulty
    Time required
     30 minutes or less
    July 1, 2013
    By Lyle Weischwill
    How to replace a vacuum suction motor

    The suction motor on a vacuum creates the draw of air at the cleaning head that picks up dirt. If the vacuum won't run, give it a new life by replacing the suction motor. These steps explain how.

    Repair difficulty
    Time required
     15 minutes or less
    July 1, 2013
    By Lyle Weischwill
    How to replace a vacuum beater bar

    Replace the brush roll if the bristles ares worn or the cylinder is damaged.

    Repair difficulty
    Time required
     30 minutes or less

    Articles and videos common to all vacuum cleaners

    Use the advice and tips in these articles and videos to get the most out of your vacuum.

    January 5, 2015

    10 must-have tools for appliance repair

    By Lyle Weischwill

    Come see which tools made our top 10 must-haves for DIY appliance repair.

    December 18, 2014

    Deciding between a canister or upright vacuum

    By Lyle Weischwill

    Undecided about canister or upright? We compare them.

    July 1, 2013

    Vacuum common questions

    By Lyle Weischwill

    Find the answers to frequently asked questions about vacuum cleaners.