Inglis
Dishwasher

Model #IWU98761 Official Inglis undercounter dishwasher

Here are the diagrams and repair parts for Inglis IWU98761 undercounter dishwasher, as well as links to manuals and error code tables, if available.

There are a couple of ways to find the part or diagram you need:

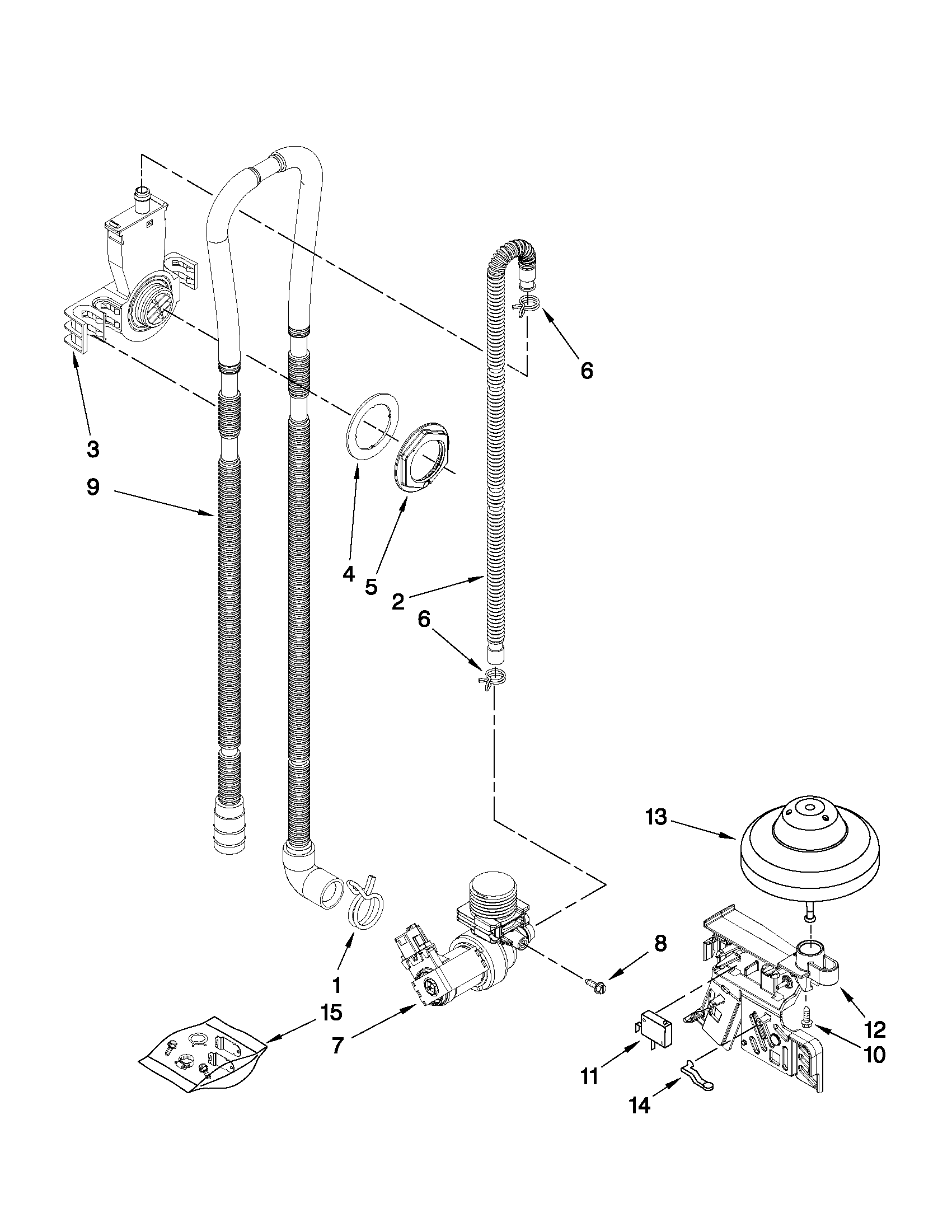
  • Click a diagram to see the parts shown on that diagram.
  • In the search box below, enter all or part of the part number or the part’s name.

Not all parts are shown on the diagrams—those parts are labeled NI, for “not illustrated”.

We encourage you to save the model to your profile, so it’s easy to access parts and manuals for your appliance whenever you log in.

For DIY troubleshooting advice and repair guides, visit our repair help section.

Installation guideOwner’s manual

Showing 10 of 122 parts

Dishwasher Dishrack Slide Rail Stop, Upper#4

Upper rack and track parts Diagram

Stop

Part #8565920
Replaced by #WP8565925
?
Manufacturer substitution
This part replaces 8565920. Substitute parts can look different from the original.
BEST SELLER
This item is not returnable
In Stock
$6.40 | 
14% OFF 
Phone Price: $7.40
Dishwasher Heating Element Kit (replaces 8194250, W10134009, W10441445)#1

Heater parts Diagram

Dishwasher heating element

Part #W10134009
Replaced by #W10518394
?
Manufacturer substitution
This part replaces W10134009. Substitute parts can look different from the original.
BEST SELLER
In Stock
$35.24 | 
16% OFF 
MSRP: $42.00
Dishwasher Water Inlet Valve#7

Fill, drain and overfill parts Diagram

Dishwasher water inlet valve

Part #W10195047
Replaced by #W11175771
?
Manufacturer substitution
This part replaces W10195047. Substitute parts can look different from the original.
BEST SELLER
In Stock
$56.98 | 
8% OFF 
Phone Price: $61.98
Dishwasher Door Seal and Strike Kit (replaces W10284090, W10350162)#3

Tub and frame parts Diagram

Dishwasher door seal and strike kit

Part #W10284090
Replaced by #W10542314
?
Manufacturer substitution
This part replaces W10284090. Substitute parts can look different from the original.
BEST SELLER
In Stock
$64.60 | 
7% OFF 
Phone Price: $69.60
Dishwasher Pump Grommet (replaces W10195068, W10538166, W11182008, WPW10195068)#13

Pump and motor parts Diagram

Dishwasher pump grommet

Part #W10195068
Replaced by #WPW10538166
?
Manufacturer substitution
This part replaces W10195068. Substitute parts can look different from the original.
BEST SELLER
Back Order
$16.38 | 
30% OFF 
MSRP: $23.40
Dishwasher Drain Pump (replaces W10348269)#8

Pump and motor parts Diagram

Dishwasher drain pump

Part #8558995
Replaced by #WPW10348269
?
Manufacturer substitution
This part replaces 8558995. Substitute parts can look different from the original.
BEST SELLER
Back Order
$68.31 | 
7% OFF 
Phone Price: $73.31
Dishwasher Filter Cup#7

Pump and motor parts Diagram

Dishwasher filter

Part #W10393352
Replaced by #W10872845
?
Manufacturer substitution
This part replaces W10393352. Substitute parts can look different from the original.
BEST SELLER
In Stock
$38.21 | 
12% OFF 
Phone Price: $43.21
Dishwasher Filter#3

Pump and motor parts Diagram

Dishwasher filter

Part #W10463906
Replaced by #WPW10463906
?
Manufacturer substitution
This part replaces W10463906. Substitute parts can look different from the original.
BEST SELLER
In Stock
$23.31 | 
18% OFF 
Phone Price: $28.31
Dishwasher Access Panel Retainer (White)#8

Door and panel parts Diagram

Retainer

Part #W10331793
Replaced by #WPW10503549
?
Manufacturer substitution
This part replaces W10331793. Substitute parts can look different from the original.
BEST SELLER
This item is not returnable
In Stock
$4.76 | 
17% OFF 
Phone Price: $5.76
Dishwasher Thermostat#15

Tub and frame parts Diagram

Thermostat

Part #W10339474
Replaced by #WP661566
?
Manufacturer substitution
This part replaces W10339474. Substitute parts can look different from the original.
BEST SELLER
In Stock
$30.63 | 
14% OFF 
Phone Price: $35.63

Symptoms common to all dishwashers

Choose a symptom to see related dishwasher repairs.

Main causes: broken door latch, tripped circuit breaker, broken heating element, faulty vent fan, sensor failure, control system problem
Main cause: damaged rack height adjuster
Main causes: damaged or stuck spray arm, leaking door seal, damaged door hinge, leaky heating element water seal, cracked water supply line
Main causes: clogged kitchen sink drain, clogged drain hose, drain check valve damaged, drain pump failure, control system problem
Main causes: water supply problem, stuck overfill float, clogged water inlet valve screen, water inlet valve failure
Main causes: glass or popcorn kernel stuck in the chopper blade, drain line vibrating against the cabinet, debris in wash pump or drain pump
Main causes: broken door spring, damaged or broken door hinge
Main causes: not using rinse aid, rinse aid dispenser failure, broken heating element, malfunctioning vent, drying fan failure
Main causes: light switch beside the sink turned off, lack of power, bad dishwasher door switch, control system failure, wiring problem

Repair guides common to all dishwashers

These step-by-step repair guides will help you safely fix what’s broken on your dishwasher.

October 1, 2016
By Lyle Weischwill
How to replace a dishwasher door latch assembly

If the dishwasher door doesn't click shut, a broken door latch is a likely cause. Follow these instructions to replace it yourself.

Repair difficulty
Time required
 30 minutes or less
How to replace a dishwasher user interface control

The user interface control houses the selection buttons and display. If it fails, you can't select the cycle and settings. Follow these instructions to replace it yourself.

Repair difficulty
Time required
 30 minutes or less
April 1, 2014
By Lyle Weischwill
How to replace a dishwasher thermal fuse

A completely dead control panel often indicates that the thermal fuse on the electronic control board is blown; follow these steps to replace a blown thermal fuse in your dishwasher.

Repair difficulty
Time required
 15 minutes or less

Articles and videos common to all dishwashers

Use the advice and tips in these articles and videos to get the most out of your dishwasher.

November 13, 2022

7 Tips to Get Your Dishwasher Ready for the Holidays

By Lyle Weischwill

Find professional tips that can help you get your dishwasher ready for the holidays.

December 23, 2021

How to reset a Whirlpool dishwasher

By Lyle Weischwill

Learn how to reset a Whirlpool dishwasher when its control freezes up.

April 10, 2020

Cleaning your appliances after a drinking water advisory

By Julie Riebe

Find out how to clean and flush household appliances once a boil water advisory is lifted.