Frigidaire
Gas Cooktop

Model #FGC3X8XCTA Official Frigidaire gas cooktop - 5995263869

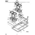
Here are the diagrams and repair parts for Frigidaire FGC3X8XCTA gas cooktop - 5995263869, as well as links to manuals and error code tables, if available.

There are a couple of ways to find the part or diagram you need:

  • Click a diagram to see the parts shown on that diagram.
  • In the search box below, enter all or part of the part number or the part’s name.

Not all parts are shown on the diagrams—those parts are labeled NI, for “not illustrated”.

We encourage you to save the model to your profile, so it’s easy to access parts and manuals for your appliance whenever you log in.

For DIY troubleshooting advice and repair guides, visit our repair help section.

Error Codes

    Showing 10 of 55 parts

    Range Spark Module#8

    Burner parts Diagram

    Range igniter spark module

    Part #5303280394
    Replaced by #316135702
    ?
    Manufacturer substitution
    This part replaces 5303280394. Substitute parts can look different from the original.
    In Stock
    $71.39 | 
    22% OFF 
    MSRP: $92.00
    Range Surface Burner Igniter#11

    Burner parts Diagram

    In Stock
    $25.59 | 
    16% OFF 
    Phone Price: $30.59
    Cooktop Igniter Switch#3

    Burner parts Diagram

    Cooktop igniter switch

    Part #316032002
    In Stock
    $69.79 | 
    7% OFF 
    Phone Price: $74.79
    Range Bushing#35

    Burner parts Diagram

    Insulation bushing

    Part #5303307978
    Replaced by #318146301
    ?
    Manufacturer substitution
    This part replaces 5303307978. Substitute parts can look different from the original.
    In Stock
    $35.29 | 
    12% OFF 
    Phone Price: $40.29
    Cooking Appliance Power Cord Strain Relief#45A

    Cooktop parts Diagram

    In Stock
    $17.23 | 
    10% OFF 
    Phone Price: $19.23
    Range Screw, #10-24 x 0.375-in

    #NI

    All parts Diagram

    Range screw, #10-24 x 0.375-in

    Part #08011955
    This item is not returnable
    In Stock
    $2.59 | 
    28% OFF 
    MSRP: $3.60
    Pan Burner#19

    Cooktop parts Diagram

    Pan burner

    Part #5303307929
    In Stock
    $26.84
    Range Screw

    #NI

    All parts Diagram

    Range screw

    Part #5303307980
    In Stock
    $7.79 | 
    51% OFF 
    MSRP: $16.00
    Range Surface Burner Valve Mounting Screw#2

    Burner parts Diagram

    Range surface burner valve mounting screw

    Part #316048200
    This item is not returnable
    In Stock
    $7.29
    Cooktop Burner Orifice#44

    Burner parts Diagram

    Cooktop burner orifice

    Part #5303210090
    In Stock
    $20.16

    Symptoms common to all cooktops

    Choose a symptom to see related cooktop repairs.

    Main causes: lack of electrical power, gas supply failure, bad pressure regulator, control system failure

    Repair guides for gas cooktops

    How to replace a spark igniter switch on a gas cooktop

    Follow these step-by-step instructions to fix the surface burner ignition system on your gas cooktop by replacing the spark igniter switches.

    Repair difficulty
    Time required
     45 minutes or less
    November 20, 2014
    By Lyle Weischwill
    How to replace a spark module on a gas cooktop

    No flame on your gas cooktop? Installing a new spark module could be the fix you need.

    Repair difficulty
    Time required
     30 minutes or less

    Articles and videos common to all cooktops

    Use the advice and tips in these articles and videos to get the most out of your cooktop.

    November 12, 2022

    5 Holiday Cleaning Tasks Essential to Boosting Your Home’s Image

    By Lyle Weischwill

    Get tips on completing essential holiday cleaning tasks to brighten your home.

    August 19, 2022

    Are DIY appliance repairs safe?

    By Lyle Weischwill

    Find out how to stay safe when repairing your appliances.

    July 9, 2021

    How to clean stainless steel appliances video

    By Lyle Weischwill

    Learn how to keep the stainless-steel appliances in your home clean and shining bright.