Speed Queen
Washer

Model #SWT210WM1124 Official Speed Queen commercial washer

Here are the diagrams and repair parts for Speed Queen SWT210WM1124 commercial washer, as well as links to manuals and error code tables, if available.

There are a couple of ways to find the part or diagram you need:

  • Click a diagram to see the parts shown on that diagram.
  • In the search box below, enter all or part of the part number or the part’s name.

Not all parts are shown on the diagrams—those parts are labeled NI, for “not illustrated”.

We encourage you to save the model to your profile, so it’s easy to access parts and manuals for your appliance whenever you log in.

For DIY troubleshooting advice and repair guides, visit our repair help section.

Showing 10 of 283 parts

Screw#7

Meter case Diagram

Screw

Part #503688

The manufacturer no longer makes this part, and there's no substitute part

Ring#14

Motor assy Diagram

Ring

Part #23748

The manufacturer no longer makes this part, and there's no substitute part

Washer Silicone Grease#3A

Brake assy Diagram

Washer silicone grease

Part #26594P

The manufacturer no longer makes this part, and there's no substitute part

Screw#9

Brake assy Diagram

Screw

Part #27220

The manufacturer no longer makes this part, and there's no substitute part

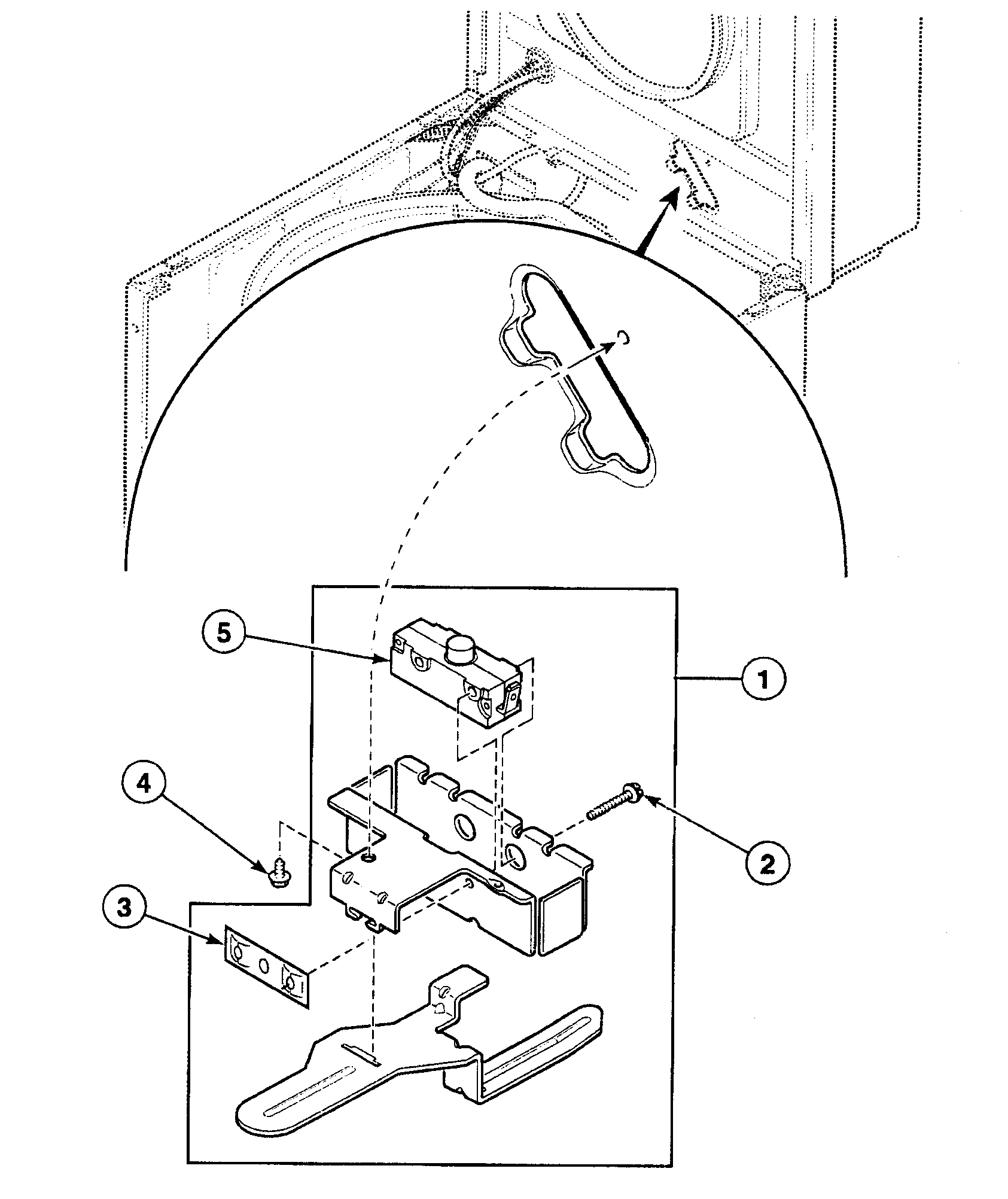
Actuator#6

Security kit Diagram

Actuator

Part #36164

The manufacturer no longer makes this part, and there's no substitute part

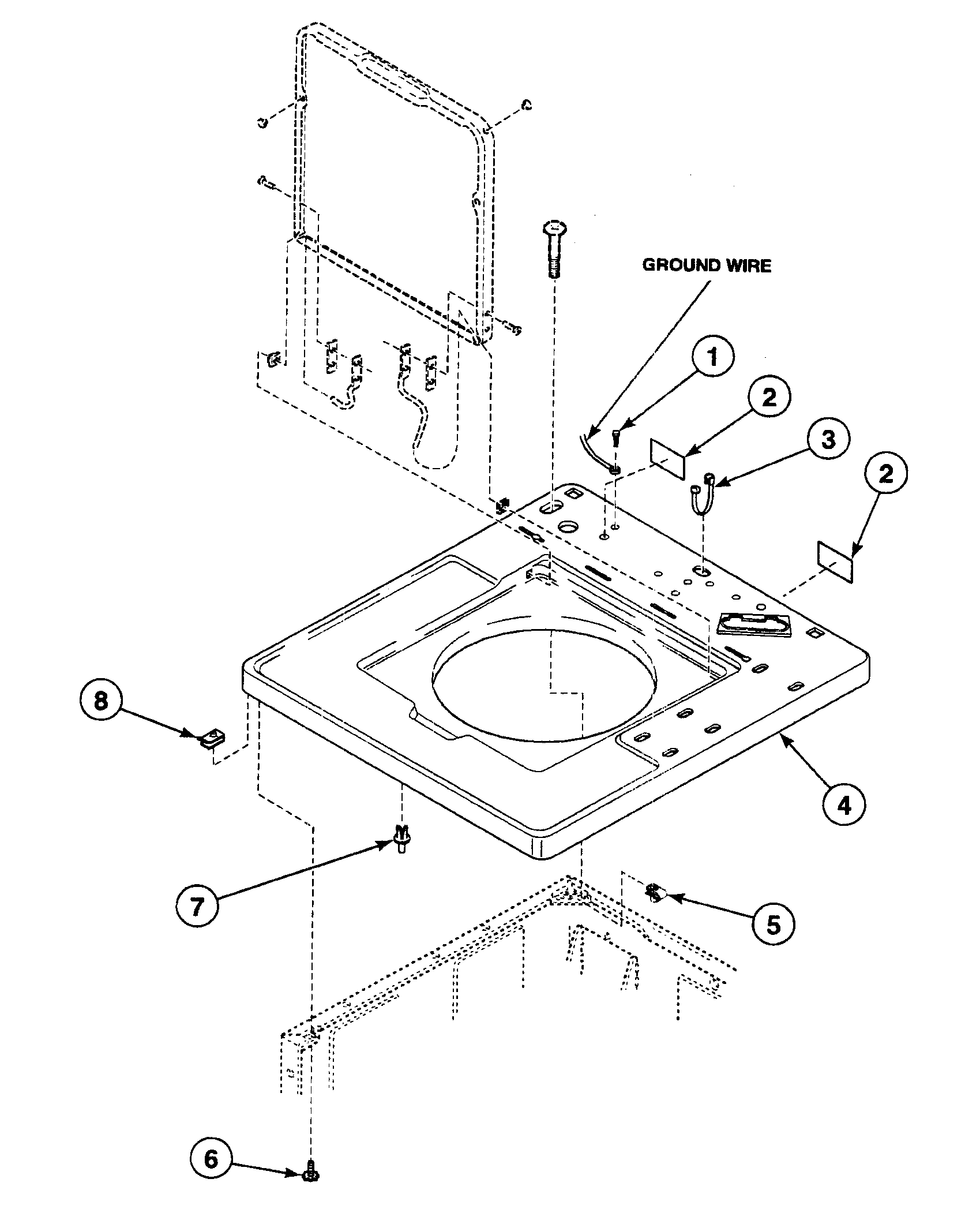
Washer#9

Tub assy Diagram

Washer

Part #39249

The manufacturer no longer makes this part, and there's no substitute part

Nut#18

Meter case Diagram

Nut

Part #29786

The manufacturer no longer makes this part, and there's no substitute part

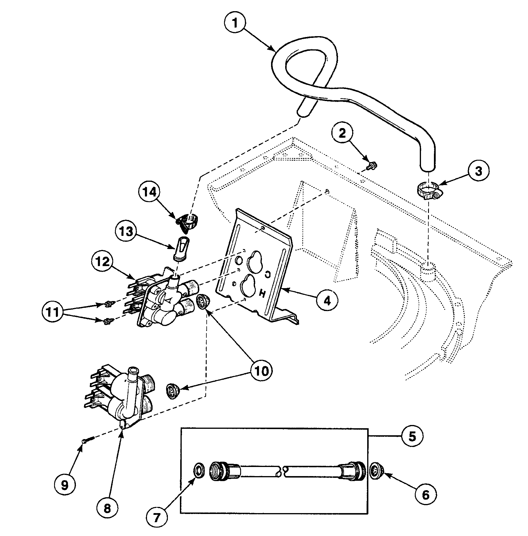
Hose Clamp#3

Valve assy Diagram

Hose clamp

Part #800803

The manufacturer no longer makes this part, and there's no substitute part

Nut#21

Motor assy Diagram

Nut

Part #35423

The manufacturer no longer makes this part, and there's no substitute part

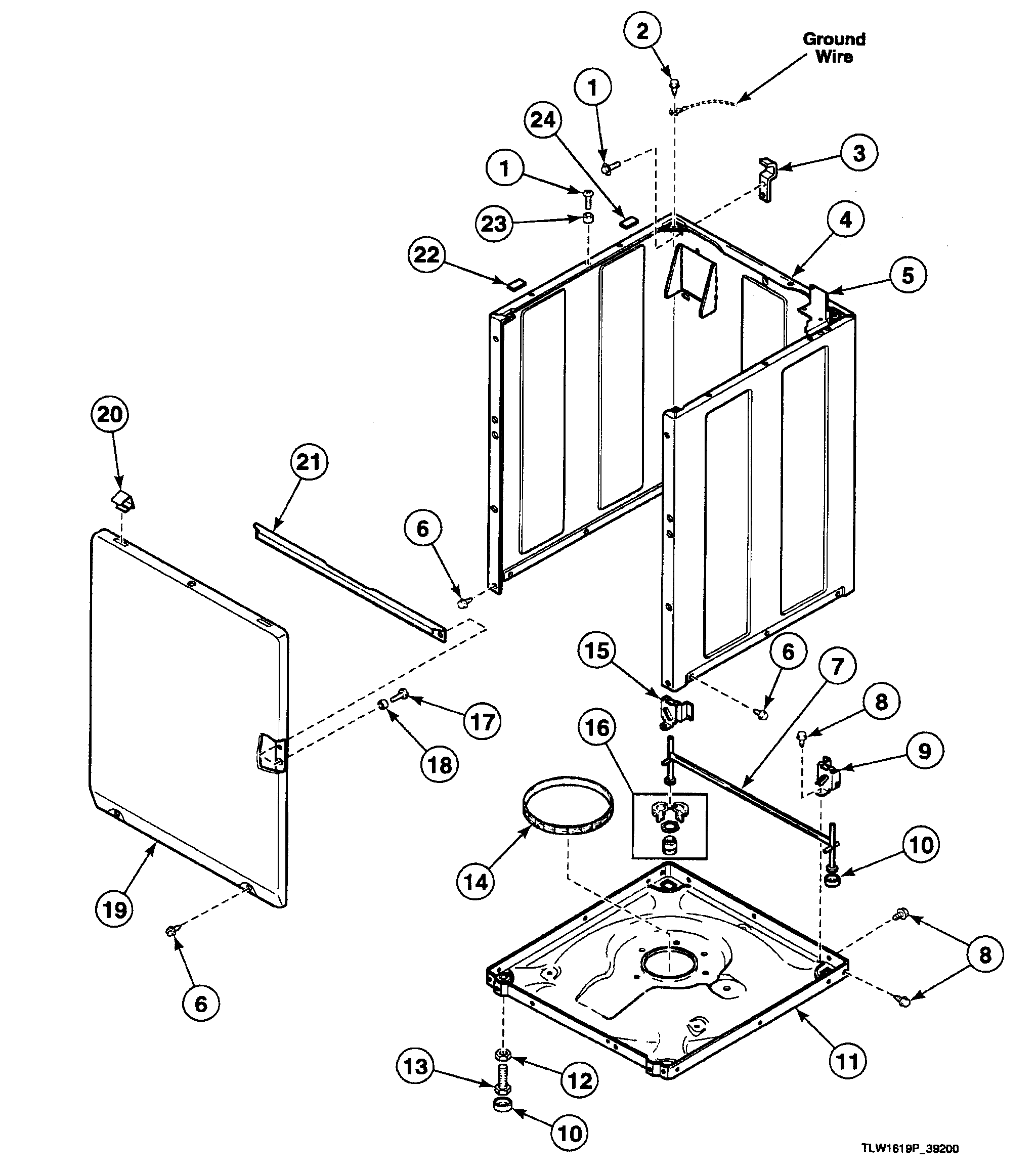
Lug Hinge#3

Cabinet Diagram

Lug hinge

Part #27103

The manufacturer no longer makes this part, and there's no substitute part

Symptoms common to all washers

Choose a symptom to see related washer repairs.

Main causes: leaky water inlet valve, faulty water-level pressure switch, bad electronic control board
Main causes: lack of electrical power, wiring failure, bad power cord, electronic control board failure, bad user interface board
Main causes: water heater failure, bad water temperature switch, faulty control board, bad water valve, faulty water temperature sensor
Main causes: unbalanced load, loose spanner nut, worn drive block, broken shock absorber or suspension spring, debris in drain pump
Main causes: broken lid switch or lid lock, bad pressure switch, broken shifter assembly, faulty control system
Main causes: clogged drain hose, house drain clogged, bad drain pump, water-level pressure switch failure, bad control board or timer
Main causes: worn agitator dogs, bad clutch, broken motor coupler, shifter assembly failure, broken door lock, suspension component failure
Main causes: no water supply, bad water valves, water-level pressure switch failure, control system failure, bad door lock or lid switch
Main causes: bad lid switch or door lock, bad timer or electronic control board, wiring failure, bad water inlet valve assembly

Articles and videos common to all washers

Use the advice and tips in these articles and videos to get the most out of your washer.

January 3, 2022

Why is my washing machine leaking when not in use?

By Lyle Weischwill

Learn how to fix a washing machine leak

December 30, 2021

How to fix a washing machine

By Lyle Weischwill

Learn how to fix your broken washing machine

April 10, 2020

Cleaning your appliances after a drinking water advisory

By Julie Riebe

Find out how to clean and flush household appliances once a boil water advisory is lifted.