Panasonic
Camera

Model #DMC-LS75P Official Panasonic digital camera

Here are the diagrams and repair parts for Panasonic DMC-LS75P digital camera, as well as links to manuals and error code tables, if available.

There are a couple of ways to find the part or diagram you need:

  • Click a diagram to see the parts shown on that diagram.
  • In the search box below, enter all or part of the part number or the part’s name.

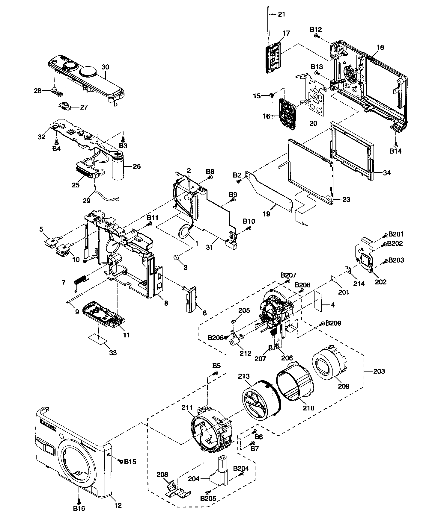
Not all parts are shown on the diagrams—those parts are labeled NI, for “not illustrated”.

We encourage you to save the model to your profile, so it’s easy to access parts and manuals for your appliance whenever you log in.

For DIY troubleshooting advice and repair guides, visit our repair help section.

Showing 10 of 32 parts

Sd Cover#17

Cabinet parts Diagram

Sd cover

Part #VKF4171
In Stock
$8.07
Transformer#NI

Cabinet parts Diagram

Transformer

Part #G5D1A0000038
This item is not returnable
In Stock
$5.41
Top Case#30

Cabinet parts Diagram

Top case

Part #VYK2A77
In Stock
$29.81
Zoom#28

Cabinet parts Diagram

Zoom

Part #VGU0A95
This item is not returnable
In Stock
$4.02
Focus Motor#212

Cabinet parts Diagram

Focus motor

Part #06SSS6F3NM
In Stock
$20.30
Ph Sensor#205

Cabinet parts Diagram

Ph sensor

Part #B3NAA0000074
This item is not returnable
In Stock
$4.09
Owner's Manual#NI

Cabinet parts Diagram

Owner's manual

Part #VQT1C63-1
In Stock
$24.17
Battery Door#11

Cabinet parts Diagram

Battery door

Part #VYF3132
In Stock
$14.60
Zoom Motor#204

Cabinet parts Diagram

Zoom motor

Part #L6DA8BEC0001
In Stock
$20.61
Knob Power#27

Cabinet parts Diagram

Knob power

Part #VGU0A90
In Stock
$8.07