Kenmore
Dishwasher

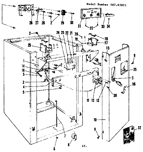
Model #58765821 Official Kenmore portable dishwasher

Here are the diagrams and repair parts for Kenmore 58765821 portable dishwasher, as well as links to manuals and error code tables, if available.

There are a couple of ways to find the part or diagram you need:

  • Click a diagram to see the parts shown on that diagram.
  • In the search box below, enter all or part of the part number or the part’s name.

Not all parts are shown on the diagrams—those parts are labeled NI, for “not illustrated”.

We encourage you to save the model to your profile, so it’s easy to access parts and manuals for your appliance whenever you log in.

For DIY troubleshooting advice and repair guides, visit our repair help section.

    Showing 10 of 114 parts

    Screw

    See All Related Diagrams

    Screw

    Part #GM445512

    The manufacturer no longer makes this part, and there's no substitute part

    Screw#28

    Frame details Diagram

    Screw

    Part #803076

    The manufacturer no longer makes this part, and there's no substitute part

    Lock Washer#24

    Tub details Diagram

    Lock washer

    Part #GM121752

    The manufacturer no longer makes this part, and there's no substitute part

    Dishwasher Spray Arm, Lower#29

    Motor, heater and impeller details Diagram

    Spray arm

    Part #804482
    Replaced by #5300808961
    ?
    Manufacturer substitution
    This part replaces 804482. Substitute parts can look different from the original.
    In Stock
    $159.16
    Lock Washer#2

    Console details Diagram

    Lock washer

    Part #GM138473

    The manufacturer no longer makes this part, and there's no substitute part

    Dishwasher Screw#24

    Motor, heater and impeller details Diagram

    Screw

    Part #804525
    Replaced by #5300806353
    ?
    Manufacturer substitution
    This part replaces 804525. Substitute parts can look different from the original.
    This item is not returnable
    In Stock
    $4.82
    Washer#16

    Frame details Diagram

    Washer

    Part #803363

    The manufacturer no longer makes this part, and there's no substitute part

    Dishwasher Faucet Adapter#22

    Tub details Diagram

    Washer

    Part #803393
    Replaced by #5304490369
    ?
    Manufacturer substitution
    This part replaces 803393. Substitute parts can look different from the original.
    In Stock
    $37.56 | 
    12% OFF 
    Phone Price: $42.56
    Range Hex Flange Nut, #10-32 x 3/8-in#28

    Motor, heater and impeller details Diagram

    Nut

    Part #804527
    Replaced by #316205500
    ?
    Manufacturer substitution
    This part replaces 804527. Substitute parts can look different from the original.
    This item is not returnable
    In Stock
    $12.37
    Screw#23

    Tub details Diagram

    Screw

    Part #803416

    The manufacturer no longer makes this part, and there's no substitute part

    Symptoms common to all dishwashers

    Choose a symptom to see related dishwasher repairs.

    Main causes: broken door latch, tripped circuit breaker, broken heating element, faulty vent fan, sensor failure, control system problem
    Main cause: damaged rack height adjuster
    Main causes: damaged or stuck spray arm, leaking door seal, damaged door hinge, leaky heating element water seal, cracked water supply line
    Main causes: clogged kitchen sink drain, clogged drain hose, drain check valve damaged, drain pump failure, control system problem
    Main causes: water supply problem, stuck overfill float, clogged water inlet valve screen, water inlet valve failure
    Main causes: glass or popcorn kernel stuck in the chopper blade, drain line vibrating against the cabinet, debris in wash pump or drain pump
    Main causes: broken door spring, damaged or broken door hinge
    Main causes: not using rinse aid, rinse aid dispenser failure, broken heating element, malfunctioning vent, drying fan failure
    Main causes: light switch beside the sink turned off, lack of power, bad dishwasher door switch, control system failure, wiring problem

    Repair guides common to all dishwashers

    These step-by-step repair guides will help you safely fix what’s broken on your dishwasher.

    October 1, 2016
    By Lyle Weischwill
    How to replace a dishwasher door latch assembly

    If the dishwasher door doesn't click shut, a broken door latch is a likely cause. Follow these instructions to replace it yourself.

    Repair difficulty
    Time required
     30 minutes or less
    How to replace a dishwasher user interface control

    The user interface control houses the selection buttons and display. If it fails, you can't select the cycle and settings. Follow these instructions to replace it yourself.

    Repair difficulty
    Time required
     30 minutes or less
    April 1, 2014
    By Lyle Weischwill
    How to replace a dishwasher thermal fuse

    A completely dead control panel often indicates that the thermal fuse on the electronic control board is blown; follow these steps to replace a blown thermal fuse in your dishwasher.

    Repair difficulty
    Time required
     15 minutes or less

    Articles and videos common to all dishwashers

    Use the advice and tips in these articles and videos to get the most out of your dishwasher.

    November 13, 2022

    7 Tips to Get Your Dishwasher Ready for the Holidays

    By Lyle Weischwill

    Find professional tips that can help you get your dishwasher ready for the holidays.

    December 23, 2021

    How to reset a Whirlpool dishwasher

    By Lyle Weischwill

    Learn how to reset a Whirlpool dishwasher when its control freezes up.

    April 10, 2020

    Cleaning your appliances after a drinking water advisory

    By Julie Riebe

    Find out how to clean and flush household appliances once a boil water advisory is lifted.