Dirt Devil
Upright Vacuum

Model #089400 Official Dirt Devil ultra mvp vacuum

Here are the diagrams and repair parts for Dirt Devil 089400 ultra mvp vacuum, as well as links to manuals and error code tables, if available.

There are a couple of ways to find the part or diagram you need:

  • Click a diagram to see the parts shown on that diagram.
  • In the search box below, enter all or part of the part number or the part’s name.

Not all parts are shown on the diagrams—those parts are labeled NI, for “not illustrated”.

We encourage you to save the model to your profile, so it’s easy to access parts and manuals for your appliance whenever you log in.

For DIY troubleshooting advice and repair guides, visit our repair help section.

Showing 10 of 55 parts

Dirt Devil Vacuum Bag, Type U, 3-pack#50

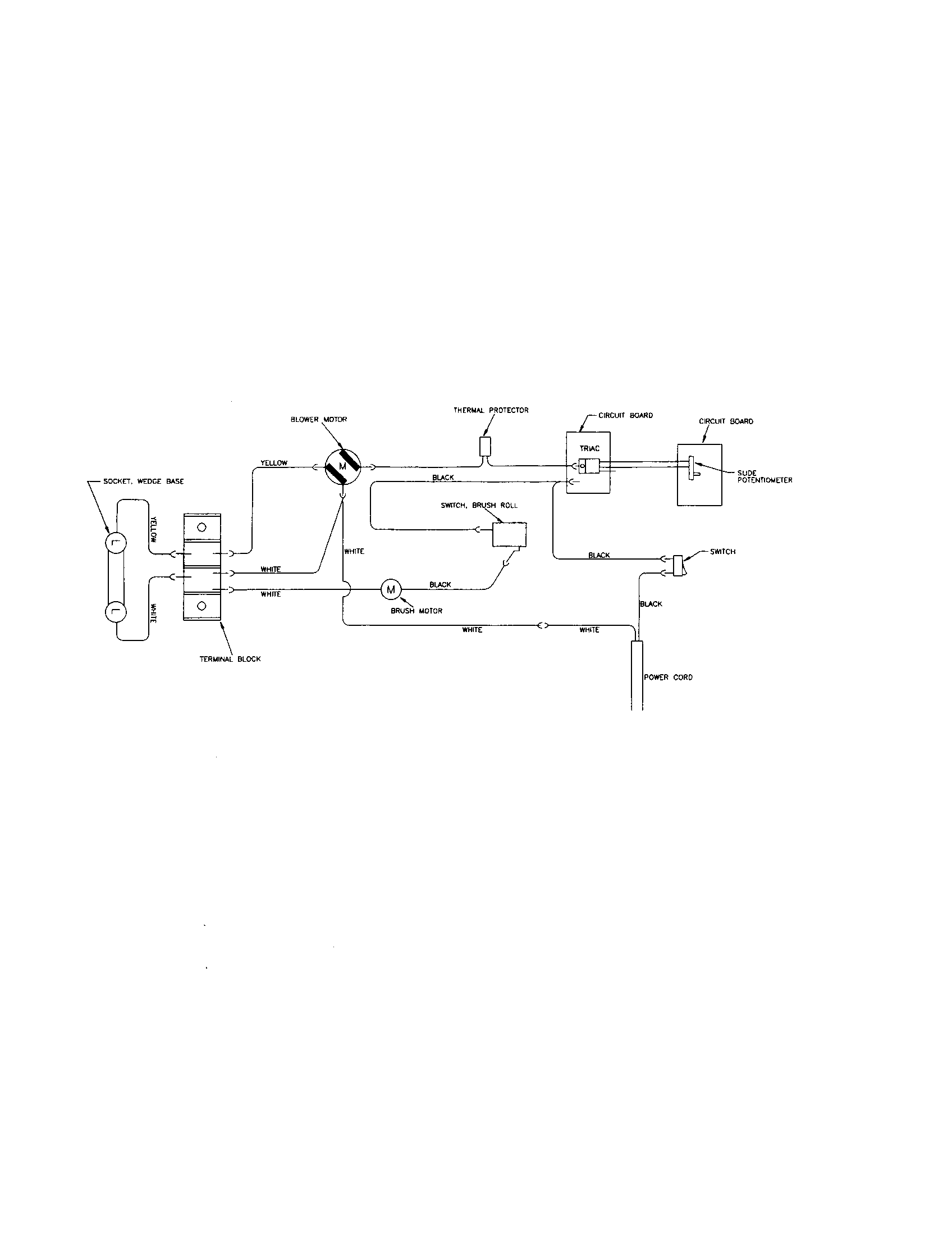
Ultra mvp Diagram

Dirt devil vacuum bag, type u, 3-pack

Part #3-920047-001

The manufacturer no longer makes this part, and there's no substitute part

Vacuum Crevice Tool#9

Ultra mvp Diagram

Vacuum crevice tool

Part #1-920035-600

The manufacturer no longer makes this part, and there's no substitute part

Motor Brush#49

Ultra mvp Diagram

Motor brush

Part #2-920700-000

The manufacturer no longer makes this part, and there's no substitute part

Wheel Cap#30

Ultra mvp Diagram

Wheel cap

Part #1-801711-000

The manufacturer no longer makes this part, and there's no substitute part

Fastener#51

Ultra mvp Diagram

Fastener

Part #1-940430-000

The manufacturer no longer makes this part, and there's no substitute part

Vacuum Screw#2

Ultra mvp Diagram

Vacuum screw

Part #1-503819-000

The manufacturer no longer makes this part, and there's no substitute part

Block#28

Ultra mvp Diagram

Block

Part #1-920457-000

The manufacturer no longer makes this part, and there's no substitute part

Vacuum Beater Bar Belt#18

Ultra mvp Diagram

Vacuum beater bar belt

Part #1-920115-600

The manufacturer no longer makes this part, and there's no substitute part

Switch#4

Ultra mvp Diagram

Switch

Part #1-720128-300

The manufacturer no longer makes this part, and there's no substitute part

Bulb#29

Ultra mvp Diagram

Bulb

Part #1-920906-000

The manufacturer no longer makes this part, and there's no substitute part

Symptoms common to all vacuum cleaners

Choose a symptom to see related vacuum cleaner repairs.

Main causes: damaged vacuum hose, clogged motor air filter, bad suction motor
Main causes: broken drive belt, damaged brush roll, tripped brush roll motor overload, bad brush roll motor, wiring failure
Main causes: lack of power, bad power cord, drive motor failure, wiring failure
Main causes: weak suction motor, vacuum bag is full, clog in suction air path, dirty exhaust filter, leaky vacuum hose

Articles and videos common to all vacuum cleaners

Use the advice and tips in these articles and videos to get the most out of your vacuum.

January 5, 2015

10 must-have tools for appliance repair

By Lyle Weischwill

Come see which tools made our top 10 must-haves for DIY appliance repair.

December 18, 2014

Deciding between a canister or upright vacuum

By Lyle Weischwill

Undecided about canister or upright? We compare them.

July 1, 2013

Vacuum common questions

By Lyle Weischwill

Find the answers to frequently asked questions about vacuum cleaners.