Craftsman
Welder

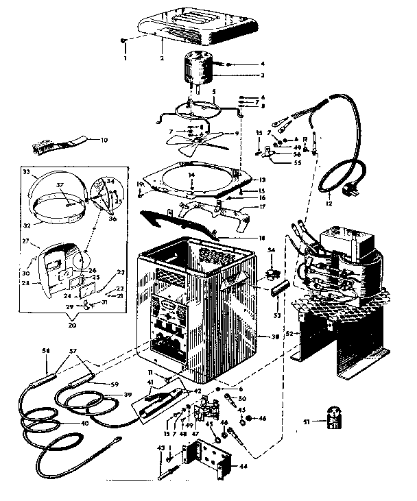
Model #11320235 Official Craftsman ac arc welder

Here are the diagrams and repair parts for Craftsman 11320235 ac arc welder, as well as links to manuals and error code tables, if available.

There are a couple of ways to find the part or diagram you need:

  • Click a diagram to see the parts shown on that diagram.
  • In the search box below, enter all or part of the part number or the part’s name.

Not all parts are shown on the diagrams—those parts are labeled NI, for “not illustrated”.

We encourage you to save the model to your profile, so it’s easy to access parts and manuals for your appliance whenever you log in.

For DIY troubleshooting advice and repair guides, visit our repair help section.

Showing 10 of 59 parts

Welder Cable Insulator#58

Unit Diagram

Welder cable insulator

Part #30332

The manufacturer no longer makes this part, and there's no substitute part

Washer#36

Unit Diagram

Washer

Part #S-1314

The manufacturer no longer makes this part, and there's no substitute part

Washer#49

Unit Diagram

Washer

Part #S-1407

The manufacturer no longer makes this part, and there's no substitute part

Hex Nut#46

Unit Diagram

Hex nut

Part #S-1206

The manufacturer no longer makes this part, and there's no substitute part

Screw#1

Unit Diagram

Screw

Part #S-1320

The manufacturer no longer makes this part, and there's no substitute part

Lock Washer#45

Unit Diagram

Lock washer

Part #S-129

The manufacturer no longer makes this part, and there's no substitute part

Wing Nut#30

Unit Diagram

Wing nut

Part #37457

The manufacturer no longer makes this part, and there's no substitute part

Screw#16

Unit Diagram

Screw

Part #S-1399

The manufacturer no longer makes this part, and there's no substitute part

Nut#6

Unit Diagram

Nut

Part #S-1405

The manufacturer no longer makes this part, and there's no substitute part

Screw#15

Unit Diagram

Screw

Part #S-118

The manufacturer no longer makes this part, and there's no substitute part