Whirlpool
Dryer

Model #CEE2790KQ2 Official Whirlpool commercial dryer

Here are the diagrams and repair parts for Whirlpool CEE2790KQ2 commercial dryer, as well as links to manuals and error code tables, if available.

There are a couple of ways to find the part or diagram you need:

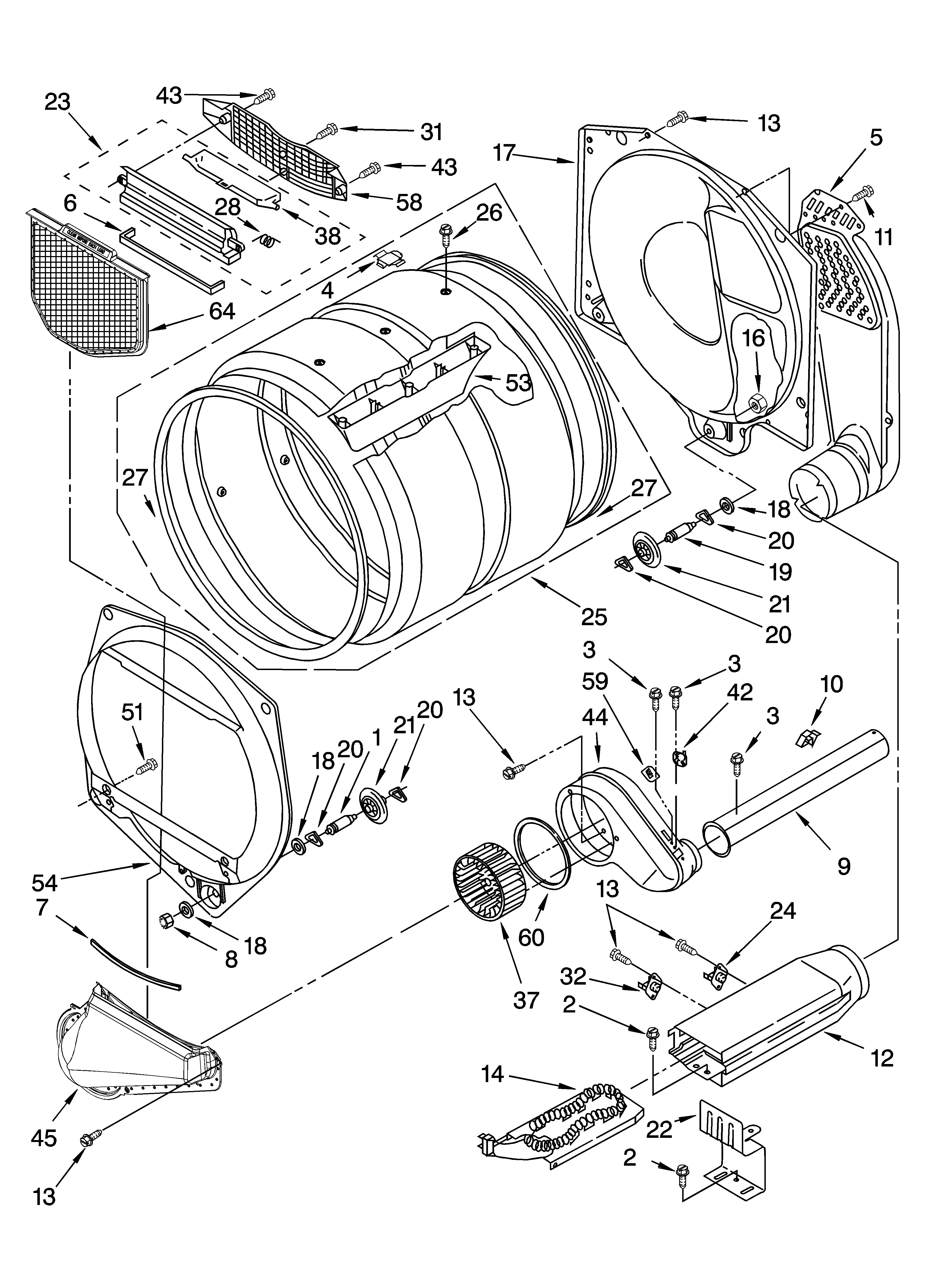
  • Click a diagram to see the parts shown on that diagram.
  • In the search box below, enter all or part of the part number or the part’s name.

Not all parts are shown on the diagrams—those parts are labeled NI, for “not illustrated”.

We encourage you to save the model to your profile, so it’s easy to access parts and manuals for your appliance whenever you log in.

For DIY troubleshooting advice and repair guides, visit our repair help section.

Showing 10 of 147 parts

Dryer Thermal Fuse, 195-degree F (replaces 3392519)#59

Bulkhead parts and optional parts (not included) Diagram

Dryer thermal fuse

Part #3392519
Replaced by #WP3392519
?
Manufacturer substitution
This part replaces 3392519. Substitute parts can look different from the original.
BEST SELLER
In Stock
$18.31 | 
10% OFF 
Phone Price: $20.31
Dryer Door Latch Kit (replaces 2003, 3392538, 3398175, 8208)#52

Cabinet parts Diagram

Strike

Part #696144
Replaced by #279570
?
Manufacturer substitution
This part replaces 696144. Substitute parts can look different from the original.
BEST SELLER
This item is not returnable
In Stock
$3.40 | 
74% OFF 
MSRP: $13.00
Dryer Door Latch Kit (replaces 2003, 3392538, 3398175, 8208)#58

Cabinet parts Diagram

Catch

Part #3392538
Replaced by #279570
?
Manufacturer substitution
This part replaces 3392538. Substitute parts can look different from the original.
BEST SELLER
This item is not returnable
In Stock
$3.40 | 
74% OFF 
MSRP: $13.00
Dryer Repair Kit (replaces 2015, 80047)#NI

Bulkhead parts and optional parts (not included) Diagram

In Stock
$57.19 | 
8% OFF 
Phone Price: $62.19
Dryer Lint Screen#64

Bulkhead parts and optional parts (not included) Diagram

Screen

Part #8066170
Replaced by #W10120998
?
Manufacturer substitution
This part replaces 8066170. Substitute parts can look different from the original.
BEST SELLER
In Stock
$56.26 | 
8% OFF 
Phone Price: $61.26
Dryer Drum Support Roller (replaces W10314173)#21

Bulkhead parts and optional parts (not included) Diagram

Support

Part #8536973
Replaced by #WPW10314173
?
Manufacturer substitution
This part replaces 8536973. Substitute parts can look different from the original.
BEST SELLER
In Stock
$20.92 | 
19% OFF 
Phone Price: $25.92
Dryer Drum Belt#30

Cabinet parts Diagram

Dryer drive belt

Part #3387610
Replaced by #661570V
?
Manufacturer substitution
This part replaces 3387610. Substitute parts can look different from the original.
BEST SELLER
In Stock
$29.92 | 
14% OFF 
Phone Price: $34.92
Dryer Drum Seal Kit (replaces 697694, W10116343, W10166807, W10521118)#27

Bulkhead parts and optional parts (not included) Diagram

Dryer drum seal

Part #697694
Replaced by #280114
?
Manufacturer substitution
This part replaces 697694. Substitute parts can look different from the original.
BEST SELLER
In Stock
$41.76 | 
11% OFF 
Phone Price: $46.76
Dryer Motor Pulley#28

Cabinet parts Diagram

Motor pulley

Part #3389627
Replaced by #WP8066184
?
Manufacturer substitution
This part replaces 3389627. Substitute parts can look different from the original.
BEST SELLER
In Stock
$39.10 | 
11% OFF 
Phone Price: $44.10
Appliance Spray Paint (White) (replaces 094566-64, 206923, 2780-0001, 4395978, 5303203125, 66208, 788343, 799343, 799433, 99343, A0050702, F94566-010, Y057937, Y350930)#NI

Bulkhead parts and optional parts (not included) Diagram

Symptoms common to all dryers

Choose a symptom to see related dryer repairs.

Main causes: bad drum support roller, damaged idler pulley, broken blower fan blade, worn drum glide bearing, bad drive motor
Main causes: bad gas valve coils, broken heating element, tripped safety thermostat or fuse, bad operating thermostat, control failure
Main causes: bad timer or electronic control board, door switch failure
Main causes: lack of electrical power, bad power cord, wiring failure, bad control board, blown thermal fuse, bad door switch
Main causes: clogged exhaust vent, bad motor relay, loose dryer door catch, bad door switch, control system failure, faulty drive motor
Main causes: damaged door strike, worn door catch
Main causes: door switch failure, lack of power, broken belt, blown thermal fuse, bad drive motor, control system failure
Main causes: clogged exhaust system, heating system failure, deposits on moisture sensor, control system failure

Repair guides common to all dryers

These step-by-step repair guides will help you safely fix what’s broken on your dryer.

August 1, 2014
Lyle Weischwill
How to replace a dryer drum support roller

If your dryer thumps or squeals, replace the drum support roller to restore quiet to your home.

Repair difficulty
Time required
 90 minutes or less
August 1, 2014
Lyle Weischwill
How to replace a dryer thermistor

The thermistor senses the air temperature in the dryer. If your dryer overheats or doesn't heat at all, the thermistor could be the problem.

Repair difficulty
Time required
 30 minutes or less
August 1, 2014
Lyle Weischwill
How to replace a dryer idler pulley

The idler pulley exerts pressure keeps the drive belt tight so it can rotate the drum. A worn idler pulley squeals or squeaks when the dryer is running. Follow these instructions to replace it.

Repair difficulty
Time required
 90 minutes or less

Articles and videos common to all dryers

Use the advice and tips in these articles and videos to get the most out of your dryer.

October 24, 2022

Easy DIY appliance repairs that anyone can do

Lyle Weischwill

Get advice on simple DIY fixes for appliances that you can safely do on your own.

January 4, 2022

How to replace a Maytag dryer heating element

Lyle Weischwill

Learn how to replace a Maytag dryer heating element

August 17, 2021

How to read a wiring schematic video

Lyle Weischwill

Learn how to decipher symbols so you can buy the right part for your problem.