Craftsman
Air Compressor

Model #919165610 Official Craftsman air compressor

Here are the diagrams and repair parts for Craftsman 919165610 air compressor, as well as links to manuals and error code tables, if available.

There are a couple of ways to find the part or diagram you need:

  • Click a diagram to see the parts shown on that diagram.
  • In the search box below, enter all or part of the part number or the part’s name.

Not all parts are shown on the diagrams—those parts are labeled NI, for “not illustrated”.

We encourage you to save the model to your profile, so it’s easy to access parts and manuals for your appliance whenever you log in.

For DIY troubleshooting advice and repair guides, visit our repair help section.

Owner’s manual

    Showing 10 of 60 parts

    Air Compressor Cylinder Sleeve and Ring Kit#NI

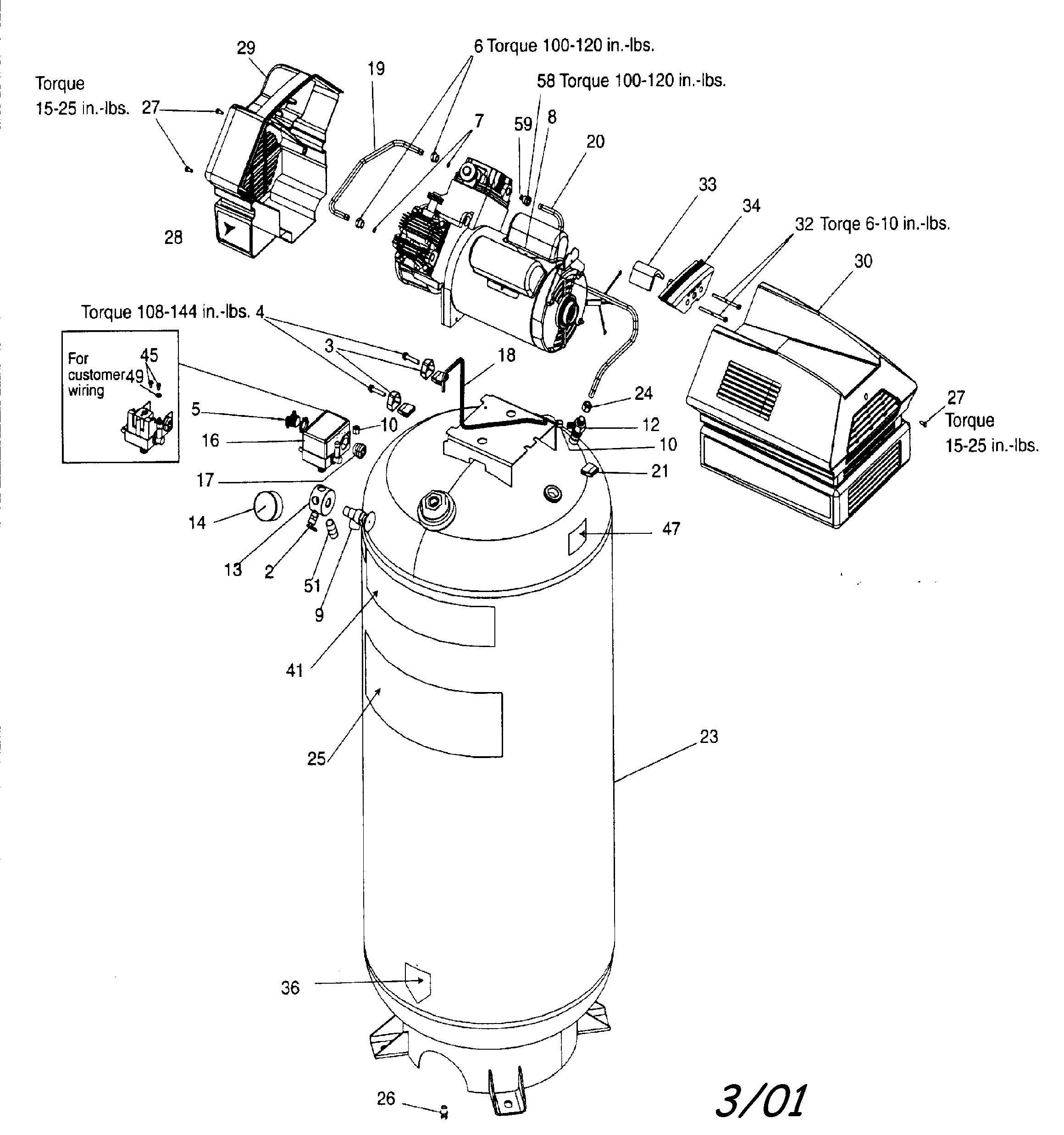
    Cabinet parts Diagram

    Air compressor cylinder sleeve and ring kit

    Part #K-0650

    The manufacturer no longer makes this part, and there's no substitute part

    Air Compressor Cylinder Head O-Ring#15

    Cabinet parts Diagram

    Air compressor cylinder head o-ring

    Part #ACG-45

    The manufacturer no longer makes this part, and there's no substitute part

    Screw#45

    Cabinet parts Diagram

    Screw

    Part #SUDL-9-1

    The manufacturer no longer makes this part, and there's no substitute part

    Air Compressor O-Ring#7

    Cabinet parts Diagram

    Air compressor o-ring

    Part #AC-0781

    The manufacturer no longer makes this part, and there's no substitute part

    Air Compressor Screw#27

    Cabinet parts Diagram

    Air compressor screw

    Part #ACG-408

    The manufacturer no longer makes this part, and there's no substitute part

    Air Compressor Screw#32

    Cabinet parts Diagram

    Air compressor screw

    Part #SSF-554

    The manufacturer no longer makes this part, and there's no substitute part

    Air Compressor Connecting Rod Screw#21

    Cabinet parts Diagram

    Air compressor connecting rod screw

    Part #SSF-3158-1

    The manufacturer no longer makes this part, and there's no substitute part

    Air Compressor Power Cord Strain Relief#5

    Cabinet parts Diagram

    Air compressor power cord strain relief

    Part #SSW-7482

    The manufacturer no longer makes this part, and there's no substitute part

    Air Compressor Shroud, Front#29

    Cabinet parts Diagram

    Air compressor shroud, front

    Part #ACG-14

    The manufacturer no longer makes this part, and there's no substitute part

    Valve#2

    Cabinet parts Diagram

    Valve

    Part #D21885

    The manufacturer no longer makes this part, and there's no substitute part

    Symptoms common to all air compressors

    Choose a symptom to see related air compressor repairs.

    Main causes: rusted air tank, loose air tube fitting connections, bad check valve, leaky safety valve, bad tank drain valve
    Main causes: bad safety valve, pressure switch failure
    Main causes: loose air tube fitting connections, bad check valve, faulty safety valve, damaged or corroded air tank, bad air pump
    Main causes: tank drain valve open or leaking air, leaky air tank, bad safety valve, worn pump seals, bad pump valve plate
    Main causes: lack of electrical power, check valve failure, bad pressure switch

    Repair guides common to all air compressors

    These step-by-step repair guides will help you safely fix what’s broken on your air compressor.

    How to replace an air compressor pressure switch

    You can replace a broken air compressor pressure switch in about 45 minutes.

    Repair difficulty
    Time required
     45 minutes or less
    May 1, 2015
    By Lyle Weischwill
    How to rebuild an air compressor pump

    If the air compressor won't fill the tank with compressed air, rebuild the pump using these steps in about 45 minutes.

    Repair difficulty
    Time required
     45 minutes or less
    How to replace an air compressor check valve

    You can replace a defective air compressor check valve in about 10 minutes.

    Repair difficulty
    Time required
     15 minutes or less

    Articles and videos common to all air compressors

    Use the advice and tips in these articles and videos to get the most out of your air compressor.

    April 24, 2015

    How to reduce air compressor noise

    By Lyle Weischwill

    Find out how to reduce air compressor noise.

    April 21, 2015

    How to maintain an oil-free air compressor

    By Lyle Weischwill

    Learn how to maintain an oil-less air compressor for safe and efficient operation.

    April 21, 2015

    How to maintain an oil-lubricated air compressor

    By Lyle Weischwill

    See how to perform routine maintenance on your oil-lubricated air compressor.