Craftsman
Chainsaw

Model #91760033 Official Craftsman chainsaw

Here are the diagrams and repair parts for Craftsman 91760033 chainsaw, as well as links to manuals and error code tables, if available.

There are a couple of ways to find the part or diagram you need:

  • Click a diagram to see the parts shown on that diagram.
  • In the search box below, enter all or part of the part number or the part’s name.

Not all parts are shown on the diagrams—those parts are labeled NI, for “not illustrated”.

We encourage you to save the model to your profile, so it’s easy to access parts and manuals for your appliance whenever you log in.

For DIY troubleshooting advice and repair guides, visit our repair help section.

Showing 10 of 253 parts

Lawn & Garden Equipment Screw#51

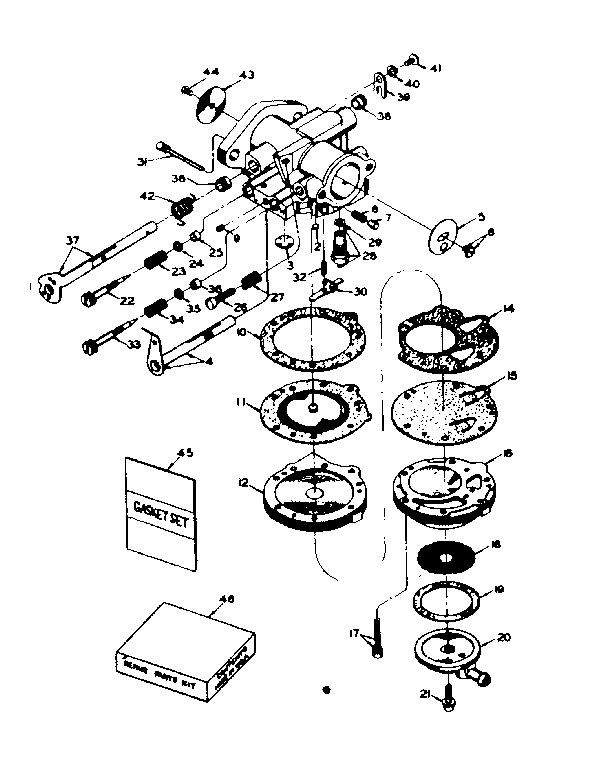
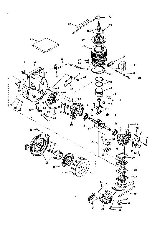
Engine type Diagram

Lawn & garden equipment screw

Part #650451
This item is not returnable
In Stock
$2.16
Plug#28

Engine type Diagram

Plug

Part #610120

The manufacturer no longer makes this part, and there's no substitute part

Lock Washer#57

Engine type Diagram

Lock washer

Part #650201

The manufacturer no longer makes this part, and there's no substitute part

Piston Pin Retaining Ring#7

Engine type Diagram

Retaining ring

Part #310167
Replaced by #310296
?
Manufacturer substitution
This part replaces 310167. Substitute parts can look different from the original.
This item is not returnable
In Stock
$2.16
Nut#16

Magneto Diagram

Nut

Part #610408

The manufacturer no longer makes this part, and there's no substitute part

Flat Washer#18

Engine type Diagram

Flat washer

Part #650147

The manufacturer no longer makes this part, and there's no substitute part

Lawn & Garden Equipment Engine Crankshaft Seal Retainer

See All Related Diagrams

Retainer

Part #510106
Replaced by #510106A
?
Manufacturer substitution
This part replaces 510106. Substitute parts can look different from the original.
This item is not returnable
In Stock
$2.60
Condenser#8

Magneto Diagram

Condenser

Part #610588
Replaced by #610588
?
Manufacturer substitution
This part replaces 610588. Substitute parts can look different from the original.
In Stock
$11.83
Screw#45

Main frame Diagram

Screw

Part #04670428

The manufacturer no longer makes this part, and there's no substitute part

Lawn & Garden Equipment Engine Screw#33

Engine type Diagram

Screw

Part #650434
Replaced by #650545
?
Manufacturer substitution
This part replaces 650434. Substitute parts can look different from the original.
This item is not returnable
In Stock
$2.16

Articles and videos common to all chainsaws

July 12, 2022

What are the most common replacement parts for chainsaws?

By Lyle Weischwill

Learn about the most common replacement parts for chainsaws and how they can help you fix chainsaw problems.

June 29, 2022

Top questions about Sears and Sears PartsDirect

By Lyle Weischwill

Get answers to frequently asked questions about Sears and Sears PartsDirect.