Maytag
Washer

Model #LA105 Official Maytag washer/dryer

Here are the diagrams and repair parts for Maytag LA105 washer/dryer, as well as links to manuals and error code tables, if available.

There are a couple of ways to find the part or diagram you need:

  • Click a diagram to see the parts shown on that diagram.
  • In the search box below, enter all or part of the part number or the part’s name.

Not all parts are shown on the diagrams—those parts are labeled NI, for “not illustrated”.

We encourage you to save the model to your profile, so it’s easy to access parts and manuals for your appliance whenever you log in.

For DIY troubleshooting advice and repair guides, visit our repair help section.

    Showing 10 of 250 parts

    Appliance Adhesive Sealant

    See All Related Diagrams

    Silastic,adh

    Part #058700
    Replaced by #W10841140
    ?
    Manufacturer substitution
    This part replaces 058700. Substitute parts can look different from the original.
    BEST SELLER
    In Stock
    $14.99 | 
    12% OFF 
    Phone Price: $16.99
    Laundry Appliance Door Switch Kit

    See All Related Diagrams

    Lid switch

    Part #205415
    Replaced by #W10820036
    ?
    Manufacturer substitution
    This part replaces 205415. Substitute parts can look different from the original.
    BEST SELLER
    In Stock
    $27.04 | 
    18% OFF 
    MSRP: $33.00
    Washer Tub Bearing Kit#7

    Tub, agitator, mounting stem & seal Diagram

    Tub bearing

    Part #200824
    Replaced by #6-2040130
    ?
    Manufacturer substitution
    This part replaces 200824. Substitute parts can look different from the original.
    BEST SELLER
    In Stock
    $53.81 | 
    30% OFF 
    MSRP: $77.00
    Washer Tub Bearing Kit#17

    Tub, agitator, mounting stem & seal Diagram

    Tub bearing

    Part #204013
    Replaced by #6-2040130
    ?
    Manufacturer substitution
    This part replaces 204013. Substitute parts can look different from the original.
    BEST SELLER
    In Stock
    $53.81 | 
    30% OFF 
    MSRP: $77.00
    Washer Hose Clamp

    See All Related Diagrams

    Hose clamp

    Part #200461
    Replaced by #WP285655
    ?
    Manufacturer substitution
    This part replaces 200461. Substitute parts can look different from the original.
    This item is not returnable
    In Stock
    $6.49 | 
    13% OFF 
    Phone Price: $7.49
    Washer Drive Motor Kit#15

    Base, pump, motor & components Diagram

    Motor (one s

    Part #201805
    Replaced by #12002351
    ?
    Manufacturer substitution
    This part replaces 201805. Substitute parts can look different from the original.
    In Stock
    $166.60 | 
    6% OFF 
    Phone Price: $176.60
    Washer Hose Clamp#32

    Tub, agitator, mounting stem & seal Diagram

    Clamp

    Part #211641
    Replaced by #WP285655
    ?
    Manufacturer substitution
    This part replaces 211641. Substitute parts can look different from the original.
    This item is not returnable
    In Stock
    $6.49 | 
    13% OFF 
    Phone Price: $7.49
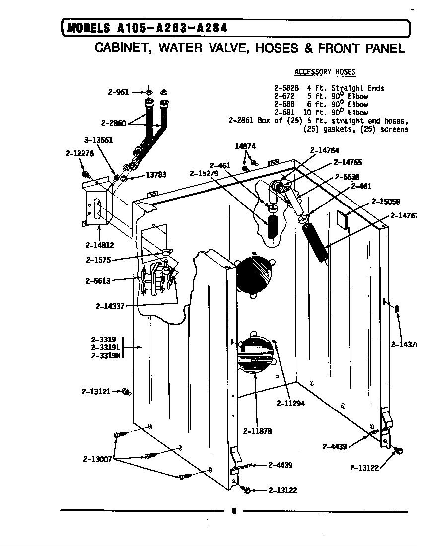
    Washer Cold/Hot Water Fill Hose, 6-ft#6

    Cabinet, water valve, hoses & frnt panel Diagram

    Inlet hose

    Part #200688
    Replaced by #WP76314
    ?
    Manufacturer substitution
    This part replaces 200688. Substitute parts can look different from the original.
    In Stock
    $25.89 | 
    16% OFF 
    Phone Price: $30.89
    Washer Cold/Hot Water Fill Hose, 6-ft#4

    Cabinet, water valve, hoses & frnt panel Diagram

    Inlet hose

    Part #200672
    Replaced by #WP76314
    ?
    Manufacturer substitution
    This part replaces 200672. Substitute parts can look different from the original.
    In Stock
    $25.89 | 
    16% OFF 
    Phone Price: $30.89
    Washer Water Inlet Valve

    See All Related Diagrams

    In Stock
    $83.99 | 
    7% OFF 
    MSRP: $90.24

    Symptoms common to all washers

    Choose a symptom to see related washer repairs.

    Main causes: leaky water inlet valve, faulty water-level pressure switch, bad electronic control board
    Main causes: lack of electrical power, wiring failure, bad power cord, electronic control board failure, bad user interface board
    Main causes: water heater failure, bad water temperature switch, faulty control board, bad water valve, faulty water temperature sensor
    Main causes: unbalanced load, loose spanner nut, worn drive block, broken shock absorber or suspension spring, debris in drain pump
    Main causes: broken lid switch or lid lock, bad pressure switch, broken shifter assembly, faulty control system
    Main causes: clogged drain hose, house drain clogged, bad drain pump, water-level pressure switch failure, bad control board or timer
    Main causes: worn agitator dogs, bad clutch, broken motor coupler, shifter assembly failure, broken door lock, suspension component failure
    Main causes: no water supply, bad water valves, water-level pressure switch failure, control system failure, bad door lock or lid switch
    Main causes: bad lid switch or door lock, bad timer or electronic control board, wiring failure, bad water inlet valve assembly

    Articles and videos common to all washers

    Use the advice and tips in these articles and videos to get the most out of your washer.

    January 3, 2022

    Why is my washing machine leaking when not in use?

    By Lyle Weischwill

    Learn how to fix a washing machine leak

    December 30, 2021

    How to fix a washing machine

    By Lyle Weischwill

    Learn how to fix your broken washing machine

    April 10, 2020

    Cleaning your appliances after a drinking water advisory

    By Julie Riebe

    Find out how to clean and flush household appliances once a boil water advisory is lifted.