Marvel
Upright Freezer

Model #45AF Official Marvel freezer

Here are the diagrams and repair parts for Marvel 45AF freezer, as well as links to manuals and error code tables, if available.

There are a couple of ways to find the part or diagram you need:

  • Click a diagram to see the parts shown on that diagram.
  • In the search box below, enter all or part of the part number or the part’s name.

Not all parts are shown on the diagrams—those parts are labeled NI, for “not illustrated”.

We encourage you to save the model to your profile, so it’s easy to access parts and manuals for your appliance whenever you log in.

For DIY troubleshooting advice and repair guides, visit our repair help section.

Error Codes

Showing 10 of 71 parts

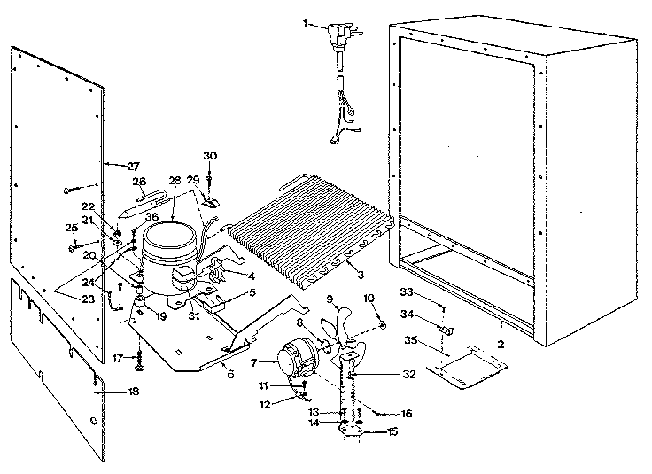
Base Plate#6

Unit parts Diagram

Base plate

Part #42110073

The manufacturer no longer makes this part, and there's no substitute part

Bolt

See All Related Diagrams

Bolt

Part #08205050

The manufacturer no longer makes this part, and there's no substitute part

Refrigerator Door Gasket#8

Door Diagram

Refrigerator door gasket

Part #42241280

The manufacturer no longer makes this part, and there's no substitute part

Screw#7

Cabinet parts Diagram

Screw

Part #08204920

The manufacturer no longer makes this part, and there's no substitute part

Cabinet

See All Related Diagrams

Cabinet

Part #42040738

The manufacturer no longer makes this part, and there's no substitute part

Beverage Cooler Door Hinge Kit#3

Door Diagram

Beverage cooler door hinge kit

Part #42240881

The manufacturer no longer makes this part, and there's no substitute part

Grommet

See All Related Diagrams

Grommet

Part #41002797

The manufacturer no longer makes this part, and there's no substitute part

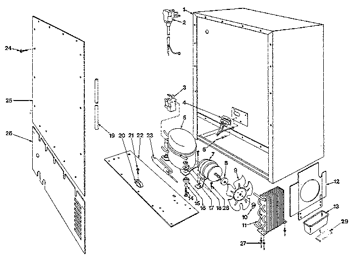
Cord Clip

See All Related Diagrams

Cord clip

Part #41001446

The manufacturer no longer makes this part, and there's no substitute part

Cabinet

See All Related Diagrams

Cabinet

Part #41000396

The manufacturer no longer makes this part, and there's no substitute part

Clip#11

Cabinet parts Diagram

Clip

Part #41000130

The manufacturer no longer makes this part, and there's no substitute part

Symptoms common to all freestanding freezers

Choose a symptom to see related freezer repairs.

Main causes: burned out light bulb, bad door or lid switch, faulty LED light board, wiring failure, control system failure
Main causes: lack of power, bad compressor, refrigerant leak, bad thermistor, defrost system failure, dirty condenser coils, control failure
Main causes: leaky door or lid gasket, broken defrost heater, bad defrost bi-metal thermostat, defrost control failure, faulty compressor
Main causes: compressor failure, no refrigerant, faulty sensor, control failure, broken defrost heater, bad defrost bi-metal thermostat
Main causes: excessive frost, bad defrost heater, bad defrost bi-metal, control system failure, low refrigerant charge, compressor problems
Main causes: damaged door or lid gasket, cracked cabinet liner, bad defrost bi-metal thermostat, broken defrost heater, bad defrost timer
Main causes: lack of power, control system failure, broken compressor start relay, locked up compressor, compressor motor failure
Main causes: dirty condenser coils, condenser fan failure, dirty bottom front grill, leaky door or lid gasket

Repair guides for upright freezers

February 20, 2015
By Lyle Weischwill
How to replace a freezer control panel

A freezer control panel that doesn’t show the temperature or respond when you press the buttons could be broken. This DIY repair guide and video show how to replace a freezer control panel in less than 15 minutes.

Repair difficulty
Time required
 15 minutes or less
February 20, 2015
By Lyle Weischwill
How to replace a freezer door switch

When the door switch fails, the freezer can’t detect that the door is closed. Follow the steps in this repair guide to replace a defective freezer door switch.

Repair difficulty
Time required
 15 minutes or less
February 20, 2015
By Lyle Weischwill
How to replace a freezer thermistor

When the thermistor can’t sense the freezer temperature, the freezer is colder or warmer than the set temperature. Follow these step-by-step instructions to replace a defective freezer thermistor.

Repair difficulty
Time required
 45 minutes or less

Articles and videos common to all freestanding freezers

Use the advice and tips in these articles and videos to get the most out of your freezer.

August 5, 2022

Introducing new technical repair content that we’re developing for the Sears Technical Institute

By Lyle Weischwill

Learn about Sears Technical Institute and the advanced technical content being developed for aspiring appliance techs.

April 12, 2021

7 tips to prevent freezer burn

By Lyle Weischwill

See how you can save frozen food from freezer burn.

December 15, 2014

5 tips for finding food in the freezer faster

By Lyle Weischwill

Don't get chapped hands digging through the icy depths. Get organized! Here's how.