Frigidaire
Window Air Conditioner

Model #FFRE1233Q16 Official Frigidaire room air conditioner

Here are the diagrams and repair parts for Frigidaire FFRE1233Q16 room air conditioner, as well as links to manuals and error code tables, if available.

There are a couple of ways to find the part or diagram you need:

  • Click a diagram to see the parts shown on that diagram.
  • In the search box below, enter all or part of the part number or the part’s name.

Not all parts are shown on the diagrams—those parts are labeled NI, for “not illustrated”.

We encourage you to save the model to your profile, so it’s easy to access parts and manuals for your appliance whenever you log in.

For DIY troubleshooting advice and repair guides, visit our repair help section.

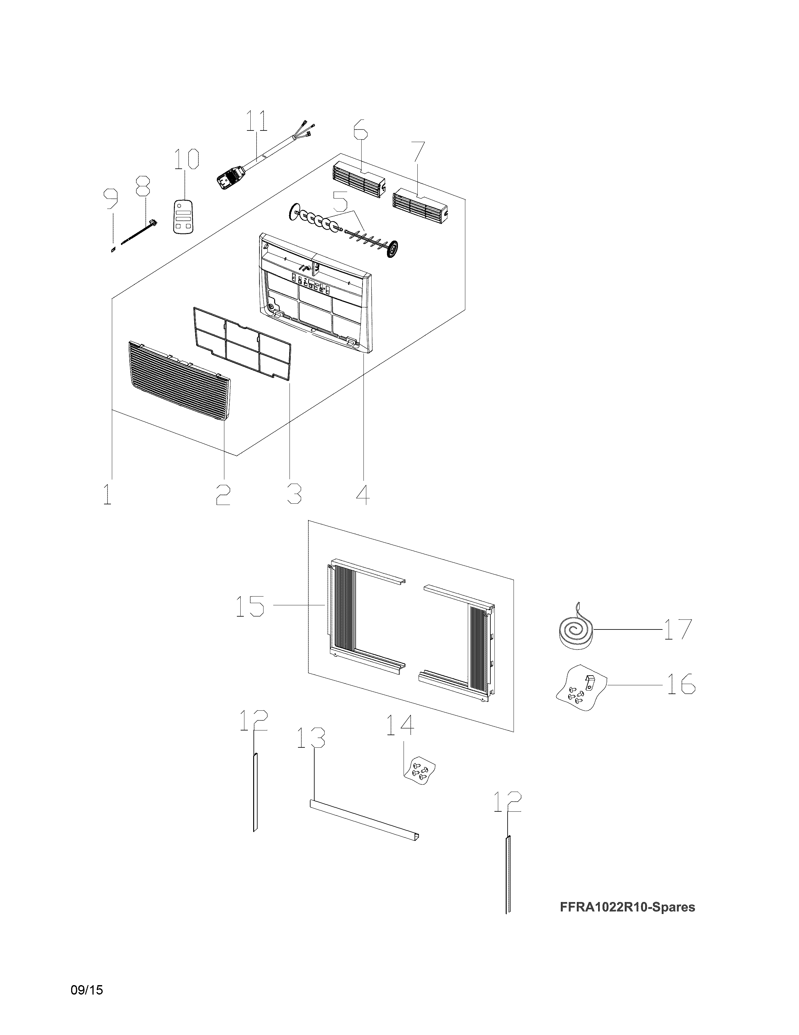
Showing 10 of 17 parts

Room Air Conditioner Installation Kit#16

Recommended spare parts Diagram

Room air conditioner installation kit

Part #5304491953
This item is not returnable
In Stock
$19.76 | 
9% OFF 
Phone Price: $21.76
Room Air Conditioner Louver#7

Recommended spare parts Diagram

In Stock
$15.37
Room Air Conditioner Louver, Left#6

Recommended spare parts Diagram

In Stock
$16.77
Room Air Conditioner Foam Seal#17

Recommended spare parts Diagram

In Stock
$26.67
Room Air Conditioner Track Rail, Upper#13

Recommended spare parts Diagram

In Stock
$49.56
Room Air Conditioner Power Cord#11

Recommended spare parts Diagram

In Stock
$172.89 | 
5% OFF 
Phone Price: $182.89
Room Air Conditioner Top Rail Screw Kit#14

Recommended spare parts Diagram

Room air conditioner top rail screw kit

Part #5304472191
This item is not returnable
In Stock
$18.03 | 
10% OFF 
Phone Price: $20.03
Door#8

Recommended spare parts Diagram

Door

Part #5304476178
In Stock
$22.40
Room Air Conditioner Remote Control#10

Recommended spare parts Diagram

In Stock
$105.07 | 
9% OFF 
Phone Price: $115.07
Sleeve#9

Recommended spare parts Diagram

Sleeve

Part #5304476179
In Stock
$13.29

Symptoms for window air conditioners

Choose a symptom to see related window air conditioner repairs.

Main causes: bad compressor, lack of refrigerant, bad compressor start relay, electronic control board failure
Main causes: turning the air conditioner off and the back on too quickly, dirty or restricted condenser coil, compressor failure
Main causes: clogged condensate drain, air conditioner not leveled properly, leaky window air seals
Main causes: lack of electrical power, bad electronic control board, wiring failure, bad temperature sensor
Main causes: clogged drain hole, air conditioner not leveled properly
Main causes: dirty air filter, air conditioner is too small for the room, temperature set too cold, control failure

Repair guides for window air conditioners

These step-by-step repair guides will help you safely fix what’s broken on your window air conditioner.

How to replace a window air conditioner ambient thermistor

If your window air conditioner isn’t cooling properly, it might need a new ambient thermistor. You can replace it yourself following these instructions.

Repair difficulty
Time required
 45 minutes or less
How to replace a window air conditioner condenser fan

If the condenser fan blade is broken or the condenser fan motor won’t run, you can replace the broken parts yourself by following these instructions.

Repair difficulty
Time required
 90 minutes or less
How to replace a window air conditioner electronic control board

The electronic control board is the brain of your window air conditioner. Here’s how to replace it.

Repair difficulty
Time required
 45 minutes or less

Articles and videos common to all room air conditioners

Use the advice and tips in these articles and videos to get the most out of your window air conditioner.

August 11, 2022

Tapping into a new feature in the Search Bar on Sears PartsDirect

By Lyle Weischwill

Learn about a new feature added to the Search Bar on Sears PartsDirect

December 28, 2021

How to tell if a fuse is blown

By Lyle Weischwill

Learn how to tell whether a fuse is blown

September 26, 2019

Keeping your smart appliances secure from hackers

By Lyle Weischwill

Find out how to protect your smart appliances from malevolent invasions by hackers.