MTD
Chipper/Shredder

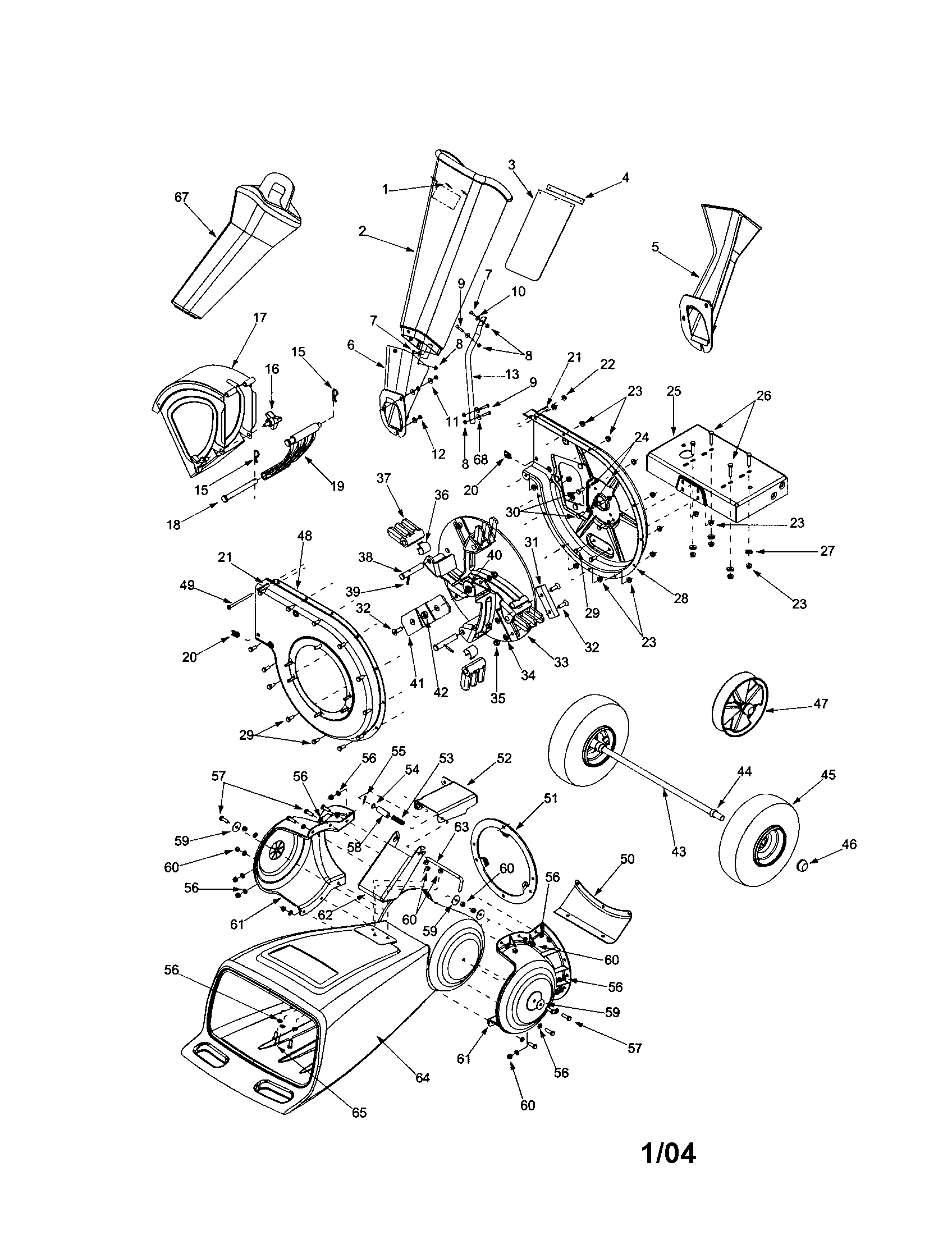
Model #463 Official MTD gas chipper shredder/vac

Here are the diagrams and repair parts for MTD 463 gas chipper shredder/vac, as well as links to manuals and error code tables, if available.

There are a couple of ways to find the part or diagram you need:

  • Click a diagram to see the parts shown on that diagram.
  • In the search box below, enter all or part of the part number or the part’s name.

Not all parts are shown on the diagrams—those parts are labeled NI, for “not illustrated”.

We encourage you to save the model to your profile, so it’s easy to access parts and manuals for your appliance whenever you log in.

For DIY troubleshooting advice and repair guides, visit our repair help section.

Owner’s manual

Showing 10 of 85 parts

Lawn Tractor Screw#34

Chipper chute/wheel/arm/hopper Diagram

Lawn tractor screw

Part #710-0599
BEST SELLER
This item is not returnable
In Stock
$4.78 | 
17% OFF 
Phone Price: $5.78
Lawn & Garden Equipment Bell Washer

See All Related Diagrams

Lawn & garden equipment bell washer

Part #736-0242
BEST SELLER
This item is not returnable
In Stock
$6.40 | 
14% OFF 
Phone Price: $7.40
Lawn & Garden Equipment Lock Washer

See All Related Diagrams

Lock washer

Part #736-0119
Replaced by #936-0119
?
Manufacturer substitution
This part replaces 736-0119. Substitute parts can look different from the original.
BEST SELLER
This item is not returnable
In Stock
$5.89 | 
15% OFF 
Phone Price: $6.89
Chipper/Shredder Blade

See All Related Diagrams

Blade

Part #742-0571
Replaced by #942-0571
?
Manufacturer substitution
This part replaces 742-0571. Substitute parts can look different from the original.
BEST SELLER

Get free shipping with Automatic Reorder

In Stock
$32.39 | 
23% OFF 
MSRP: $42.00
Lawn & Garden Equipment Hex Cap Screw

See All Related Diagrams

Lawn & garden equipment hex cap screw

Part #710-0751
BEST SELLER
This item is not returnable
In Stock
$4.99 | 
17% OFF 
Phone Price: $5.99
Lawn & Garden Equipment Screw

See All Related Diagrams

Lawn & garden equipment screw

Part #710-1054
Replaced by #710-1054
?
Manufacturer substitution
This part replaces 710-1054. Substitute parts can look different from the original.
BEST SELLER
This item is not returnable
In Stock
$1.69 | 
37% OFF 
Phone Price: $2.69
Lawn Vacuum Chipper/Shredder Clevis Pin

See All Related Diagrams

Clevis pin

Part #711-0833B
Replaced by #711-0833B
?
Manufacturer substitution
This part replaces 711-0833B. Substitute parts can look different from the original.
BEST SELLER
This item is not returnable
In Stock
$2.59 | 
28% OFF 
Phone Price: $3.59
Lawn Tractor Hex Bolt

See All Related Diagrams

Lawn tractor hex bolt

Part #710-3008
This item is not returnable
In Stock
$3.94 | 
20% OFF 
Phone Price: $4.94
Lawn & Garden Equipment Cotter Pin

See All Related Diagrams

Cotter pin

Part #714-0104
Replaced by #914-0104
?
Manufacturer substitution
This part replaces 714-0104. Substitute parts can look different from the original.
This item is not returnable
In Stock
$3.89 | 
20% OFF 
Phone Price: $4.89
Chipper/Shredder Cotter Pin

See All Related Diagrams

Cotter pin

Part #714-0149B
Replaced by #914-0149B
?
Manufacturer substitution
This part replaces 714-0149B. Substitute parts can look different from the original.
This item is not returnable
In Stock
$3.23