Carrier
Air Handler

Model #FK4DNB006000 Official Carrier fan coil

Here are the diagrams and repair parts for Carrier FK4DNB006000 fan coil, as well as links to manuals and error code tables, if available.

There are a couple of ways to find the part or diagram you need:

  • Click a diagram to see the parts shown on that diagram.
  • In the search box below, enter all or part of the part number or the part’s name.

Not all parts are shown on the diagrams—those parts are labeled NI, for “not illustrated”.

We encourage you to save the model to your profile, so it’s easy to access parts and manuals for your appliance whenever you log in.

For DIY troubleshooting advice and repair guides, visit our repair help section.

    Showing 10 of 62 parts

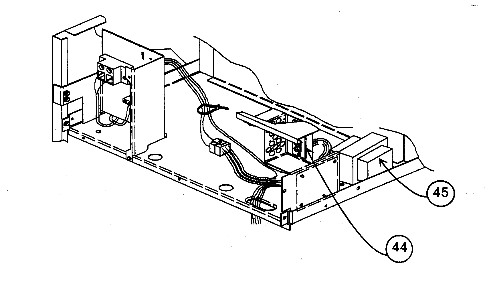
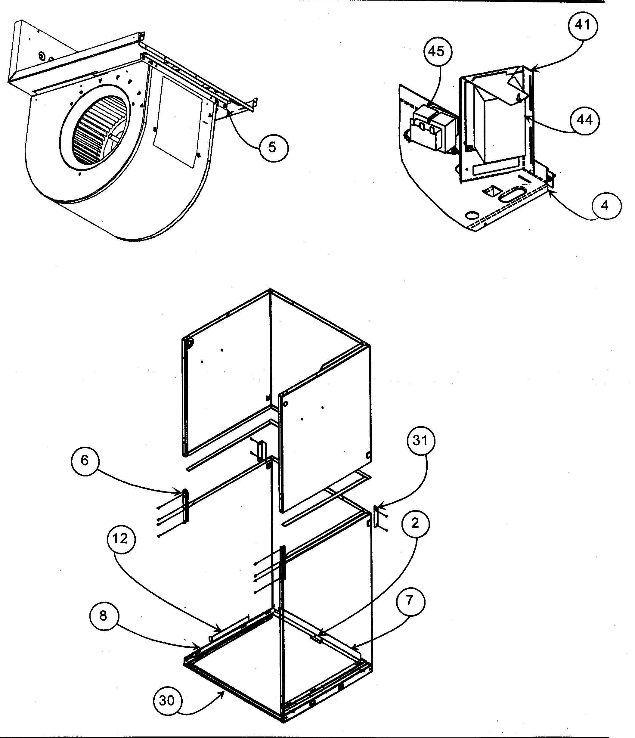
    Plate Htr#3

    Cabinet assy 1 Diagram

    Plate htr

    Part #314895-404
    In Stock
    $38.96
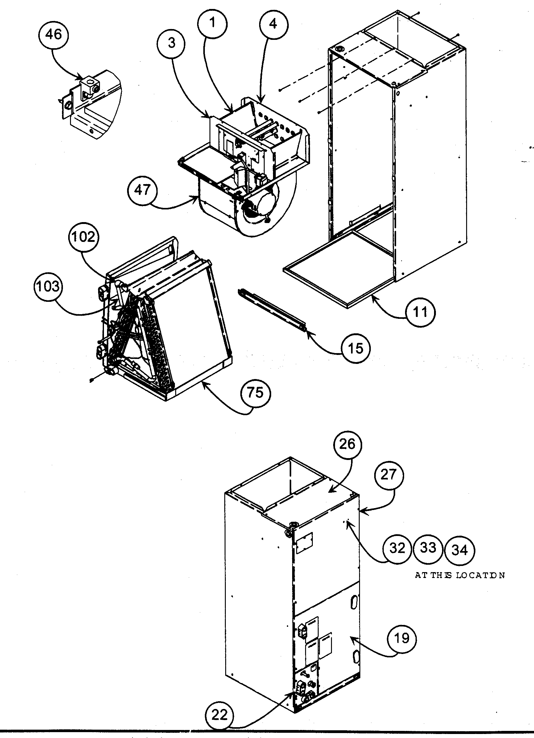
    Baffle#81

    Coil assy Diagram

    Baffle

    Part #316834-204
    In Stock
    $21.32
    Heater Assembly#NI

    Cabinet assy 1 Diagram

    Heater assembly

    Part #324642-701
    In Stock
    $1080.49
    Sw Temp Act#NI

    Cabinet assy 1 Diagram

    Sw temp act

    Part #HH19ZA965
    In Stock
    $39.35
    Trough Cnd#78

    Coil assy Diagram

    Trough cnd

    Part #316236-201
    In Stock
    $33.84
    Angle#30

    Cabinet assy 2 Diagram

    Angle

    Part #328115-404
    In Stock
    $11.08
    Air Seal#96

    Coil assy Diagram

    Air seal

    Part #316241-702
    In Stock
    $84.32
    Sw Temp Act#NI

    Cabinet assy 1 Diagram

    Sw temp act

    Part #HH12HV151
    In Stock
    $86.56
    Baffle Dif#1

    Cabinet assy 1 Diagram

    Baffle dif

    Part #314858-302
    In Stock
    $28.98
    Support#8

    Cabinet assy 2 Diagram

    Support

    Part #314958-401
    In Stock
    $10.92

    Articles and videos common to all air handlers

    August 5, 2022

    Introducing new technical repair content that we’re developing for the Sears Technical Institute

    By Lyle Weischwill

    Learn about Sears Technical Institute and the advanced technical content being developed for aspiring appliance techs.