Craftsman
Drill Press

Model #113213092 Official Craftsman 10" drill press

Here are the diagrams and repair parts for Craftsman 113213092 10" drill press, as well as links to manuals and error code tables, if available.

There are a couple of ways to find the part or diagram you need:

  • Click a diagram to see the parts shown on that diagram.
  • In the search box below, enter all or part of the part number or the part’s name.

Not all parts are shown on the diagrams—those parts are labeled NI, for “not illustrated”.

We encourage you to save the model to your profile, so it’s easy to access parts and manuals for your appliance whenever you log in.

For DIY troubleshooting advice and repair guides, visit our repair help section.

Showing 10 of 74 parts

Hex Head Screw#8

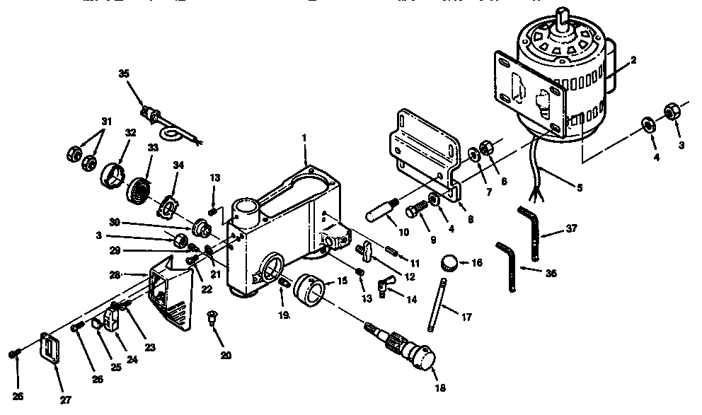
Base assembly Diagram

Hex head screw

Part #823210

The manufacturer no longer makes this part, and there's no substitute part

Drill Press Chuck Key#9

Guard assembly Diagram

Drill press chuck key

Part #817339-1

The manufacturer no longer makes this part, and there's no substitute part

Drill Press Tension Spring Retainer#34

Motor assembly Diagram

Drill press tension spring retainer

Part #817443

The manufacturer no longer makes this part, and there's no substitute part

Hex Socket Screw Set, M6-1 x 10 (Black)

See All Related Diagrams

Hex socket screw set, m6-1 x 10 (black)

Part #817391-1

The manufacturer no longer makes this part, and there's no substitute part

Drill Press Belt#21

Guard assembly Diagram

Drill press belt

Part #817428-1

The manufacturer no longer makes this part, and there's no substitute part

Drill Press Spindle Knob#16

Motor assembly Diagram

Drill press spindle knob

Part #817510

The manufacturer no longer makes this part, and there's no substitute part

Screw

See All Related Diagrams

Screw

Part #816755-3

The manufacturer no longer makes this part, and there's no substitute part

Cap Spring#32

Motor assembly Diagram

Cap spring

Part #817595

The manufacturer no longer makes this part, and there's no substitute part

Bearing#16

Guard assembly Diagram

Bearing

Part #STD315235

The manufacturer no longer makes this part, and there's no substitute part

Screw#23

Guard assembly Diagram

Screw

Part #816755-1

The manufacturer no longer makes this part, and there's no substitute part