APCO
Central Air Conditioner

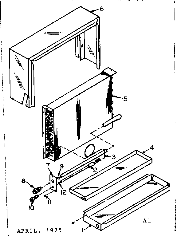
Model #CFH-36 Official APCO air conditioner

Here are the diagrams and repair parts for APCO CFH-36 air conditioner, as well as links to manuals and error code tables, if available.

There are a couple of ways to find the part or diagram you need:

  • Click a diagram to see the parts shown on that diagram.
  • In the search box below, enter all or part of the part number or the part’s name.

Not all parts are shown on the diagrams—those parts are labeled NI, for “not illustrated”.

We encourage you to save the model to your profile, so it’s easy to access parts and manuals for your appliance whenever you log in.

For DIY troubleshooting advice and repair guides, visit our repair help section.

Showing 10 of 17 parts

Coupling#10

Unit parts Diagram

Coupling

Part #5651-153
Replaced by #5651-153
?
Manufacturer substitution
This part replaces 5651-153. Substitute parts can look different from the original.
This item is not returnable
In Stock
$3.49
Housing#6

Unit parts Diagram

Housing

Part #5370-286
Replaced by #5370-286
?
Manufacturer substitution
This part replaces 5370-286. Substitute parts can look different from the original.
In Stock
$44.99
Evaporator#5

Unit parts Diagram

Evaporator

Part #7101-142
Replaced by #7101-142
?
Manufacturer substitution
This part replaces 7101-142. Substitute parts can look different from the original.
In Stock
$306.99
Coupling#8A

Unit parts Diagram

Coupling

Part #5651-156
Replaced by #5651-156
?
Manufacturer substitution
This part replaces 5651-156. Substitute parts can look different from the original.
This item is not returnable
In Stock
$3.99
Screw#11

Unit parts Diagram

Screw

Part #1032-25

The manufacturer no longer makes this part, and there's no substitute part

Guarantee

#NI

All parts Diagram

Guarantee

Part #F642-13771A

The manufacturer no longer makes this part, and there's no substitute part

769.810380 769.810390

See All Related Diagrams

769.810380 769.810390

Part #N/P

The manufacturer no longer makes this part, and there's no substitute part

Coupling#8B

Unit parts Diagram

Coupling

Part #5651-157

The manufacturer no longer makes this part, and there's no substitute part

Retain Ring#9A

Unit parts Diagram

Retain ring

Part #1901-159

The manufacturer no longer makes this part, and there's no substitute part

Closure Plat#7A

Unit parts Diagram

Closure plat

Part #7003-875

The manufacturer no longer makes this part, and there's no substitute part

Articles and videos common to all central air conditioners

November 30, 2022

2023 HVAC regulation changes and how they may affect you

By Lyle Weischwill

Find out how new DOE standards going into effect in 2023 can affect you and what you need to do.

October 24, 2022

Easy DIY appliance repairs that anyone can do

By Lyle Weischwill

Get advice on simple DIY fixes for appliances that you can safely do on your own.

August 5, 2022

Introducing new technical repair content that we’re developing for the Sears Technical Institute

By Lyle Weischwill

Learn about Sears Technical Institute and the advanced technical content being developed for aspiring appliance techs.