Kenmore
Central Air Conditioner

Model #10672640 Official Kenmore air conditioner

Here are the diagrams and repair parts for Kenmore 10672640 air conditioner, as well as links to manuals and error code tables, if available.

There are a couple of ways to find the part or diagram you need:

  • Click a diagram to see the parts shown on that diagram.
  • In the search box below, enter all or part of the part number or the part’s name.

Not all parts are shown on the diagrams—those parts are labeled NI, for “not illustrated”.

We encourage you to save the model to your profile, so it’s easy to access parts and manuals for your appliance whenever you log in.

For DIY troubleshooting advice and repair guides, visit our repair help section.

Showing 10 of 136 parts

Appliance Silicone Sealant

#NI

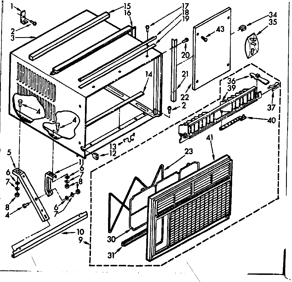
All parts Diagram

Cement

Part #797403
Replaced by #WP279368
?
Manufacturer substitution
This part replaces 797403. Substitute parts can look different from the original.
In Stock
$41.59 | 
11% OFF 
Phone Price: $46.59
Appliance Screw

See All Related Diagrams

Screw, 8 x 1

Part #488480
Replaced by #WP489069
?
Manufacturer substitution
This part replaces 488480. Substitute parts can look different from the original.
This item is not returnable
In Stock
$4.39 | 
19% OFF 
Phone Price: $5.39
Terminal#13

Air flow & control parts Diagram

Terminal

Part #509882

The manufacturer no longer makes this part, and there's no substitute part

Refrigerator Screw#26

Air flow & control parts Diagram

Screw

Part #487294
Replaced by #WP489128
?
Manufacturer substitution
This part replaces 487294. Substitute parts can look different from the original.
This item is not returnable
In Stock
$7.99 | 
11% OFF 
Phone Price: $8.99
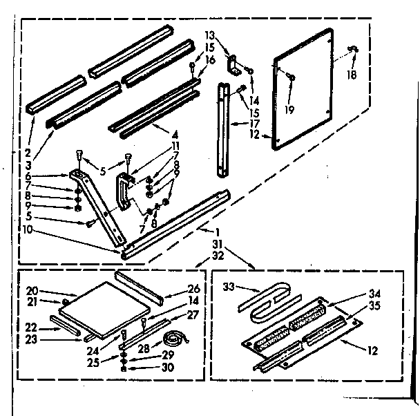
Refrigerator Door Hinge Screw#24

Accessory kit Diagram

Screw

Part #487461
Replaced by #WP999367
?
Manufacturer substitution
This part replaces 487461. Substitute parts can look different from the original.
This item is not returnable
In Stock
$4.39 | 
19% OFF 
Phone Price: $5.39
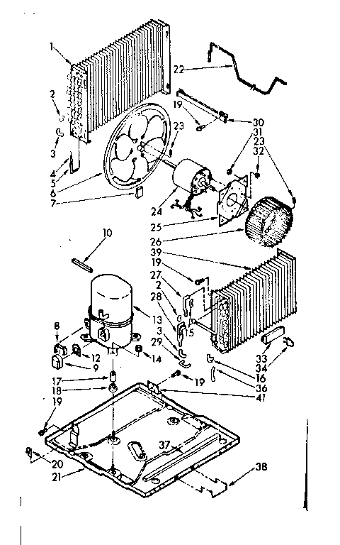
Nut Washer#14

Unit parts Diagram

Nut washer

Part #646888

The manufacturer no longer makes this part, and there's no substitute part

Refrigerator Permagum Sealer

#NI

All parts Diagram

Capacitor

Part #470168
Replaced by #212643
?
Manufacturer substitution
This part replaces 470168. Substitute parts can look different from the original.
This item is not returnable
In Stock
$50.09 | 
9% OFF 
Phone Price: $55.09
Nut#31

Unit parts Diagram

Nut

Part #649631

The manufacturer no longer makes this part, and there's no substitute part

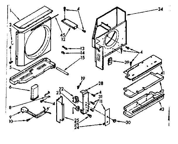
Room Air Conditioner Foam Seal#45B

Air flow & control parts Diagram

Seal

Part #853916
Replaced by #WP854334
?
Manufacturer substitution
This part replaces 853916. Substitute parts can look different from the original.
In Stock
$9.99 | 
9% OFF 
Phone Price: $10.99
Capacitor#6A

Air flow & control parts Diagram

Capacitor

Part #47406

The manufacturer no longer makes this part, and there's no substitute part

Articles and videos common to all central air conditioners

November 30, 2022

2023 HVAC regulation changes and how they may affect you

By Lyle Weischwill

Find out how new DOE standards going into effect in 2023 can affect you and what you need to do.

October 24, 2022

Easy DIY appliance repairs that anyone can do

By Lyle Weischwill

Get advice on simple DIY fixes for appliances that you can safely do on your own.

August 5, 2022

Introducing new technical repair content that we’re developing for the Sears Technical Institute

By Lyle Weischwill

Learn about Sears Technical Institute and the advanced technical content being developed for aspiring appliance techs.