Thermador
Downdraft Ventilation System

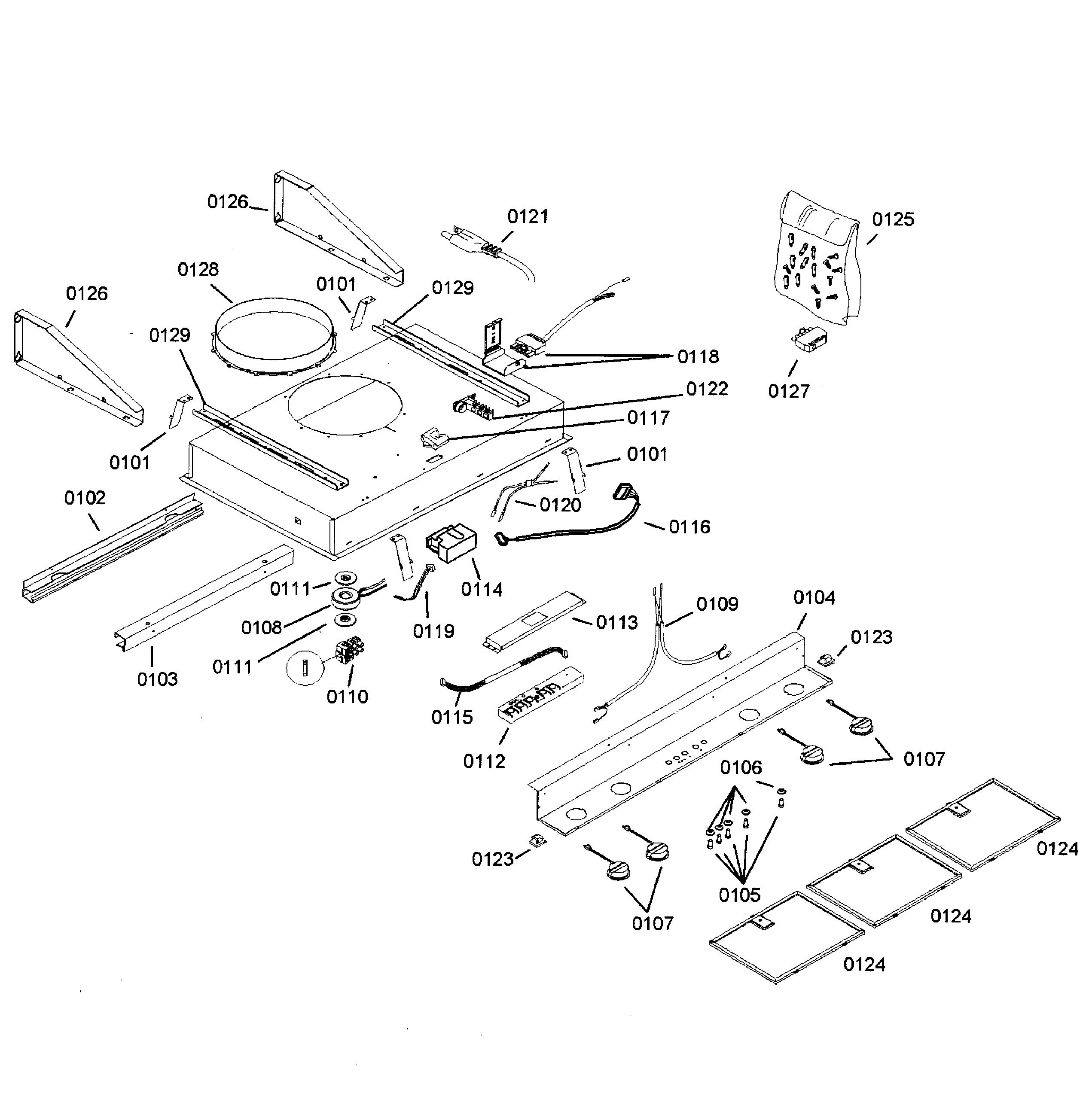
Model #VCI248DS/01 Official Thermador custom hood insert

Here are the diagrams and repair parts for Thermador VCI248DS-01 custom hood insert, as well as links to manuals and error code tables, if available.

There are a couple of ways to find the part or diagram you need:

  • Click a diagram to see the parts shown on that diagram.
  • In the search box below, enter all or part of the part number or the part’s name.

Not all parts are shown on the diagrams—those parts are labeled NI, for “not illustrated”.

We encourage you to save the model to your profile, so it’s easy to access parts and manuals for your appliance whenever you log in.

For DIY troubleshooting advice and repair guides, visit our repair help section.

Installation guideOwner’s manual

Showing 10 of 28 parts

Range Hood Halogen Light Assembly#107

Range hood Diagram

Lamp cmplt

Part #606646
Replaced by #00606646
?
Manufacturer substitution
This part replaces 606646. Substitute parts can look different from the original.
In Stock
$113.79 | 
8% OFF 
Phone Price: $123.79
Cable Harness#119

Range hood Diagram

Cable harness

Part #642471
Replaced by #00642471
?
Manufacturer substitution
This part replaces 642471. Substitute parts can look different from the original.
In Stock
$20.55
Mounting#125

Range hood Diagram

Mounting

Part #642473
Replaced by #00642473
?
Manufacturer substitution
This part replaces 642473. Substitute parts can look different from the original.
In Stock
$12.63
Clamp#123

Range hood Diagram

Clamp

Part #322691
Replaced by #00322691
?
Manufacturer substitution
This part replaces 322691. Substitute parts can look different from the original.
In Stock
$8.36
Cable Harness#118

Range hood Diagram

Cable harness

Part #642470
Replaced by #00642470
?
Manufacturer substitution
This part replaces 642470. Substitute parts can look different from the original.
In Stock
$93.73
Bracket#126

Range hood Diagram

Bracket

Part #663239
Replaced by #00663239
?
Manufacturer substitution
This part replaces 663239. Substitute parts can look different from the original.
In Stock
$52.69
Light Bar#104

Range hood Diagram

Light bar

Part #245141
Replaced by #00245141
?
Manufacturer substitution
This part replaces 245141. Substitute parts can look different from the original.
In Stock
$242.70
Rail#103

Range hood Diagram

Rail

Part #245093
Replaced by #00245093
?
Manufacturer substitution
This part replaces 245093. Substitute parts can look different from the original.
In Stock
$146.63
Range Hood Wire Harness#109

Range hood Diagram

Range hood wire harness

Part #642462
Replaced by #00642462
?
Manufacturer substitution
This part replaces 642462. Substitute parts can look different from the original.
In Stock
$34.34
Lightguide#105

Range hood Diagram

Photocondu

Part #607594
Replaced by #00607594
?
Manufacturer substitution
This part replaces 607594. Substitute parts can look different from the original.
In Stock
$22.41

Symptoms common to all downdraft ventilation systems

Choose a symptom to see related downdraft vent repairs.

Main causes: problems with the vent limit switches, up/down activation switch failure
Main causes: fan control switch failure, bad blower fan motor, broken blower wheel, wiring failure
Main causes: lack of electrical power, up/down activation switch failure, bad vent gear motor
Main causes: clogged grease filters, air duct problems, fan motor failure, broken blower wheel
Main causes: electrical power failure, up/down activation switch problems, vent gear motor failure

Repair guides common to all downdraft ventilation systems

These step-by-step repair guides will help you safely fix what’s broken on your downdraft vent.

November 1, 2015
By Lyle Weischwill
How to replace a downdraft vent up/down switch

The up/down switch starts the gear motor to raise and lower the air vent. Replace the up/down switch if defective.

Repair difficulty
Time required
 15 minutes or less
November 1, 2015
By Lyle Weischwill
How to replace a downdraft vent blower motor

The blower motor spins the fan blade that removes smoke and steam from the cooktop area. Replace the blower motor if it doesn't run when activated.

Repair difficulty
Time required
 15 minutes or less
November 1, 2015
By Lyle Weischwill
How to replace a downdraft vent gear motor

The gear motor raises and lowers the air vent when you push the activating switch. Replace the gear motor if defective.

Repair difficulty
Time required
 15 minutes or less

Articles and videos common to all downdraft ventilation systems

Use the advice and tips in these articles to get the most out of your downdraft vent.

August 30, 2022

How to enjoy all the online benefits we offer on our Sears PartsDirect website

By Lyle Weischwill

Learn about all the convenient features on our Sears PartsDirect website that make your parts purchases easier.

August 19, 2022

Are DIY appliance repairs safe?

By Lyle Weischwill

Find out how to stay safe when repairing your appliances.

February 23, 2015

Troubleshooting tips for a rectractable downdraft vent

By Lyle Weischwill

See what to check if you are having a problem with a retractable downdraft vent.