Minn Kota
Boating

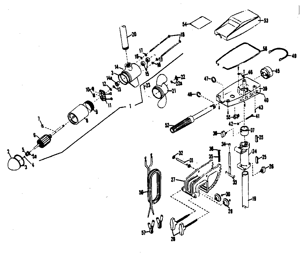
Model #35M Official Minn Kota electric fishing motor

Here are the diagrams and repair parts for Minn Kota 35M electric fishing motor, as well as links to manuals and error code tables, if available.

There are a couple of ways to find the part or diagram you need:

  • Click a diagram to see the parts shown on that diagram.
  • In the search box below, enter all or part of the part number or the part’s name.

Not all parts are shown on the diagrams—those parts are labeled NI, for “not illustrated”.

We encourage you to save the model to your profile, so it’s easy to access parts and manuals for your appliance whenever you log in.

For DIY troubleshooting advice and repair guides, visit our repair help section.

Showing 10 of 59 parts

Washer#12

Fishing motor Diagram

Washer

Part #401170

The manufacturer no longer makes this part, and there's no substitute part

Screw#43

Fishing motor Diagram

Screw

Part #201210

The manufacturer no longer makes this part, and there's no substitute part

E-Ring#36

Fishing motor Diagram

E-ring

Part #201300

The manufacturer no longer makes this part, and there's no substitute part

Hex Nut#42

Fishing motor Diagram

Hex nut

Part #201311

The manufacturer no longer makes this part, and there's no substitute part

Speed Nut#32

Fishing motor Diagram

Speed nut

Part #201310

The manufacturer no longer makes this part, and there's no substitute part

Prop Washer#22A

Fishing motor Diagram

Prop washer

Part #201172

The manufacturer no longer makes this part, and there's no substitute part

Screw#26

Fishing motor Diagram

Screw

Part #203132

The manufacturer no longer makes this part, and there's no substitute part

Handle Assembly#52

Fishing motor Diagram

Handle assembly

Part #203099

The manufacturer no longer makes this part, and there's no substitute part

Thrust Disc#4

Fishing motor Diagram

Thrust disc

Part #401050

The manufacturer no longer makes this part, and there's no substitute part

Cover#53

Fishing motor Diagram

Cover

Part #206021

The manufacturer no longer makes this part, and there's no substitute part